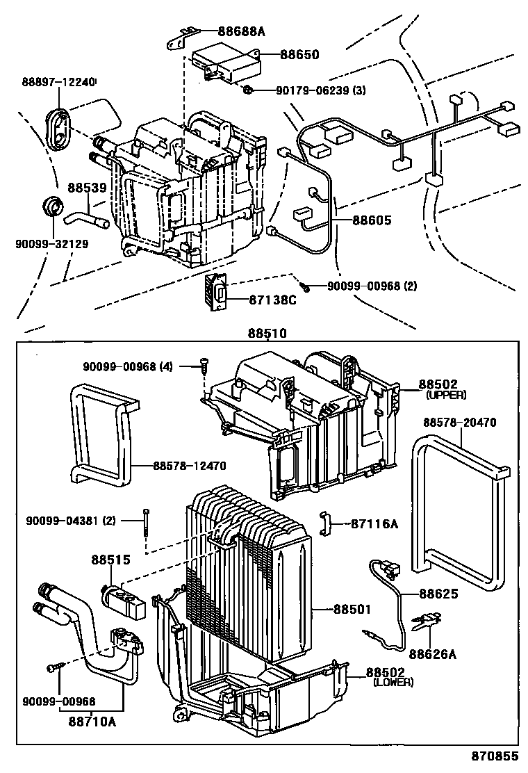
HEATING & AIR CONDITIONING - COOLER UNIT

87116ASPRING, HOLDING (FOR COOLER UNIT CASE)
87138CRESISTOR, BLOWER
88501EVAPORATOR SUB-ASSY, COOLER, NO.1
88502CASE SUB-ASSY, COOLING UNIT
UPPER
LOWER
UPPER
LOWER
88510UNIT ASSY, COOLER
MAKER OPTION
DEALER OPTION
MAKER OPTION
MAKER OPTION
DEALER OPTION
W(COOLER)
MAKER OPTION
88515VALVE, COOLER EXPANSION
88539HOSE, COOLER UNIT DRAIN, NO.1
MAKER OPTION
88605HARNESS SUB-ASSY, COOLER WIRING, NO.1
W(HEATER)
MAKER OPTION,W(POWER STEERING)
W/O(HEATER)
W(POWER STEERING) & W/O(HEATER)
W/O(HEATER)
DEALER OPTION
DEALER OPTION,W/O(HEATER)
DEALER OPTION,W(POWER STEERING)
W(HEATER)
W/O(HEATER)
W(POWER STEERING & HEATER)
W(POWER STEERING) & W/O(HEATER)
W(HEATER)
88625THERMISTOR, COOLER, NO.1
88626AHOLDER, THERMISTOR
88650AMPLIFIER ASSY, COOLER STABILIZER
88688ABRACKET, COOLER STABILIZER AMPLIFIER
88710ATUBE ASSY, AIR CONDITIONER
8857812470PAKING, COOLER AIR DUCT
main88578-12470
8857820470PAKING, COOLER AIR DUCT
main88578-20470
8889712240VALVE, COOLER MAGNET
main88897-12240
9009900968
main90099-00968
9009904381
main90099-04381
9009932129
main90099-32129
9017906239
main90179-06239
20 parts on this diagram · 3 diagrams in section