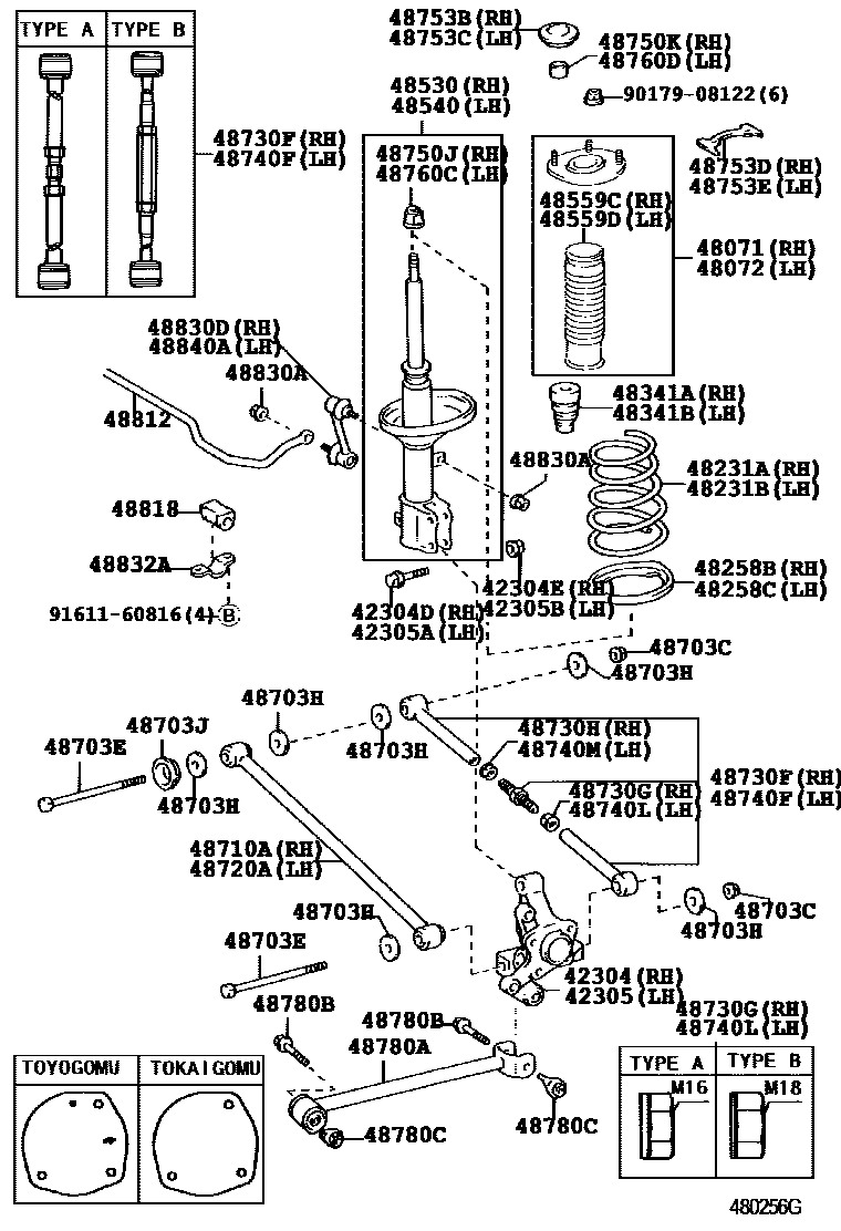
REAR SPRING & SHOCK ABSORBER

42304CARRIER SUB-ASSY, REAR AXLE, RH
main42304-12090iAE110..GLI;AE111..RHD..(GLI,SEG,XLI)..GEN;AE112,EE111..(GLI,XLI)..(GCC,GEN,VEN);AE111..LHD..SED..(GLI,XLI)..(GCC,GEN,TUR,VEN); AE110..TH;AE111..MA;AE110..GLI;AE111..WG..5F;AE111..LHD..WG..4FC;AE111..SED..(GLI,XLI)..(ARL,GCC,GEN,PHL,TH,TUR,VEN);AE112,EE111..(GLI,SEG,XLI)..(BZ,GCC,GEN,IDN,MA,NZ,PHL,TH,TUR,VEN)199704-200002
W(ABS)
main42304-12130iAE110,111,CE110,EE11#;AE112..BZ,GCC,GEN,IDN; AE110..4FC..GEN; EE111..GEN,VEN;EE110..LHD..3FC;AE110,111,CE110..GCC,GEN,TUR,VEN;AE112,EE110..(4F,4FC,5F)..(GCC,GEN)199809-199910
W(ABS & REAR DISC BRAKE)
W(REAR DISC BRAKE)
42304DBOLT (FOR REAR AXLE CARRIER RH)
main90105-12102×2iEE110..GCC,GEN;AE111..RHD..WG;AE111,ZZE11#..SED..(GCC,GEN,TUR,VEN);AE110,112,CE110,EE111..ARL,GCC,GEN,VEN199505
42304ENUT (FOR REAR AXLE CARRIER RH)
main90179-12025×2iEE110..GCC,GEN;AE111..RHD..WG;AE111,ZZE11#..SED..(GCC,GEN,TUR,VEN);AE110,112,CE110,EE111..ARL,GCC,GEN,VEN199505
42305CARRIER SUB-ASSY, REAR AXLE, LH
main42305-12090iAE110,112,EE111..GCC,GEN;AE111,ZZE11#..(GLI,XLI)..(GCC,GEN,TUR,VEN); AE110..4FC200002
W(ABS)
main42305-12130iAE110..4FC; AE112..BZ,IDN,PHL;AE111,EE11#..GENKD,MA,PHL,TH,TUR,VEN; EE111..GEN,VEN;AE112,EE110..ARL,GCC,GEN;AE110,111,CE110,ZZE11#..GCC,GEN,TUR,VEN199910
W(ABS & REAR DISC BRAKE)
W(REAR DISC BRAKE)
42305ABOLT (FOR REAR AXLE CARRIER LH)
main90105-12102×2iAE110..TH;AE111..MA;AE111..WG..5F;AE111..LHD..WG..4FC;AE112..XLI..(BZ,GCC,GEN,IDN);AE111,EE111..SED..(GL,GLI,STD,XL,XLI);AE110,112,CE110,EE110..GL,GLI,SEG,STD,XL199704
42305BNUT (FOR REAR AXLE CARRIER LH)
main90179-12025×2iEE110..GCC,GEN;AE111..RHD..WG;AE111,ZZE11#..SED..(GCC,GEN,TUR,VEN);AE110,112,CE110,EE111..ARL,GCC,GEN,VEN199505
48071SUPPORT SUB-ASSY, REAR SUSPENSION, RH
main48071-12140iEE110..LHD..3FC;AE111,CE110..GCC,GEN,TUR;AE112,EE110..(4F,4FC,5F)..(ARL,GCC,GEN); EE111..TUR;EE110..GCC,GEN,GENKD,PHL;AE111,112,CE110..ARL,BZ,GCC,GEN,GENKD,PHL,TUR199808-199901
ROUGH ROAD PACKAGE
48072SUPPORT SUB-ASSY, REAR SUSPENSION, LH
main48072-12140iEE110..LHD..3FC;AE111,CE110..GCC,GEN,TUR;AE112,EE110..(4F,4FC,5F)..(ARL,GCC,GEN); EE111..TUR;EE110..GCC,GEN,GENKD,PHL;AE111,112,CE110..ARL,BZ,GCC,GEN,GENKD,PHL,TUR199808-199901
ROUGH ROAD PACKAGE
48231ASPRING, COIL, REAR RH
main48231-1E780iEE110..LHD..3FC;AE111,112..SED..(GL,GLI,XL,XLI)..(GCC,GEN);CE110,EE110..SED..MTM..(GL,STD,XL)..(GCC,GEN)199704-200109
ROUGH ROAD PACKAGE
ROUGH ROAD PACKAGE
48231BSPRING, COIL, REAR LH
ROUGH ROAD PACKAGE
ROUGH ROAD PACKAGE
48258BINSULATOR, REAR COIL SPRING, LOWER RH
main48258-12040iEE110..GCC,GEN;AE111..RHD..WG;AE111,ZZE11#..SED..(GCC,GEN,TUR,VEN);AE110,112,CE110,EE111..ARL,GCC,GEN,VEN199505
48258CINSULATOR, REAR COIL SPRING, LOWER LH
main48258-12040iEE110..GCC,GEN;AE111..RHD..WG;AE111,ZZE11#..SED..(GCC,GEN,TUR,VEN);AE110,112,CE110,EE111..ARL,GCC,GEN,VEN199505
48341ABUMPER, REAR SPRING, NO.1 RH
main48341-12130iAE111,112,CE110,EE110..(GL,GLI,STD,XL,XLI)..(GCC,GEN); AE111..RHD..WG;EE110..LHD..3FC;AE111..SED..(GL,GLI,XL,XLI)..(GCC,GEN);AE112,CE110,EE110..(4F,4FC,5F)..(GCC,GEN)199704-199808
ROUGH ROAD PACKAGE
48341BBUMPER, REAR SPRING, NO.1 LH
main48341-12130iAE111,112,CE110,EE110..(GL,GLI,STD,XL,XLI)..(GCC,GEN); AE111..RHD..WG;EE110..LHD..3FC;AE111..SED..(GL,GLI,XL,XLI)..(GCC,GEN);AE112,CE110,EE110..(4F,4FC,5F)..(GCC,GEN)199704-199808
ROUGH ROAD PACKAGE
main48341-12180iEE110..GCC,GEN;AE111..RHD..WG;AE111..SED..(GCC,GEN,VEN);AE110,112,CE110,EE111..GCC,GEN,VEN199505-199901
48530ABSORBER ASSY, SHOCK, REAR RH
MARK 48530-1A070
main48530-19715iAE111,112,CE110,EE110..(GL,GLI,STD,XL,XLI)..(GCC,GEN); AE111..RHD..WG;EE110..LHD..3FC;AE111..SED..(GL,GLI,XL,XLI)..(GCC,GEN);AE112,CE110,EE110..(4F,4FC,5F)..(GCC,GEN)199704-199805
ROUGH ROAD PACKAGE
48540ABSORBER ASSY, SHOCK, REAR LH
main48540-19095iAE110..TH;AE111..MA;AE110..GLI;AE112,CE110,EE110..GCC,GEN,IDN,TH,TUR,VEN;AE111,EE111..(GL,GLI,XL,XLI)..(GCC,GEN,MA,TH,VEN)199704-199901
main48540-19165iAE111,112,CE110,EE110..(GL,GLI,STD,XL,XLI)..(GCC,GEN); AE111..RHD..WG;EE110..LHD..3FC;AE111..SED..(GL,GLI,XL,XLI)..(GCC,GEN);AE112,CE110,EE110..(4F,4FC,5F)..(GCC,GEN)199704-199805
ROUGH ROAD PACKAGE
48559CCOVER, REAR SHOCK ABSORBER DUST, RH NO.1
main48559-12090iAE111..RHD..WG;EE110..LHD..3FC;AE111..SED..(GL,GLI,XL,XLI)..(GCC,GEN,TUR);AE112,CE110,EE110..(4F,4FC,5F)..(ARL,GCC,GEN); EE111..TUR;AE112,CE110,EE110..ARL,BZ,GCC,GEN,GENKD,NZ,PHL;AE111..(GL,GLI,XL,XLI)..(ARL,GCC,GEN,GENKD,NZ,PHL,TUR)199704-199901
TOKAIGOMU
48559DCOVER, REAR SHOCK ABSORBER DUST, LH NO.1
main48559-12080iAE111..RHD..WG;CE110..XL..GEN;EE110..LHD..3FC;AE112,EE110..(4F,4FC,5F)..(ARL,GCC,GEN);AE111..SED..(GL,GLI,XL,XLI)..(GCC,GEN,TUR); AE111..WG..5F;AE111..LHD..WG..4FC;AE112,EE111..LHD..XLI;AE111..SED..(GL,GLI,XL,XLI)..(ARL,GCC,GEN,GENKD,NZ,PHL,TUR);AE112,CE110,EE110..(GL,GLI,SEG,STD,XL)..(ARL,BZ,GCC,GEN,GENKD,NZ,PHL)199704-200002
TOYO GOMU
main48559-12090iAE111..RHD..WG;EE110..LHD..3FC;AE111..SED..(GL,GLI,XL,XLI)..(GCC,GEN,TUR);AE112,CE110,EE110..(4F,4FC,5F)..(ARL,GCC,GEN); EE111..TUR;AE112,CE110,EE110..ARL,BZ,GCC,GEN,GENKD,NZ,PHL;AE111..(GL,GLI,XL,XLI)..(ARL,GCC,GEN,GENKD,NZ,PHL,TUR)199704-199901
TOKAIGOMU
48703CNUT(FOR REAR SUSPENSION ARM)
main90179-14025×4iEE110..GCC,GEN;AE111..RHD..WG;AE111,ZZE11#..SED..(GCC,GEN,TUR,VEN);AE110,112,CE110,EE111..ARL,GCC,GEN,VEN199505
48703EBOLT(FOR REAR SUSPENSION ARM)
*14-1.5PX222-29
48703HWASHER, NO.1(FOR REAR SUSPENSION ARM)
main90201-14035×12iEE110..GCC,GEN;AE111..RHD..WG;AE111,ZZE11#..SED..(GCC,GEN,TUR,VEN);AE110,112,CE110,EE111..ARL,GCC,GEN,VEN199505
48703JWASHER, NO.2(FOR REAR SUSPENSION ARM)
main90209-15002×2iAE110..TH;AE111..MA;AE111..WG..5F;AE111..LHD..WG..4FC;AE112..XLI..(BZ,GCC,GEN,IDN);AE111,EE111..SED..(GL,GLI,STD,XL,XLI);AE110,112,CE110,EE110..GL,GLI,SEG,STD,XL199704
48710AARM ASSY, REAR SUSPENSION, NO.1 RH
48720AARM ASSY, REAR SUSPENSION, NO.1 LH
48730FARM ASSY, REAR SUSPENSION, NO.2 RH
TYPE A:REFER TO ILLUSTRATION
main48730-13020iAE110..TH;AE111..MA;AE111..WG..5F;AE111..LHD..WG..4FC;AE110,CE110..(GLI,XL)..GEN;AE112,EE110..BZ,GCC,GEN,GENKD,IDN,PHL,TH,TUR;AE111,EE111..SED..(GL,GLI,XL,XLI)..(GCC,GEN,GENKD,MA,PHL,TH)199704
TYPE B:REFER TO ILLUSTRATION
48730GNUT, NO.1(FOR REAR SUSPENSION ARM NO.2 RH)
main90179-16022iAE110..TH;AE111..MA;AE111..WG..5F;AE111..LHD..WG..4FC;AE110,CE110..(GLI,XL)..GEN;AE112,EE110..BZ,GCC,GEN,GENKD,IDN,PHL,TH,TUR;AE111,EE111..SED..(GL,GLI,XL,XLI)..(GCC,GEN,GENKD,MA,PHL,TH)199704
TYPE A:REFER TO ILLUSTRATION
main90179-18016iAE110..4FC; EE110..GENKD,PHL,TUR;AE111,112,EE111..(GLI,SEG,XLI)..(BZ,GENKD,IDN,MA,PHL,TH,VEN); EE111..GEN;AE11#,CE110,EE110..GCC,GEN,VEN199910
TYPE B:REFER TO ILLUSTRATION
48730HNUT, NO.2(FOR ARM ASSY, REAR SUSPENSION, NO.2 RH)
TYPE A:REFER TO ILLUSTRATION
main90179-18017iAE110..4FC; EE110..GENKD,PHL,TUR;AE111,112,EE111..(GLI,SEG,XLI)..(BZ,GENKD,IDN,MA,PHL,TH,VEN); EE111..GEN;AE11#,CE110,EE110..GCC,GEN,VEN199910
TYPE B:REFER TO ILLUSTRATION
48740FARM ASSY, REAR SUSPENSION, NO.2 LH
TYPE A:REFER TO ILLUSTRATION
TYPE B:REFER TO ILLUSTRATION
48740LNUT, NO.1(FOR REAR SUSPENSION ARM NO.2 LH)
TYPE A:REFER TO ILLUSTRATION
main90179-18016iAE110..4FC; EE110..GENKD,PHL,TUR;AE111,112,EE111..(GLI,SEG,XLI)..(BZ,GENKD,IDN,MA,PHL,TH,VEN); EE111..GEN;AE11#,CE110,EE110..GCC,GEN,VEN199910
TYPE B:REFER TO ILLUSTRATION
48740MNUT, NO.2(FOR ARM ASSY, REAR SUSPENSION, NO.2 LH)
TYPE A:REFER TO ILLUSTRATION
main90179-18017iAE110..4FC; EE110..GENKD,PHL,TUR;AE111,112,EE111..(GLI,SEG,XLI)..(BZ,GENKD,IDN,MA,PHL,TH,VEN); EE111..GEN;AE11#,CE110,EE110..GCC,GEN,VEN199910
TYPE B:REFER TO ILLUSTRATION
48750JNUT(FOR REAR SUPPORT TO REAR SHOCK ABSORBER RH)
main90179-14015iEE110..GCC,GEN;AE111..RHD..WG;AE111,ZZE11#..SED..(GCC,GEN,TUR,VEN);AE110,112,CE110,EE111..ARL,GCC,GEN,VEN199505
48750KCOLLAR(FOR REAR SUPPORT TO REAR SHOCK ABSORBER RH)
main90387-15027iAE110..TH;AE111..MA;AE111..WG..5F;AE111..LHD..WG..4FC;AE112..XLI..(BZ,GCC,GEN,IDN);AE111,EE111..SED..(GL,GLI,STD,XL,XLI);AE110,112,CE110,EE110..GL,GLI,SEG,STD,XL199704
48753BCOVER, REAR SUSPENSION SUPOPORT, NO.1 RH
main48753-12050iEE110..GCC,GEN;AE111..RHD..WG;AE111,ZZE11#..SED..(GCC,GEN,TUR,VEN);AE110,112,CE110,EE111..ARL,GCC,GEN,VEN199505
48753CCOVER, REAR SUSPENSION SUPOPORT, NO.1 LH
48753DCOVER, REAR SUSPENSION SUPOPORT, NO.2 RH
48753ECOVER, REAR SUSPENSION SUPOPORT, NO.2 LH
48760CNUT(FOR REAR SUPPORT TO REAR SHOCK ABSORBER LH)
main90179-14015iEE110..GCC,GEN;AE111..RHD..WG;AE111,ZZE11#..SED..(GCC,GEN,TUR,VEN);AE110,112,CE110,EE111..ARL,GCC,GEN,VEN199505
48760DCOLLAR(FOR REAR SUPPORT TO REAR SHOCK ABSORBER LH)
main90387-15027iEE110..GCC,GEN;AE111..RHD..WG;AE111,ZZE11#..SED..(GCC,GEN,TUR,VEN);AE110,112,CE110,EE111..ARL,GCC,GEN,VEN199505
48780AROD ASSY, STRUT, REAR
main48780-12080×2iEE110..GCC,GEN;AE111..RHD..WG;AE111,ZZE11#..SED..(GCC,GEN,TUR,VEN);AE110,112,CE110,EE111..ARL,GCC,GEN,VEN199505
48780BBOLT(FOR STRUT ROD)
main90119-12152×4iEE110..GCC,GEN;AE111..RHD..WG;AE111,ZZE11#..SED..(GCC,GEN,TUR,VEN);AE110,112,CE110,EE111..ARL,GCC,GEN,VEN199505
48780CNUT(FOR STRUT ROD)
main90179-12091×4iEE110..GCC,GEN;AE111..RHD..WG;AE111,ZZE11#..SED..(GCC,GEN,TUR,VEN);AE110,112,CE110,EE111..ARL,GCC,GEN,VEN199505
48812BAR, STABILIZER, REAR
W(FRONT STABILIZER),(L)
main48812-12170iAE111,EE111..RHD..SED..(3FC,5F)..(GLI,XLI)..GEN; AE111..SEG..GEN;AE110,EE111..XLI..GEN;AE111..RHD..SED..5F..(GLI,XLI)..GEN; CE110..GEN199704-199910
W(FRONT STABILIZER); W(FRONT STABILIZER),(J)
NEW ZEALAND SPEC
48818BUSH, STABILIZER, REAR
W(FRONT STABILIZER)
NEW ZEALAND SPEC
main48818-12220×2iAE111..WG..5F;AE111..LHD..WG..4FC;AE112,EE111..BZ,GCC,GEN;AE111..SED..(GL,GLI,XL,XLI)..(GCC,GEN,GENKD);AE110,CE110,EE110..(GL,GLI,STD,XL)..(GCC,GEN,GENKD,TUR)199704-200207
48830ANUT(FOR REAR STABILIZER LINK)
main90179-10183×4iAE110..TH;AE111..MA;AE111..WG..5F;AE111..LHD..WG..4FC;AE112..XLI..(BZ,GCC,GEN,IDN);AE111,EE111..SED..(GL,GLI,STD,XL,XLI);AE110,112,CE110,EE110..GL,GLI,SEG,STD,XL199704
48830DLINK ASSY, REAR STABILIZER, RH
main48830-20010iAE112..XLI..(BZ,IDN);AE110,111,EE11#..ARL,MA,PHL,TH,TUR,VEN;AE112..(GLI,SEG)..(ARL,BZ,IDN,PHL,TH,VEN)199711
48832ABRACKET, REAR STABILIZER BAR, NO.1
48840ALINK ASSY, REAR STABILIZER, LH
NEW ZEALAND SPEC
9017908122
main90179-08122
9161160816
main91611-60816
49 parts on this diagram · 1 diagram in section