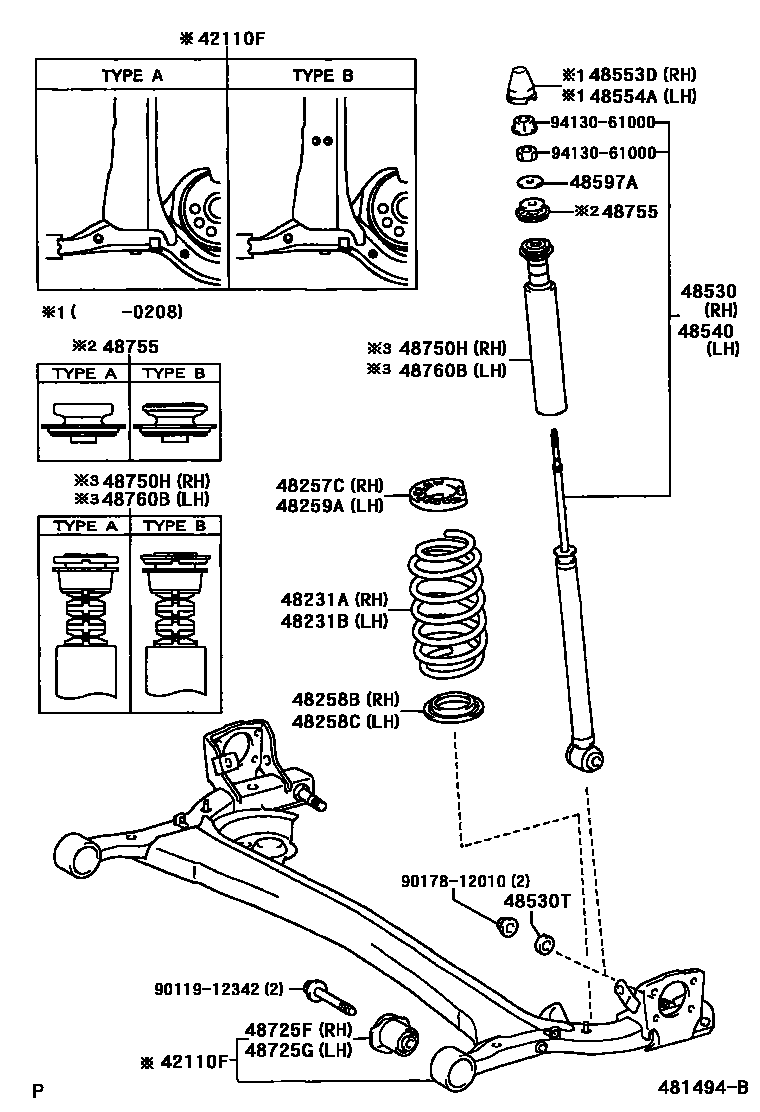
REAR SPRING & SHOCK ABSORBER

42110FBEAM ASSY, REAR AXLE
TYPE A:REFER TO ILLUSTRATION
TYPE A:REFER TO ILLUSTRATION & ROUGH ROAD PACKAGE
TYPE A:REFER TO ILLUSTRATION & ROUGH ROAD PACKAGE
TYPE B:REFER TO ILLUSTRATION & ROUGH ROAD PACKAGE
TYPE A:REFER TO ILLUSTRATION
TYPE A:REFER TO ILLUSTRATION & ROUGH ROAD PACKAGE
TYPE B:REFER TO ILLUSTRATION & ROUGH ROAD PACKAGE
48231ASPRING, COIL, REAR RH
ORANGE PAINTED
GREEN PAINTED
YELLOW PAINTED
ORANGE PAINTED
YELLOW PAINTED
48231BSPRING, COIL, REAR LH
ORANGE PAINTED
GREEN PAINTED
YELLOW PAINTED
ORANGE PAINTED
YELLOW PAINTED
48257CINSULATOR, REAR COIL SPRING, UPPER RH
48258BINSULATOR, REAR COIL SPRING, LOWER RH
48258CINSULATOR, REAR COIL SPRING, LOWER LH
48259AINSULATOR, REAR COIL SPRING, UPPER LH
48530ABSORBER ASSY, SHOCK, REAR RH
MARK 48530-52050
MARK 48530-52051
MARK 48530-52051
MARK 48530-52230
MARK 48530-52231
MARK 48530-52231
MARK 48530-52240
MARK 48530-52350
MARK 48530-52350
MARK 48530-52700
MARK 48530-52790
MARK 48530-52231
MARK 48530-52790
48530TSPACER(FOR REAR SHOCK ABSORBER)
48540ABSORBER ASSY, SHOCK, REAR LH
PART NUMBER LABEL=48530-52050
MARK 48530-52051,PART NUMBER LABEL=48530-52051
MARK 48530-52051
PART NUMBER LABEL=48530-52230
MARK 48530-52231,PART NUMBER LABEL=48530-52231
MARK 48530-52231
PART NUMBER LABEL=48530-52240
MARK 48530-52350,PART NUMBER LABEL=48530-52350
MARK 48530-52350
MARK 48530-52700
MARK 48530-52790
MARK 48530-52231
MARK 48530-52790
48553DCAP, REAR SHOCK ABSORBER, RH
48554ACAP, REAR SHOCK ABSORBER, LH
48597ARETAINER, REAR SHOCK ABSORBER CUSHION
48725FBUSH, REAR AXLE CARRIER, RH
ROUGH ROAD PACKAGE
ROUGH ROAD PACKAGE
48725GBUSH, REAR AXLE CARRIER, LH
ROUGH ROAD PACKAGE
ROUGH ROAD PACKAGE
48750HSUPPORT ASSY, REAR SUSPENSION, RH
TYPE B:REFER ILLUST.
48755SUPPORT, REAR SUSPENSION
TYPE B:REFER ILLUST.
48760BSUPPORT ASSY REAR SUSPENSION, LH
TYPE B:REFER ILLUST.
9011912342
main90119-12342
9017812010
main90178-12010
9413061000
main94130-61000
21 parts on this diagram · 1 diagram in section