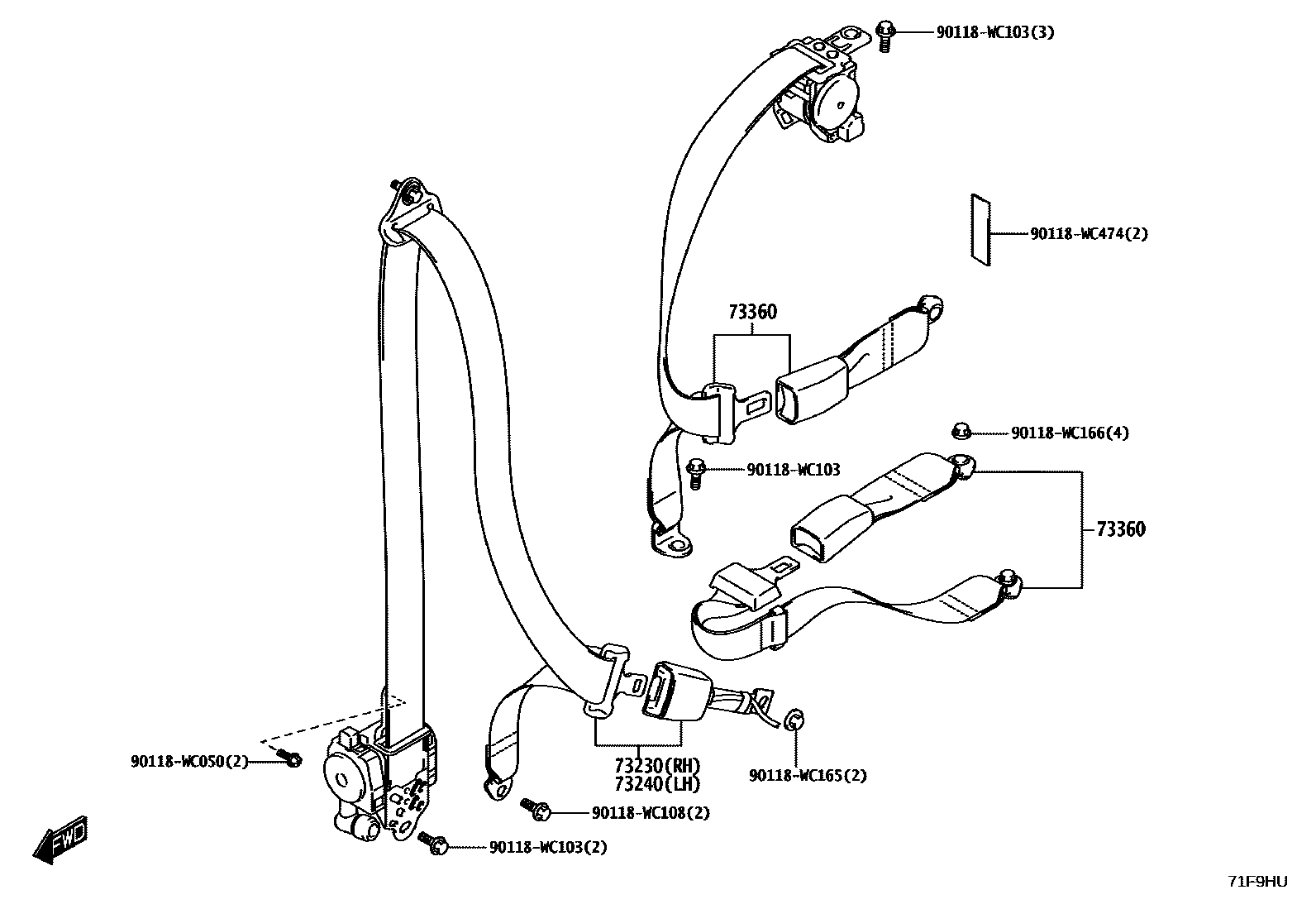
SEAT BELT & CHILD RESTRAINT SEAT

73230BELT ASSY, FRONT SEAT INNER, RH
POS.1; POS.3; POS.4; POS.6
POS.10; POS.2; POS.5; POS.7; POS.8; POS.9
73240BELT ASSY, FRONT SEAT INNER, LH
POS.1; POS.3; POS.4; POS.6
POS.10; POS.2; POS.5; POS.7; POS.8; POS.9
73360BELT ASSY, REAR SEAT 3 POINT TYPE, OUTER RH
POS.1; POS.3; POS.4; POS.6
POS.10; POS.2; POS.5; POS.7; POS.8; POS.9
90118WC050
main90118-WC050
90118WC103
main90118-WC103
90118WC108
main90118-WC108
90118WC165
main90118-WC165
90118WC166
main90118-WC166
90118WC474
main90118-WC474
9 parts on this diagram · 1 diagram in section