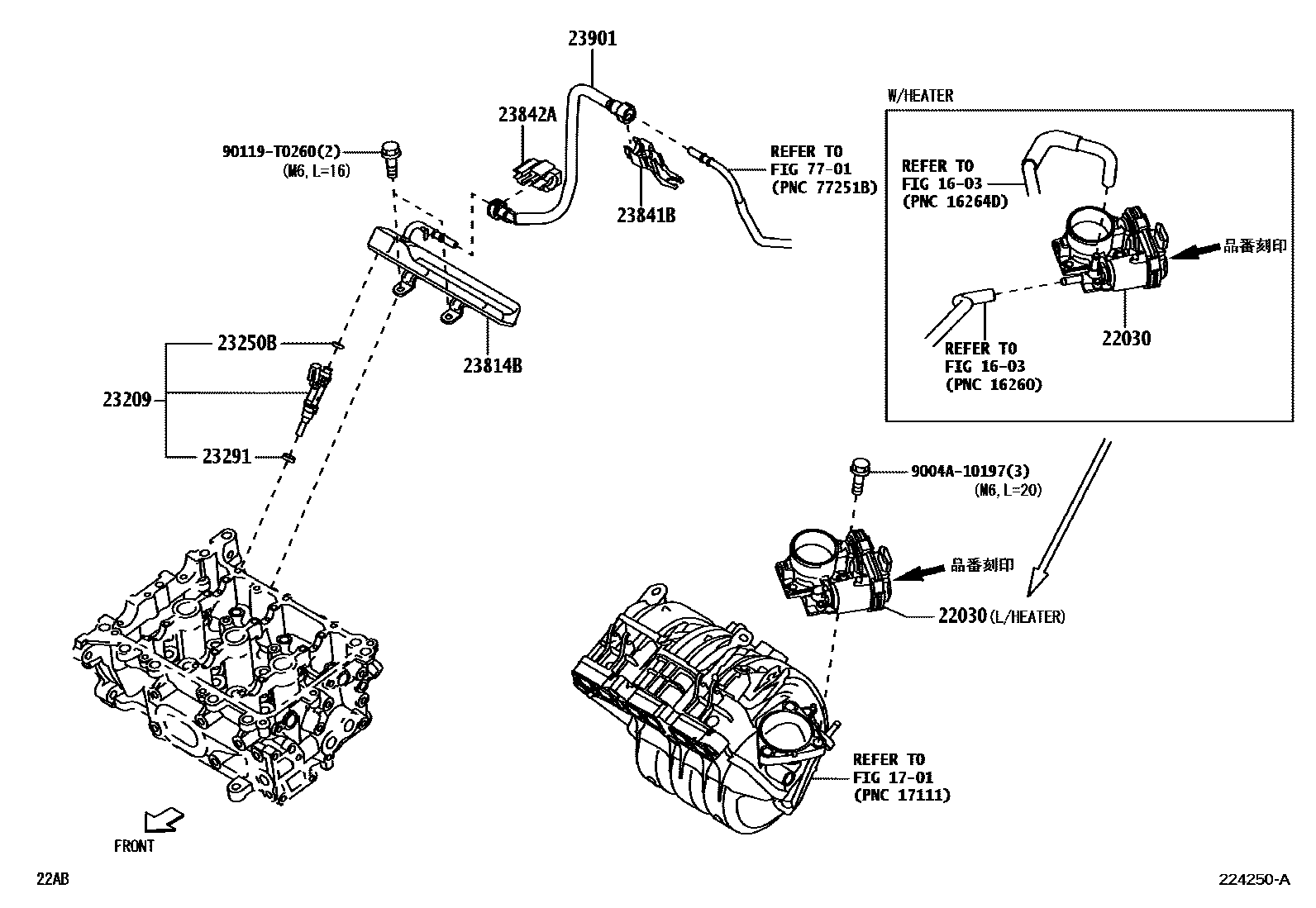
FUEL INJECTION SYSTEM

1603RADIATOR & WATER OUTLET
1701MANIFOLD
22030BODY ASSY, THROTTLE W/THROTTLE POSITION SENSOR
W/PART NUMBER MARK
W/PART NUMBER MARK
W/PART NUMBER MARK
DESTINATION PACKAGE(ASIA)-BRUNEI,SRI LANKA,W/PART NUMBER MARK; W/PART NUMBER MARK
23209INJECTOR SET, FUEL
23250INJECTOR ASSY, FUEL
23250BRING, O(FOR FUEL INJECTOR)
23291INSULATOR, INJECTOR VIBRATION
23841BCLAMP, FUEL PIPE, NO.1(FOR EFI)
23842ACLAMP, FUEL PIPE, NO.2(FOR EFI)
7701FUEL TANK & TUBE
9004A10197
main9004A-10197
90119T0260
main90119-T0260
14 parts on this diagram · 2 diagrams in section