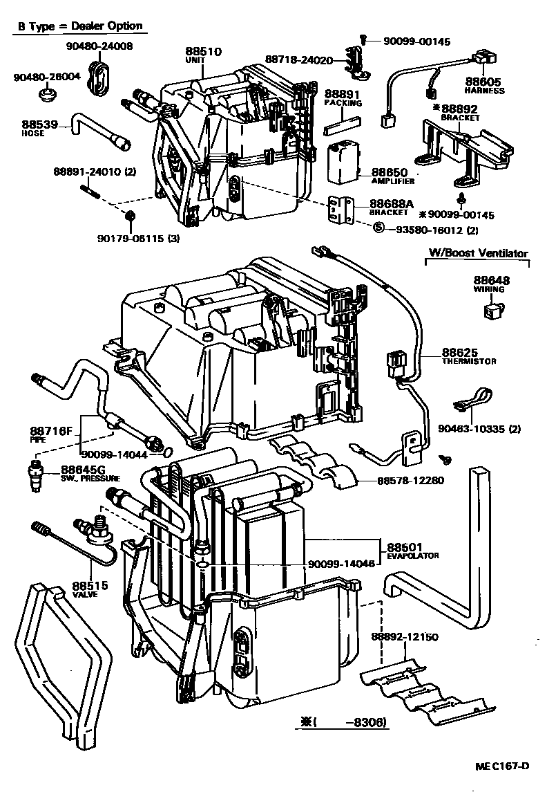
HEATING & AIR CONDITIONING - COOLER UNIT

88501EVAPORATOR SUB-ASSY, COOLER, NO.1
B TYPE
A TYPE
88510UNIT ASSY, COOLER
B TYPE
B TYPE
B TYPE
A TYPE
A TYPE
88515VALVE, COOLER EXPANSION
88539HOSE, COOLER UNIT DRAIN, NO.1
A TYPE
B TYPE
88605HARNESS SUB-ASSY, COOLER WIRING, NO.1
W/BOOST VENTILATOR ONLY
W/HEATER
88625THERMISTOR, COOLER, NO.1
B TYPE
A TYPE
88645GSWITCH, PRESSURE
B TYPE
B TYPE
A TYPE
88648WIRING, COOLER, NO.1
W/BOOST VENTILATOR ONLY
88650AMPLIFIER ASSY, COOLER STABILIZER
B TYPE,W/*BV
B TYPE
A TYPE,W/HEATER
B TYPE,W/HEATER
A TYPE
B TYPE
B TYPE,W/HEATER
B TYPE
A TYPE,B TYPE,W/*BV
A TYPE,W/*BV
88688ABRACKET, COOLER STABILIZER AMPLIFIER
88716FPIPE, COOLER REFRIGERANT LIQUID, F
88891PACKING (FOR COOLER)
B TYPE
88892BRACKET, COOLER EVAPORATOR MOUNTING
8857812280PAKING, COOLER AIR DUCT
main88578-12280
8871824020PIPE, COOLER REFRIGERANT SUCTION, NO.2
main88718-24020
8889124010PACKING (FOR COOLER)
main88891-24010
8889212150BRACKET, COOLER EVAPORATOR MOUNTING
main88892-12150
9009900145
main90099-00145
9009914044
main90099-14044
9009914046
main90099-14046
9017906115
main90179-06115
9046310335
main90463-10335
9048024008
main90480-24008
9048026004
main90480-26004
9358016012
main93580-16012
25 parts on this diagram · 2 diagrams in section