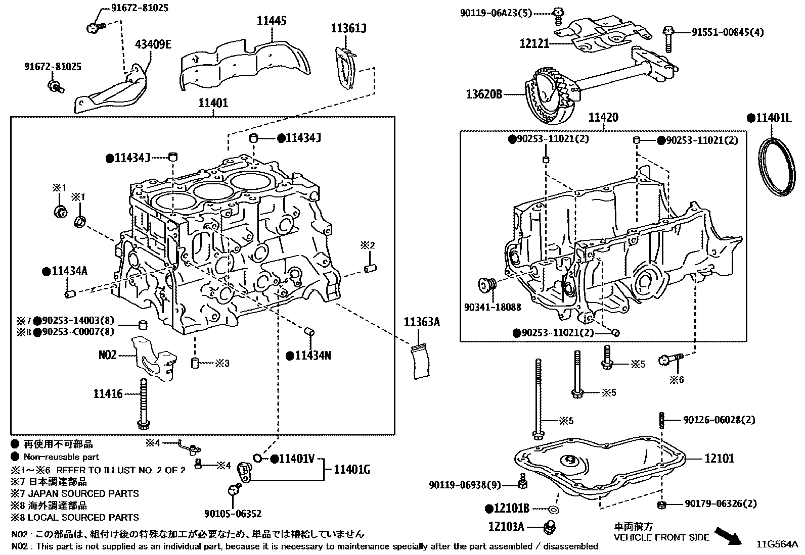
CYLINDER BLOCK

11361JCOVER, FLYWHEEL HOUSING UNDER
11363ACOVER, FLYWHEEL HOUSING SIDE
11401BLOCK SUB-ASSY, CYLINDER
11401GSENSOR, CRANK POSITION
11401LSEAL, ENGINE REAR OIL
11401VO-RING, CRANK POSITION SENSOR
11416BOLT(FOR CRANKSHAFT BEARING CAP SET)
11420CRANKCASE ASSY, STIFFENING
11434APIN, STRAIGHT(FOR TIMING GEAR COVER SET)
L=14,OD=6
11434JPIN, RING (FOR CYLINDER HEAD SET)
11434NPIN, STRAIGHT(FOR WATER INLET HOUSING)
11445SPACER, CYLINDER BLOCK WATER JACKET
12101PAN SUB-ASSY, OIL
12101APLUG(FOR OIL PAN DRAIN)
12101BGASKET(FOR OIL PAN DRAIN PLUG)
12121PLATE, OIL PAN BAFFLE, NO.1
13620BBALANCER ASSY, ENGINE
43409EINSULATOR SUB-ASSY, DRIVE SHAFT HEAT
9010506352
main90105-06352
9011906938
main90119-06938
9011906A23
main90119-06A23
9012606028
main90126-06028
9017906326
main90179-06326
9025311021
main90253-11021
9025314003
main90253-14003
90253C0007
main90253-C0007
9034118088
main90341-18088
9155100845
main91551-00845
9167281025
main91672-81025
29 parts on this diagram · 4 diagrams in section