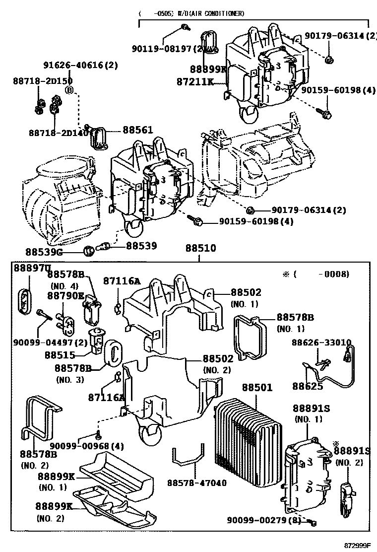
HEATING & AIR CONDITIONING - COOLER UNIT

87116ASPRING, HOLDING (FOR COOLER UNIT CASE)
REAR
87211KDUCT, AIR
88501EVAPORATOR SUB-ASSY, COOLER, NO.1
88502CASE SUB-ASSY, COOLING UNIT
NO.1
NO.2
FRONT,NO.1
NO.2
COOL BOX
88510UNIT ASSY, COOLER
DEALER OPTION
88515VALVE, COOLER EXPANSION
DEALER OPTION
DEALER OPTION
MAKER OPTION
88539HOSE, COOLER UNIT DRAIN, NO.1
REAR
88539GGROMMET (FOR COOLER UNIT DRAIN HOSE)
88561COVER, COOLER UNIT
88578BPACKING, COOLING UNIT, NO.1
NO.1
NO.2
NO.3
NO.4
88625THERMISTOR, COOLER, NO.1
DEALER OPTION
DEALER OPTION
88790ETUBE & ACCESSORY ASSY, AIRCONDITIONER
88891SCOVER, COOLER, NO.1
W(AIR CONDITIONER),NO.1
NO.1
NO.2
NO.1
NO.1
88897UPIPE, ASPIRATOR
88899KPLATE, COVER
W/O(AIR CONDITIONER)
NO.1; W(AIR CONDITIONER),NO.1
NO.2
NO.2; W(AIR CONDITIONER),NO.2
8857847040PAKING, COOLER AIR DUCT
main88578-47040
8862633010CASE, BLOWER DRIVE SHAFT BEARING
main88626-33010
887182D140PIPE, COOLER REFRIGERANT SUCTION, NO.2
main88718-2D140
887182D150PIPE, COOLER REFRIGERANT SUCTION, NO.2
main88718-2D150
9009900279
main90099-00279
9009900968
main90099-00968
9009904497
main90099-04497
9011908197
main90119-08197
9015960198
main90159-60198
9017906314
main90179-06314
9162640616
main91626-40616
26 parts on this diagram · 6 diagrams in section