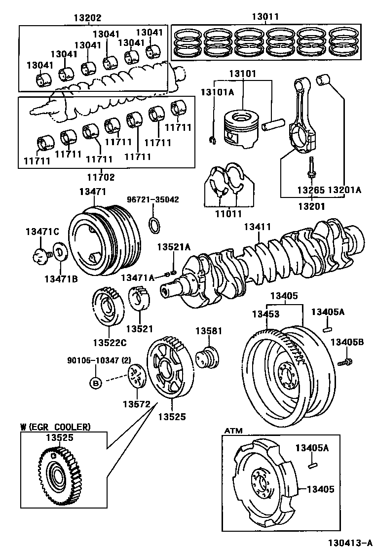
CRANKSHAFT & PISTON

11011WASHER SET, CRANKSHAFT THRUST
STD
STD
O/S 0.125
11702BEARING SET, CRANKSHAFT
U/S 0.25
U/S 0.50
11711BEARING, CRANKSHAFT
MARK 1,NO.2,3,4 REFER R/M
MARK 2,NO.2,3,4 REFER R/M
MARK 3,NO.2,3,4 REFER R/M
MARK 4,NO.2,3,4 REFER R/M
MARK 5,NO.2,3,4 REFER R/M
MARK1,NO.2,3,4 REFER R/M
MARK2,NO.2,3,4 REFER R/M
MARK3,NO.2,3,4 REFER R/M
MARK4,NO.2,3,4 REFER R/M
MARK5,NO.2,3,4 REFER R/M
REFER TO REPAIR MANUAL,MARK 2
MARK 3:REFER TO REPAIR MANUAL,MARK 3
MARK 4:REFER TO REPAIR MANUAL,MARK 4
MARK 5:REFER TO REPAIR MANUAL,MARK 5
REFER TO REPAIR MANUAL,MARK 6
MARK 7:REFER TO REPAIR MANUAL,MARK 7
MARK 3,NO.1,5 REFER R/M
MARK 4,NO.1,5 REFER R/M
MARK 5,NO.1,5 REFER R/M
MARK 6,NO.1,5 REFER R/M
MARK 7,NO.1,5 REFER R/M
MARK 3,NO.1,5 REFER R/M
MARK 4,NO.1,5 REFER R/M
MARK 5,NO.1,5 REFER R/M
MARK 6,NO.1,5 REFER R/M
MARK 7,NO.1,5 REFER R/M
MARK3,NO.1,5 REFER R/M
MARK4,NO.1,5 REFER R/M
MARK5,NO.1,5 REFER R/M
MARK6,NO.1,5 REFER R/M
MARK7,NO.1,5 REFER R/M
13011RING SET, PISTON
STD
STD
STD
STD,GULF SPEC
STD,CHINA OR COSTA RICA OR RUSSIA OR SOUTH AFRICA OR SOUTH AMERICA SPEC
O/S 0.50
O/S 0.50
O/S 0.50
O/S 0.50,LEADED GASOLINE SPEC
O/S 0.75
13041BEARING, CONNECTING ROD
MARK 2:REFER TO REPAIR MANUAL,MARK 2
MARK 3:REFER TO REPAIR MANUAL,MARK 3
MARK 4:REFER TO REPAIR MANUAL,MARK 4
MARK 5:REFER TO REPAIR MANUAL,MARK 5
MARK 6:REFER TO REPAIR MANUAL,MARK 6
REFER TO REPAIR MANUAL,MARK 2
REFER TO REPAIR MANUAL,MARK 3
REFER TO REPAIR MANUAL,MARK 4
REFER TO REPAIR MANUAL,MARK 5
REFER TO REPAIR MANUAL,MARK 6
REFER TO REPAIR MANUAL,MARK 7
MARK2,REFER REPAIR MANUAL
MARK3,REFER REPAIR MANUAL
REFER TO REPAIR MANUAL,MARK4
MARK5,REFER REPAIR MANUAL
REFER TO REPAIR MANUAL,MARK6
REFER TO REPAIR MANUAL,MARK7
13101PISTON SUB-ASSY, W/PIN
STD,MARK 1:REFER TO REPAIR MANUAL,MARK 1
STD,REFER TO REPAIR MANUAL,MARK 2
STD,REFER TO REPAIR MANUAL,MARK 3
STD,W(EGR COOLER):FIG 25-01,MARK 1:REFER TO REPAIR MANUAL,MARK 1
STD,W(EGR COOLER):FIG 25-01,MARK 2:REFER TO REPAIR MANUAL,MARK 2
STD,W(EGR COOLER):FIG 25-01,MARK 3:REFER TO REPAIR MANUAL,MARK 3
STD,REFER TO REPAIR MANUAL,MARK 1,MARK 50050
STD,REFER TO REPAIR MANUAL,MARK 2,MARK 50050
STD,REFER TO REPAIR MANUAL,MARK 3,MARK 50050
STD,REFER TO REPAIR MANUAL,MARK 1,MARK 50051
STD,REFER TO REPAIR MANUAL,MARK 2,MARK 50051
STD,REFER TO REPAIR MANUAL,MARK 3,MARK 50051
STD,REFER TO REPAIR MANUAL,MARK 1
STD,REFER TO REPAIR MANUAL,MARK 2
STD,REFER TO REPAIR MANUAL,MARK 3
O/S 0.50
O/S 0.50,W(EGR COOLER):FIG 25-01
O/S 0.50,MARK 50050
O/S 0.50,MARK 50051
O/S 0.50
O/S 0.75,W(EGR COOLER):FIG 25-01
13101ARING, HOLE SNAP(FOR PISTON PIN)
13201ROD SUB-ASSY, CONNECTING
13201ABUSH(FOR CONNECTING ROD SMALL END)
13202BEARING SET, CONNECTING ROD
U/S 0.25
U/S 0.50
13265BOLT, CONNECTING ROD
13405FLYWHEEL SUB-ASSY
13405APIN, STRAIGHT(FOR FLYWHEEL)
L=15,OD=5
L=22,OD=10
13405BBOLT, FLYWHEEL SETTING
13411CRANKSHAFT
13453GEAR, FLYWHEEL RING
13471PULLEY, CRANKSHAFT
13471AKEY, CRANKSHAFT(FOR CRANKSHAFT PULLEY SET)
13471BWASHER, PLATE(FOR CRANKSHAFT PULLEY SET)
13471CBOLT(FOR CRANKSHAFT PULLEY SET)
13521AKEY(FOR CRANKSHAFT TIMING GEAR)
13581SHAFT, IDLE GEAR, NO.1
9010510347
main90105-10347
9672135042
main96721-35042
28 parts on this diagram · 2 diagrams in section