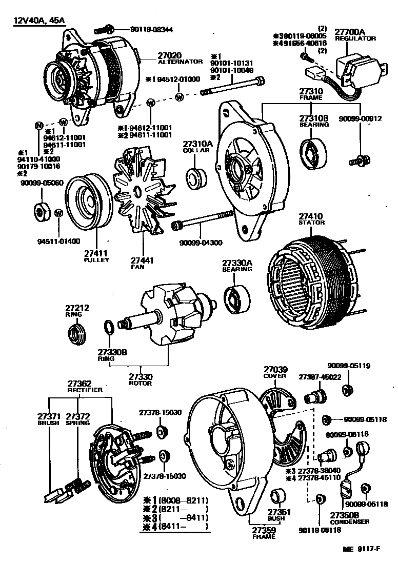
ALTERNATOR

27020ALTERNATOR ASSY
24V 25A,24V 25A
12V 40A,12V 40A
12V 40A,12V 40A,W/PS
12V 40A
24V 25A
12V 50A,12V 50A
12V 55A
12V 45A,12V 45A
12V 40A,12V 40A
12V 55A,12V 55A
12V 40A
12V 40A
24V 25A
24V 25A
24V 25A,24V 25A
12V 40A,12V 40A
12V 45A,12V 45A
12V 55A,12V 55A
24V 30A,24V 30A
12V 80A,12V 80A
24V 40A,24V 40A
12V 65A,12V 65A
27039COVER, ALTERNATOR REAR END
12V 50A,55A
12V 40A,45A
12V 40A,24V 25A
27212RING, SPACE(FOR ALTERNATOR ROTOR)
12V 40A,45A
12V 40A,24V 25A
12V 50A,65A
12V 50A,55A,65A
12V 40A,24V 25A
27310FRAME ASSY, DRIVE END, ALTERNATOR
12V 40A,45A
12V 50A
12V 65A
12V 40A,24V 25A
24V 25A
12V 40A
12V 40A; 12V 45A
12V 55A
12V 40A,24V 25A
12V 40A
12V 80A,24V 40A
27310ACOLLAR OR NUT(FOR ALTERNATOR DRIVE END FRAME)
12V 40A,45A,50A,55A
12V 40A,45A,55A,24V 25A,30A
12V 40A,24V 25A
27310BBEARING(FOR ALTERNATOR DRIVE END FRAME)
12V 40A,24V 25A
12V 65A
12V 55A
12V 40A,45A,55A,24V 25A,30A
27330ROTOR ASSY, ALTERNATOR
12V 40A
12V 65A
12V 45A
12V 50A
12V 55A
12V 40A
24V 25A
12V 45A
24V 25A
12V 40A
12V 55A
12V 55A
12V 80A
24V 40A
27330ABEARING(FOR ALTERNATOR ROTOR)
main90099-10111i2F,3F..FJ6#..ARL; 2F..FJ60..LUB;3F..FJ62..HRF;2F..FJ60..HRF..SOB;3F..FJ62..SRF..LUB198305-198510
12V 45A; 12V 55A
12V 45A; 12V 65A
27330BRING, SNAP(FOR ALTERNATOR ROTOR)
12V 40A,45A
12V 40A,24V 25A
12V 80A,24V 40A
27350FRAME ASSY, RECTIFIER END
24V 25A
24V 25A
12V 40A
12V 40A,24V 25A
12V 40A
12V 40A
12V 40A,45A
24V 25A,30A
12V 80A,24V 40A
12V 65A
27350BCONDENSER, ALTERNATOR
12V 40A,45A,50A,55A,65A
24V 25A
12V 40A
27351BUSH(FOR ALTERNATOR RECTIFIER END FRAME)
12V 40A,45A,50A,55A,65A
12V 40A,45A,55A,24V 25A,30A
27359FRAME, ALTERNATOR RECTIFIER END
12V 40A,45A
12V 50A
12V 55A
27362RECTIFIER ASSY, W/BRUSH
12V 50A
12V 40A,45A
12V 40A,45A
12V 55A
12V 55A
12V 55A
12V 65A
27371BRUSH, ALTERNATOR
12V 40A,45A,50A,55A,65A
12V 80A,24V 40A
27372SPRING, ALTERNATOR BRUSH
12V 40A,45A,50A,55A,65A
12V 40A,45A,55A,24V 25A,30A
27410STATOR ASSY, ALTERNATOR
12V 45A
12V 50A,55A
12V 55A; 12V 65A
12V 40A
12V 40A
12V 45A
24V 25A
24V 30A
24V 25A
12V 40A
12V 55A
12V 45A
12V 80A
24V 40A
27411PULLEY, ALTERNATOR
12V 40A,24V 25A
12V 40A,24V 25A
12V 40A,24V 25A
12V 40A,45A,50A,55A
12V 65A
12V 40A,45A,55A,24V 25A,30A
12V 40A,24V 25A
12V 80A,24V 40A
27441FAN, ALTERNATOR
12V 45A
12V 65A
12V 55A
12V 40A,24V 25A
12V 80A,24V 40A
12V 40A,45A,55A,24V 25A,30A
27700AREGULATOR ASSY, GENERATOR
12V,STD TYPE
12V,STD TYPE
12V,STD TYPE
12V,IC TYPE
24V,STD TYPE
24V IC TYPE
12V IC TYPE
24V,STD TYPE
24V,STD TYPE
12V,IC TYPE
2737815030INSULATOR, ALTERNATOR, NO.1
main27378-15030
2737838040INSULATOR, ALTERNATOR, NO.1
main27378-38040
2737845110INSULATOR, ALTERNATOR, NO.1
main27378-45110
2738745022INSULATOR, TERMINAL
main27387-45022
9009900912
main90099-00912
9009904300
main90099-04300
9009905060
main90099-05060
9009905118
main90099-05118
9009905119
main90099-05119
9010110049
main90101-10049
9010110131
main90101-10131
9011905118
main90119-05118
9011906005
main90119-06005
9011908344
main90119-08344
9017910016
main90179-10016
9165640616
main91656-40616
9411041000
main94110-41000
9451101400
main94511-01400
9451201000
main94512-01000
9461111001
main94611-11001
9461211001
main94612-11001
41 parts on this diagram · 7 diagrams in section