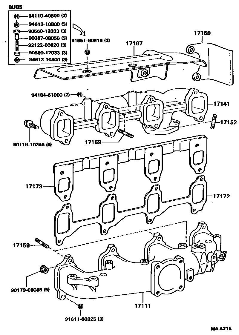
MANIFOLD

17141MANIFOLD, EXHAUST
17152BOLT, STUD(FOR MANIFOLD TO EXHAUST PIPE)
17159BOLT, STUD(FOR MANIFOLD TO CYLINDER HEAD)
EXHAUST MANIFOLD
INTAKE MANIFOLD
17167INSULATOR, EXHAUST MANIFOLD HEAT, NO.1
17168INSULATOR, EXHAUST MANIFOLD HEAT, NO.2
17172GASKET, MANIFOLD TO CYLINDER HEAD
17173GASKET, EXHAUST MANIFOLD TO HEAD
9011910346
main90119-10346
9017908088
main90179-08088
9038708056
main90387-08056
9056012033
main90560-12033
9161160825
main91611-60825
9165160816
main91651-60816
9212260820
main92122-60820
9411040800
main94110-40800
9418461000
main94184-61000
9461310800
main94613-10800
18 parts on this diagram · 1 diagram in section