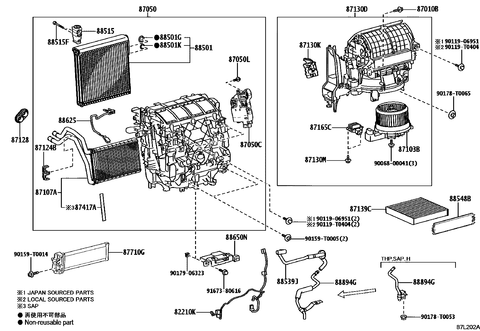
HEATING & AIR CONDITIONING - COOLER UNIT

82210KHARNESS ASSY, AIR CONDITIONER
FRONT AIR CONDITIONER-AUTO
87010BSCREW(FOR AIR CONDITIONER UNIT)
87050RADIATOR ASSY, AIR CONDITIONER
FRONT AIR CONDITIONER-MANUAL
main87050-0KB80supersedes 87050-0KR90iGUN12#..LHD..DCB..SAP..H; GUN125,135..LHD..DCB..SAP..(L,S); GUN125..LHD..DCB..SAP..H202301-202401
FRONT AIR CONDITIONER-MANUAL; TOYOTA STOP & START SYSTEM-WITHOUT&FRONT AIR CONDITIONER-MANUAL
FRONT AIR CONDITIONER-MANUAL
FRONT AIR CONDITIONER-AUTO
FRONT AIR CONDITIONER-MANUAL
FRONT AIR CONDITIONER-COOLER LESS
TOYOTA STOP & START SYSTEM-WITHOUT
FRONT AIR CONDITIONER-AUTO
87050CDAMPER SERVO SUB-ASSY, AIR CONDITIONER RADIATOR, NO.1
FRONT AIR CONDITIONER-AUTO
87050LSCREW(FOR AIR CONDITIONER RADIATOR)
87103BMOTOR SUB-ASSY, BLOWER W/FAN
87107AUNIT SUB-ASSY, HEATER RADIATOR
87124BCLAMP, HEATER
87128GROMMET, HEATER
87130DBLOWER ASSY
FRONT AIR CONDITIONER-AUTO
main87130-0K761supersedes 87130-0K601iGUN125..LHD..DCB..SAP..H; GUN126..LHD..SAP;GUN125..LHD..DCB..SAP..H; GUN135..SAP;GUN125..LHD..(SCB,XTR);GUN125..LHD..DCB..SAP..(L,S)202301-202401
FRONT AIR CONDITIONER-MANUAL; TOYOTA STOP & START SYSTEM-WITHOUT&FRONT AIR CONDITIONER-MANUAL
FRONT AIR CONDITIONER-MANUAL
FRONT AIR CONDITIONER-MANUAL
FRONT AIR CONDITIONER-AUTO
87130KDAMPER SERVO SUB-ASSY, BLOWER, NO.1
FRONT AIR CONDITIONER-AUTO
87130MSCREW(FOR BLOWER)
FRONT AIR CONDITIONER-AUTO; FRONT AIR CONDITIONER-MANUAL
87139CFILTER, CLEAN AIR
POLLEN FILTER,OE PART
POLLEN FILTER,OE PART
DEODORANT FILTER
87165CCONTROL, BLOWER MOTOR
FRONT AIR CONDITIONER-AUTO
87417APACKING, AIR DUCT
87710GQUICK HEATER ASSY
88501EVAPORATOR SUB-ASSY, COOLER, NO.1
main88501-0K420supersedes 88501-0K400iGUN125..LHD..DCB..SAP..H; GUN126..LHD..SAP;GUN125..LHD..DCB..SAP..H; GUN135..SAP;GUN125..LHD..(SCB,XTR);GUN125..LHD..DCB..SAP..(L,S)202301-202401
FRONT AIR CONDITIONER-MANUAL; TOYOTA STOP & START SYSTEM-WITHOUT; TOYOTA STOP & START SYSTEM-WITHOUT&FRONT AIR CONDITIONER-MANUAL
FRONT AIR CONDITIONER-MANUAL
FRONT AIR CONDITIONER-AUTO
88501GO-RING, COOLER EVAPORATOR NO.1(SUCTION)
ID=10.2,OD=15.0
88501KO-RING, COOLER EVAPORATOR NO.1(LIQUID)
ID=13.4,OD=18.2
88515VALVE, COOLER EXPANSION
main88515-0K600supersedes 88515-0K680iGUN125..LHD..DCB..SAP..H; GUN125..XTR..H;GUN125,135..SAP..(L,S); GUN126..SAP;GUN125..DCB..SAP..H202301-202401
FRONT AIR CONDITIONER-MANUAL; TOYOTA STOP & START SYSTEM-WITHOUT; TOYOTA STOP & START SYSTEM-WITHOUT&FRONT AIR CONDITIONER-MANUAL
FRONT AIR CONDITIONER-AUTO
88515FBOLT(FOR COOLER EXPANSION VALVE)
88539JHOSE, DRAIN COOLER
88548BCASE, AIR FILTER
88625THERMISTOR, COOLER, NO.1
FRONT AIR CONDITIONER-AUTO
88650NAMPLIFIER ASSY, AIR CONDITIONER
main88650-0K830supersedes 88650-0KA10iGUN125..XTR..H;GUN125,135..SAP..(L,S); GUN126..SAP;GUN125..DCB..SAP..H202208
FRONT AIR CONDITIONER-MANUAL
FRONT AIR CONDITIONER-AUTO
FRONT AIR CONDITIONER-COOLER LESS; WINDSHIELD DEICER-WITHOUT&FRONT AIR CONDITIONER-COOLER LESS
88894GCONNECTOR, DRAIN HOSE
main88894-0K100supersedes 88894-0K190iGUN125..LHD..DCB..SAP..H; GUN126..LHD..SAP;GUN125..LHD..DCB..SAP..H; GUN135..SAP;GUN125..LHD..(SCB,XTR);GUN125..LHD..DCB..SAP..(L,S)202301-202401
FRONT AIR CONDITIONER-MANUAL; TOYOTA STOP & START SYSTEM-WITHOUT; TOYOTA STOP & START SYSTEM-WITHOUT&FRONT AIR CONDITIONER-MANUAL
FRONT AIR CONDITIONER-AUTO
9006800041
main90068-00041
9011906951
main90119-06951
90119T0404
main90119-T0404
90159T0005
main90159-T0005
90159T0014
main90159-T0014
90178T0053
main90178-T0053
90178T0065
main90178-T0065
9017906323
main90179-06323
9167380616
main91673-80616
35 parts on this diagram · 5 diagrams in section