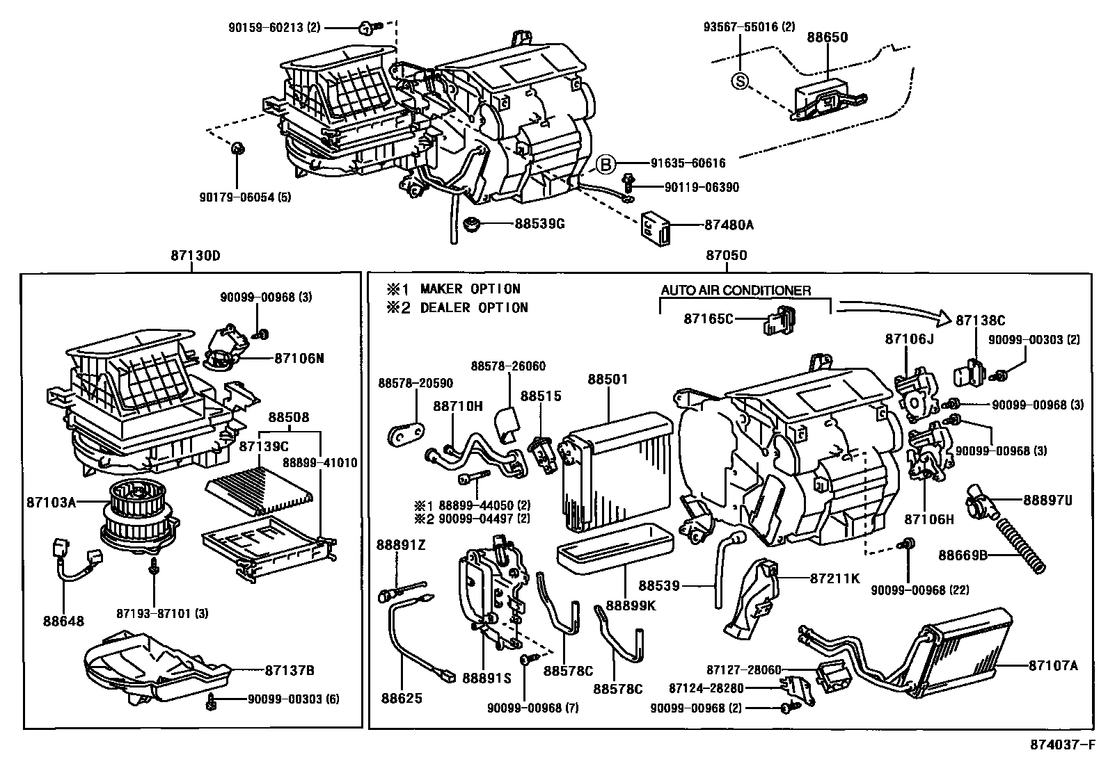
HEATING & AIR CONDITIONING - COOLER UNIT

87050RADIATOR ASSY, AIR CONDITIONER
W(AUTO AIR CONDITIONER)
COLD SPEC & AUTOMATIC AIR CONDITIONER
W(MANUAL AIR CONDITIONER)
W(MANUAL AIR CONDITIONER)
W(MANUAL AIR CONDITIONER & REAR HEATER)
W(REAR HEATER)
W(MANUAL AIR CONDITIONER)
W(MANUAL AIR CONDITIONER & REAR HEATER)
W(REAR HEATER)
W(AUTO AIR CONDITIONER)
COLD SPEC & AUTOMATIC AIR CONDITIONER
W(AUTO AIR CONDITIONER)
W(AUTO AIR CONDITIONER)
W(AUTO AIR CONDITIONER)
COLD SPEC & AUTOMATIC AIR CONDITIONER
87103AMOTOR SUB-ASSY, COOLING UNIT, W/FAN
87106HSERVO SUB-ASSY, DAMPER(FOR AIRMIX)
87106JSERVO SUB-ASSY, DAMPER(FOR MODE)
87106NSERVO SUB-ASSY, DAMPER(FOR RECIRCULATION)
87107AUNIT SUB-ASSY, HEATER RADIATOR
W(REAR HEATER)
W(REAR HEATER)
87130DBLOWER ASSY
87137BCOVER, HEATER BLOWER
87138CRESISTOR, BLOWER
87139CFILTER, CLEAN AIR
87165CCONTROL, BLOWER MOTOR
87211KDUCT, AIR
87480AAMPLIFIER ASSY, HEATER
W(REAR HEATER)
W(REAR HEATER)
88501EVAPORATOR SUB-ASSY, COOLER, NO.1
88508FILTER SUB-ASSY, CLEAN AIR
88515VALVE, COOLER EXPANSION
DEALER OPTION
MAKER OPTION
88539HOSE, COOLER UNIT DRAIN, NO.1
88539GGROMMET (FOR COOLER UNIT DRAIN HOSE)
88578CPACKING, COOLING UNIT, NO.2
88625THERMISTOR, COOLER, NO.1
88648WIRING, COOLER, NO.1
88650AMPLIFIER ASSY, COOLER STABILIZER
W(REAR AIR CONDITIONER)
DEALER OPTION
88669BHOSE, COOLER AIR
88710HTUBE & ACCESSORY ASSY, AIR CONDITIONER
88891SCOVER, COOLER, NO.1
88891ZBRACKET, COOLER THERMISTOR
MAKER OPTION
MAKER OPTION
DEALER OPTION
MAKER OPTION
88897UPIPE, ASPIRATOR
88899KPLATE, COVER
8712428280CLAMP, HEATER
main87124-28280
8712728060PACKING, HEATER AIR DAMPER
main87127-28060
8719387101
main87193-87101
8857820590PAKING, COOLER AIR DUCT
main88578-20590
8857826060PAKING, COOLER AIR DUCT
main88578-26060
8889941010COVER, EVAPORATOR
main88899-41010
8889944050COVER, EVAPORATOR
main88899-44050
9009900303
main90099-00303
9009900968
main90099-00968
9009904497
main90099-04497
9011906390
main90119-06390
9015960213
main90159-60213
9017906054
main90179-06054
9163560616
main91635-60616
9356755016
main93567-55016
43 parts on this diagram · 7 diagrams in section