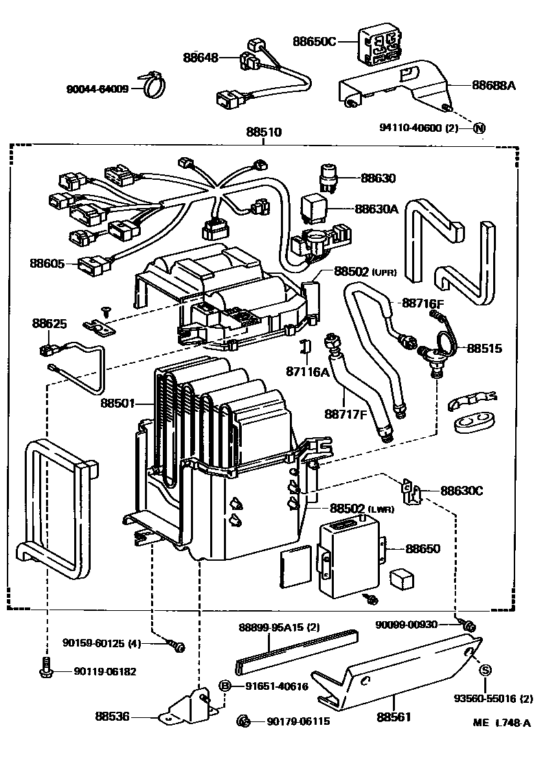
HEATING & AIR CONDITIONING - COOLER UNIT

87116ASPRING, HOLDING (FOR COOLER UNIT CASE)
88501EVAPORATOR SUB-ASSY, COOLER, NO.1
main88501-28011iYR22,31..CND; YR22..USA; YR29..CND; YR29..USA; YR31; YR31..USA; YR32;YR22..CND198808-199001
FRONT
COOL BOX
REAR
88502CASE SUB-ASSY, COOLING UNIT
UPPER
LOWER
COOL BOX,BLUE,BLUE,TRIM8#
COOL BOX,SABLE,SABLE,TRIM4#
88510UNIT ASSY, COOLER
FRONT,MAKER OPTION
FRONT,MAKER OPTION
FRONT,DEALER OPTION
REAR
FRONT
FRONT
88515VALVE, COOLER EXPANSION
REAR
COOL BOX
FRONT
88536BRACKET, COOLING UNIT, NO.1
88561COVER, COOLER UNIT
88605HARNESS SUB-ASSY, COOLER WIRING, NO.1
W(DUAL AIR CON. & RR HEATER)
W(BOOST VENTILATOR)
W(FRONT AIR CONDITIONER)
W(DUAL AIR CON. & RR HEATER)
W(BOOST VENTILATOR)
W(FRONT AIR CONDITIONER)
88625THERMISTOR, COOLER, NO.1
REAR
COOL BOX
FRONT
88630RELAY ASSY, COOLER
FAN
main90987-03001iYR22..CND; YR22..USA; YR29..CND; YR29..USA; YR3#; YR31..USA; YR32;YR31..CND198808-199001
A/C CUT
88630ARELAY ASSY, COOLER
W(FRONT AIR CONDITIONER)
W(DUAL AIR CON. & RR HEATER)
88630CBRACKET, COOLER RELAY
W(DUAL AIR CON. & RR HEATER)
W(FRONT AIR CONDITIONER)
88648WIRING, COOLER, NO.1
W(DUAL AIR CON. & RR HEATER)
88650AMPLIFIER ASSY, COOLER STABILIZER
W(FRONT AIR CONDITIONER)
main88650-28010iYR22..4FC..LE..USA; YR22..5F..LE; YR22..DLX..USA; YR22..LE..CND; YR29..CND; YR29..USA; YR31..USA; YR32;YR31..CND;YR22..DLX..CND198808-199001
W(DUAL AIR CON. & RR HEATER); W(DUAL AIR CONDITIONER)
COOL BOX
88650CAMPLIFIER SUB-ASSY, AIRCONDITIONER
main88650-28020iYR22..4FC..LE..USA; YR22..5F..LE; YR22..DLX..USA; YR22..LE..CND; YR29..CND; YR29..USA; YR31..CND;YR22..DLX..CND; YR31..USA198808-199001
88688ABRACKET, COOLER STABILIZER AMPLIFIER
88716FPIPE, COOLER REFRIGERANT LIQUID, F
W(FRONT AIR CONDITIONER)
COOL BOX
88717FPIPE, COOLER REFRIGERANT SUCTION, F
W(FRONT AIR CONDITIONER)
W(AIR CONDITIONER & ICE COOL BOX); W(DUAL AIR CON. & RR HEATER & ICE COOL BOX)
8889995A15COVER, EVAPORATOR
main88899-95A15
9004464009
main90044-64009
9009900930
main90099-00930
9011906182
main90119-06182
9015960125
main90159-60125
9017906115
main90179-06115
9165140616
main91651-40616
9356055016
main93560-55016
9411040600
main94110-40600
27 parts on this diagram · 5 diagrams in section