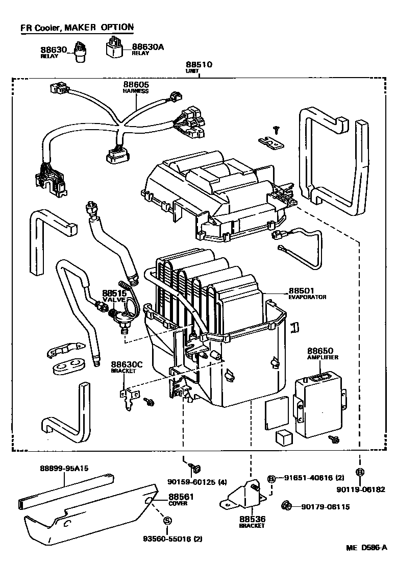
HEATING & AIR CONDITIONING - COOLER UNIT

88501EVAPORATOR SUB-ASSY, COOLER, NO.1
FR
FR
RR
COOL BOX
RR
RR
88510UNIT ASSY, COOLER
FR
FR,W/BOOST VENTILATOR
FR,DEALER OPTION
FR
FR,W/BOOST VENTILATOR
FR,MAKER OPTION
FR,W/BOOST VENTILATOR
FR,W/*AAC
FR,DEALER OPTION
RR
FR,MAKER OPTION
FR,W/BOOST VENTILATOR
88515VALVE, COOLER EXPANSION
FR COOLER
RR COOLER
COOL BOX
FR COOLER
88536BRACKET, COOLING UNIT, NO.1
88561COVER, COOLER UNIT
W/*AAC
88605HARNESS SUB-ASSY, COOLER WIRING, NO.1
W/BOOST VENTILATOR
W/SINGLE AIR CONDITIONER
W/BOOST VENTILATOR
W/*AAC
W/*ODAC
W/BOOST VENTILATOR
W/SINGLE AIR CONDITIONER
W/*ODAC
W/BOOST VENTILATOR
W/SINGLE AIR CONDITIONER
88630RELAY ASSY, COOLER
88630ARELAY ASSY, COOLER
88630CBRACKET, COOLER RELAY
COOLER CUT RELAY
88650AMPLIFIER ASSY, COOLER STABILIZER
W/SINGLE AIR CONDITIONER
FR COOLING UNIT
COOL BOX
COOL BOX
8889995A15COVER, EVAPORATOR
main88899-95A15
9011906182
main90119-06182
9015960125
main90159-60125
9017906115
main90179-06115
9165140616
main91651-40616
9356055016
main93560-55016
16 parts on this diagram · 8 diagrams in section