HEATING & AIR CONDITIONING - HEATER UNIT & BLOWER

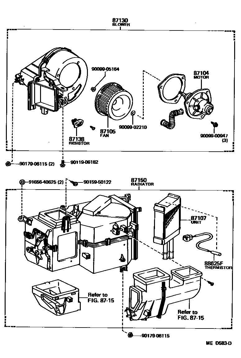
87104MOTOR SUB-ASSY, HEATER BLOWER
87105FAN SUB-ASSY, HEATER BLOWER
87107UNIT SUB-ASSY, HEATER RADIATOR
COLD SPEC
W/*AAC
87130BLOWER ASSY, HEATER, FRONT
87138RESISTOR, HEATER BLOWER
8715HEATING & AIR CONDITIONING - CONTROL & AIR DUCT
87150RADIATOR ASSY, HEATER
COLD SPEC
COLD SPEC
W/*AAC
COLD SPEC
88625FSENSOR, TEMPERATURE
W/*AAC
9009900947
main90099-00947
9009902210
main90099-02210
9009905164
main90099-05164
9011906182
main90119-06182
9015950122
main90159-50122
9017906115
main90179-06115
9165640625
main91656-40625
15 parts on this diagram · 3 diagrams in section