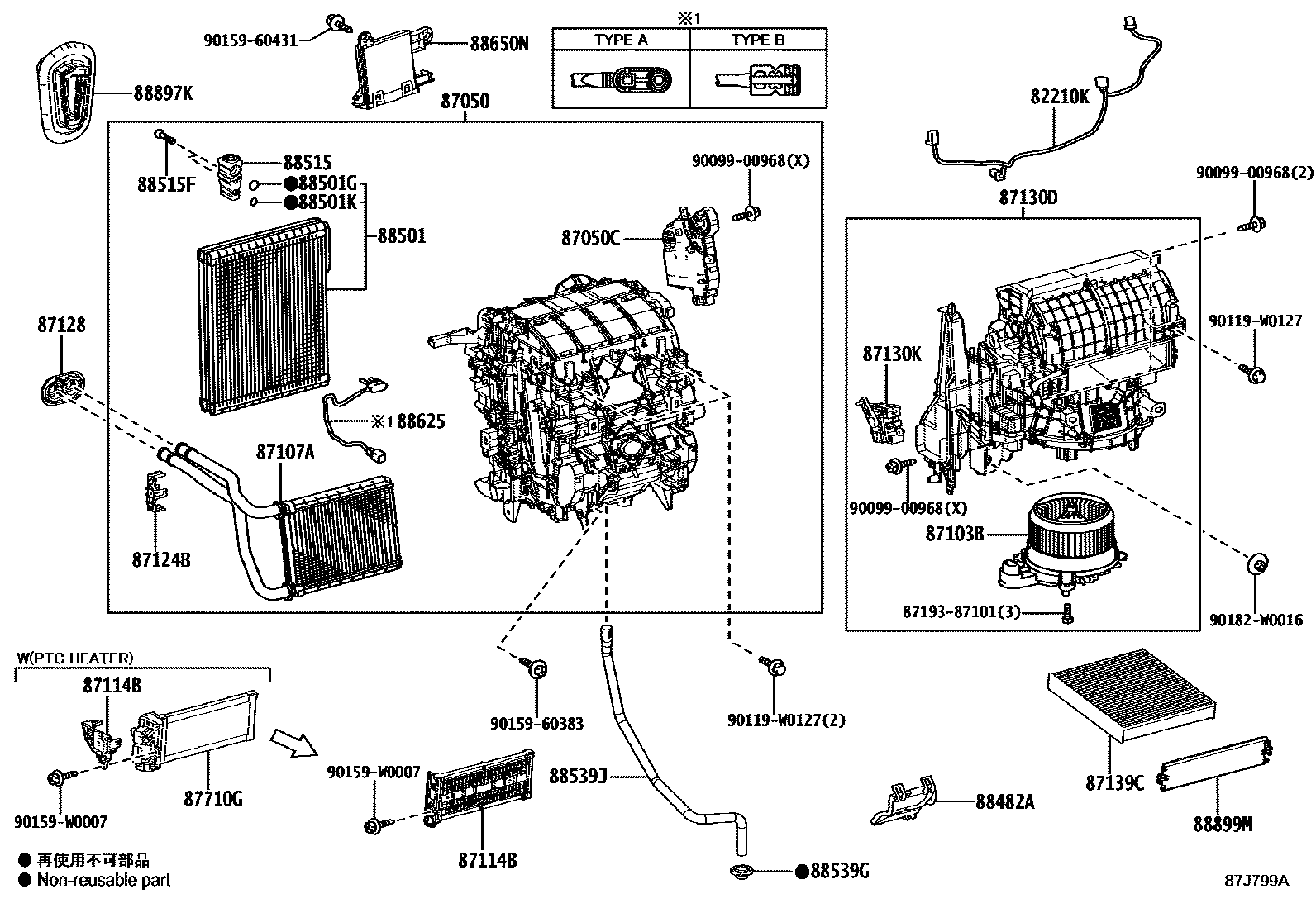
HEATING & AIR CONDITIONING - COOLER UNIT

82210KHARNESS ASSY, AIR CONDITIONER
87050RADIATOR ASSY, AIR CONDITIONER
AZERBAIJAN SPEC; COLOMBIA SPEC; EGYPT SPEC; GEORGIA SPEC; UKRAINE SPEC&COLD AREA SPEC-WITH(EUROPE A RANK)
WITH(STOP & START SYSTEM)
AZERBAIJAN SPEC; COLOMBIA SPEC; GEORGIA SPEC; UKRAINE SPEC&COLD AREA SPEC-WITH(EUROPE A RANK)
AZERBAIJAN SPEC; COLOMBIA SPEC; ECUADOR SPEC; EGYPT SPEC; GEORGIA SPEC; NEW CALEDONIA, TAHITI SPEC; UKRAINE SPEC&COLD AREA SPEC-WITH(EUROPE A RANK)
AZERBAIJAN SPEC; COLOMBIA SPEC; ECUADOR SPEC; GEORGIA SPEC; NEW CALEDONIA, TAHITI SPEC; UKRAINE SPEC&COLD AREA SPEC-WITH(EUROPE A RANK)
87050CDAMPER SERVO SUB-ASSY, AIR CONDITIONER RADIATOR, NO.1
87103BMOTOR SUB-ASSY, BLOWER W/FAN
87107AUNIT SUB-ASSY, HEATER RADIATOR
87114BCOVER, HEATER
COLD AREA SPEC-WITH(EUROPE A RANK); COLD AREA SPEC-WITH(EUROPE S RANK)
87124BCLAMP, HEATER
87128GROMMET, HEATER
87130DBLOWER ASSY
87130KDAMPER SERVO SUB-ASSY, BLOWER, NO.1
87139CFILTER, CLEAN AIR
DEODORANT FILTER
POLLEN FILTER,OE PART
87710GQUICK HEATER ASSY
COLD AREA SPEC-WITH(EUROPE A RANK); COLD AREA SPEC-WITH(EUROPE S RANK)
88482ACOVER
88501EVAPORATOR SUB-ASSY, COOLER, NO.1
AZERBAIJAN SPEC; COLOMBIA SPEC; ECUADOR SPEC; EGYPT SPEC; GEORGIA SPEC; NEW CALEDONIA, TAHITI SPEC; UKRAINE SPEC&COLD AREA SPEC-WITH(EUROPE A RANK)
WITH(STOP & START SYSTEM)
88501GO-RING, COOLER EVAPORATOR NO.1(SUCTION)
ID=13.4,OD=18.2
88501KO-RING, COOLER EVAPORATOR NO.1(LIQUID)
ID=10.8,OD=15.6
88515VALVE, COOLER EXPANSION
AZERBAIJAN SPEC; COLOMBIA SPEC; ECUADOR SPEC; GEORGIA SPEC; NEW CALEDONIA, TAHITI SPEC; UKRAINE SPEC&COLD AREA SPEC-WITH(EUROPE A RANK)
WITH(STOP & START SYSTEM)
88515FBOLT(FOR COOLER EXPANSION VALVE)
88539GGROMMET (FOR COOLER UNIT DRAIN HOSE)
88539JHOSE, DRAIN COOLER
88625THERMISTOR, COOLER, NO.1
WITH(STOP & START SYSTEM),TYPE A:REFER ILLUST.
TYPE A:REFER ILLUST.
WITH(STOP & START SYSTEM),TYPE B:REFER ILLUST.
TYPE B:REFER ILLUST.
88650NAMPLIFIER ASSY, AIR CONDITIONER
88897KGROMMET, (FOR COOLER PIPE)
88899MPLATE, COVER(FOR AIR FILTER)
8719387101
main87193-87101
9009900968
main90099-00968
90119W0127
main90119-W0127
9015960383
main90159-60383
9015960431
main90159-60431
90159W0007
main90159-W0007
90182W0016
main90182-W0016
31 parts on this diagram · 4 diagrams in section