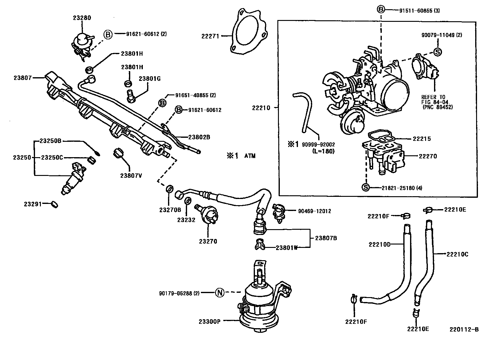
FUEL INJECTION SYSTEM

22210BODY ASSY, THROTTLE
22210CHOSE, WATER BY-PASS, NO.1
22210DHOSE, WATER BY-PASS, NO.2
22210ECLAMP OR CLIP, HOSE(FOR WATER BY-PASS HOSE, NO.1)
22210FCLAMP OR CLIP, HOSE (FOR WATER BY-PASS HOSE, NO.2)
22215GASKET, THROTTLE BODY COVER
22270VALVE ASSY, IDLE SPEED CONTROL(FOR THLOTTLE BODY)
22271GASKET, THROTTLE BODY
23232GASKET(FOR FUEL PUMP HOSE)
23250INJECTOR ASSY, FUEL
(L)
(J)
23250BRING, O(FOR FUEL INJECTOR)
23250CGROMMET(FOR FUEL INJECTOR)
23270DAMPER ASSY, FUEL PRESSURE PULSATION
23270BGASKET(FOR PULSATION DAMPER HOSE)
23280REGULATOR ASSY, FUEL PRESSURE
23291INSULATOR, INJECTOR VIBRATION
23300PFILTER, FUEL(FOR EFI)
23801GBOLT, UNION(FOR FUEL PIPE)
23801HGASKET(FOR FUEL PIPE)
23801WCLIP, FUEL TUBE CONNECTOR
23802BPIPE SUB-ASSY, FUEL, NO.2
23807PIPE SUB-ASSY, FUEL DELIVERY
23807BHOSE, FUEL DELIVERY PIPE
23807VSPACER, NO.1(FOR DELIVERY PIPE)
8404ELECTRONIC FUEL INJECTION SYSTEM
2182125180SCREW, 2ND THROTTLE VALVE SET
main21821-25180
9007911049
main90079-11049
9017906288
main90179-06288
9046912012
main90469-12012
9099992002
main90999-92002
9151160855
main91511-60855
9162160612
main91621-60612
9165140855
main91651-40855
33 parts on this diagram · 2 diagrams in section