INTERIOR LAMP

5501INSTRUMENT PANEL & GLOVE COMPARTMENT
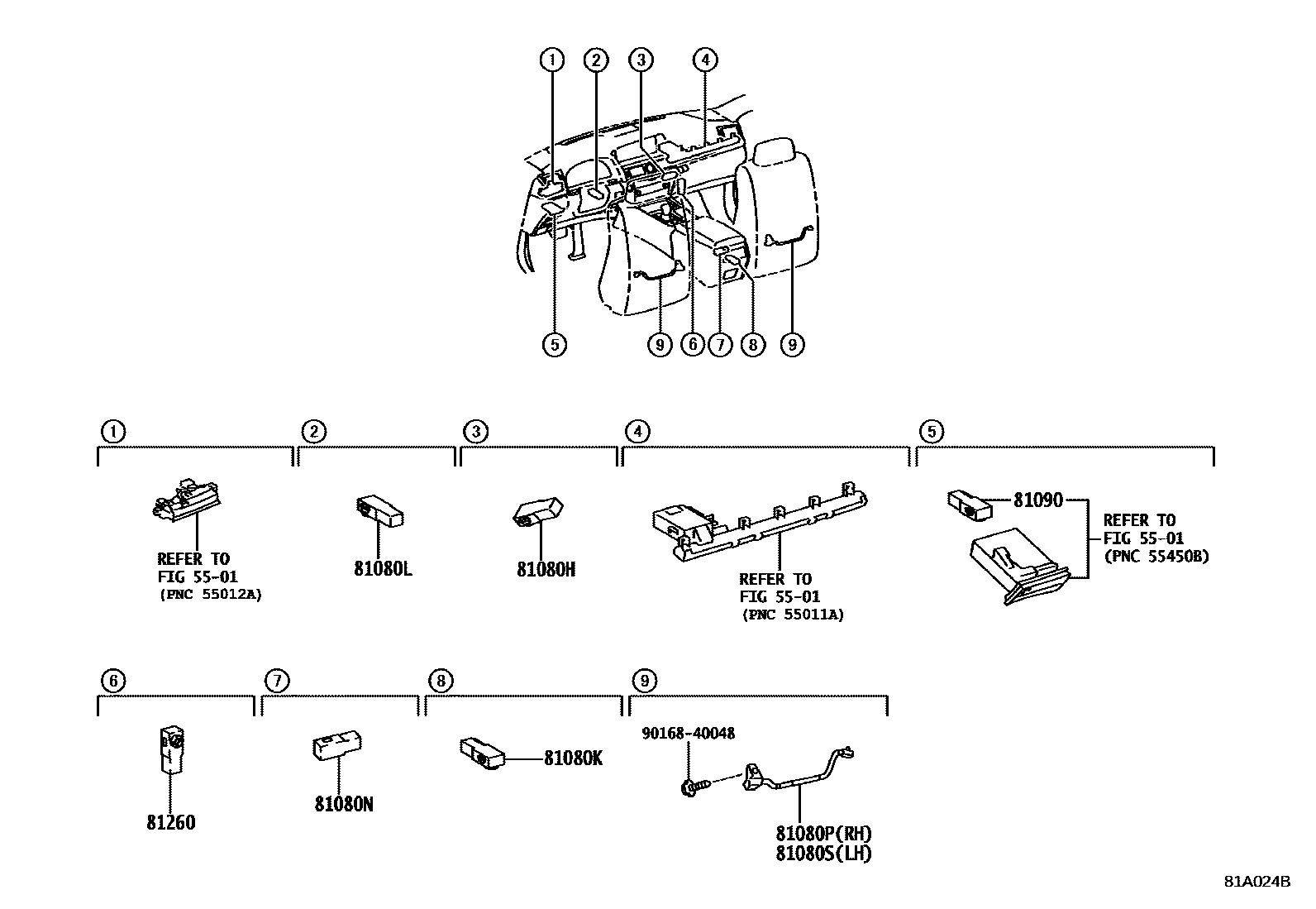
81080HLAMP ASSY, INTERIOR ILLUMINATION, NO.1 RH
81080KLAMP ASSY, CONSOLE BOX ILLUMINATION
81080LLAMP ASSY, INTERIOR ILLUMINATION, NO.1 LH
81080NLAMP ASSY, INTERIOR ILLUMINATION, NO.1
81080PLAMP ASSY, INTERIOR ILLUMINATION, NO.1 RH
81080SLAMP ASSY, INTERIOR ILLUMINATION, NO.1 LH
81090LAMP ASSY, INTERIOR ILLUMINATION, NO.2
81260LAMP ASSY, GLOVE BOX
9016840048
main90168-40048
10 parts on this diagram · 4 diagrams in section