E
EPC Data

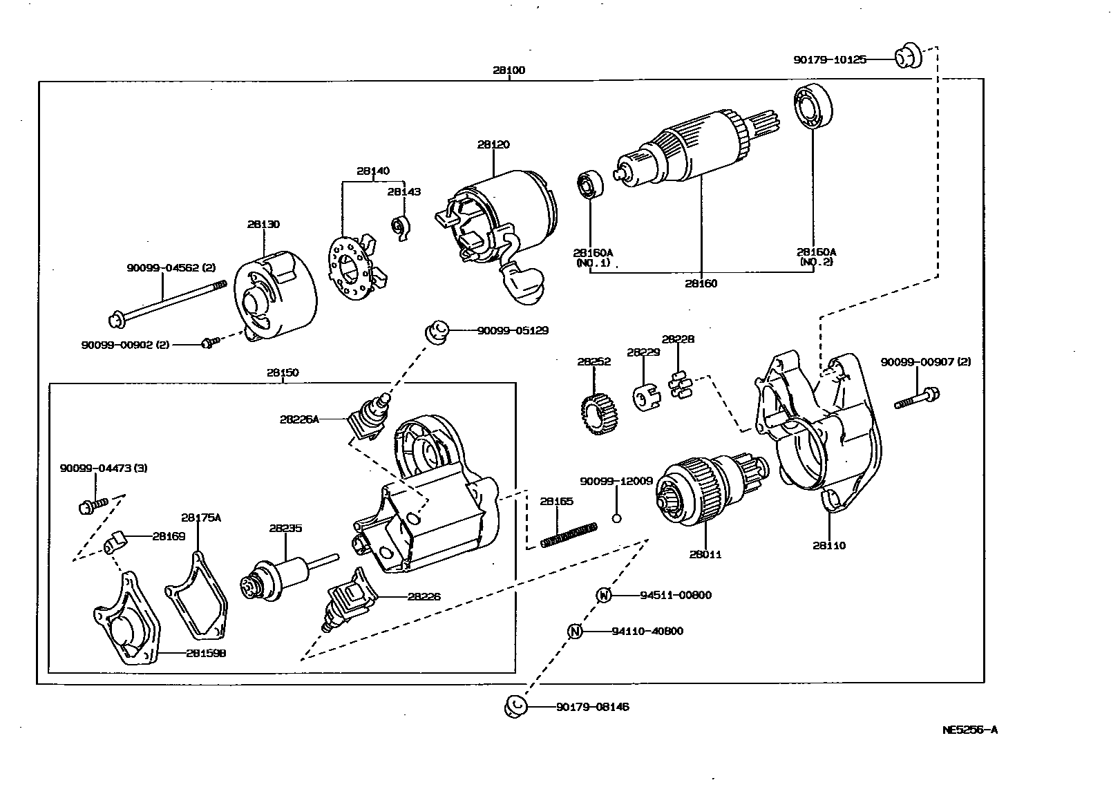
STARTER

Parts diagram
28011CLUTCH SUB-ASSY, STARTER
main28011-26042i198810-199302
28100STARTER ASSY
main28100-15040i198812-199205
12V 1.0KW
main28100-34060i198810-199302
12V 1.0KW
main28100-34080i198810-199302
12V 1.0KW
main28100-45050i198812-199205
12V 1.4KW
main28100-72060i198812-199205
12V 1.0KW
28110HOUSING ASSY, STARTER DRIVE
main28110-15040i198812-199205
main28110-34060i198810-199302
main28110-34080i198810-199302
main28110-45050i198812-199205
main28110-72060i198812-199205
28120YOKE ASSY, STARTER
main28120-15090i198812-199205
main28120-26071i198810-199008
28130FRAME ASSY, STARTER COMMUTATOR END
main28130-15040i198812-199205
main28130-15090i198812-199205
main28130-34060i198810-199302
main28130-72010i198812-199205
28140HOLDER ASSY, STARTER BRUSH
main28140-15090i198812-199205
main28140-26070i198810-199302
28143SPRING, STARTER BRUSH
main90099-17112×4i198810-199302
28150SWITCH ASSY, MAGNET STARTER
main28150-15070i198812-199205
main28150-34060i199010-199302
main28150-34080i198810-199010
main28150-45050i198812-199205
28159BCOVER, MAGNET SWITCH
main28159-10040i198810-199302
28160ARMATURE ASSY, STARTER
main28160-15090i198812-198908
main28160-15091i198908-199205
main28160-26070i198810-198908
main28160-26071i198908-199302
28160ABEARING, STARTER ARMATURE
main28253-45020i198810-199302
NO.1
main90099-10113i198810-199302
NO.2
main90099-10143i198812-199205
NO.1
main90099-10144i198812-199205
NO.2
28165SPRING, STARTER MAGNET SWITCH RETURN
main28165-26040i198810-199302
28169CLAMP, STARTER MOTOR LEAD WIRE
main28169-10040i198810-199302
28175AGASKET, MAGNET SWITCH COVER
main28175-10040i198810-199302
28226STARTER KIT, BATTERY TERMINAL
main28226-72080i198810-199302
28226ASTARTER KIT, MOTOR TERMINAL
main28226-72010i198810-199302
28228ROLLER, STARTER IDLE GEAR CLUTCH
main28228-26040×5i198810-199302
28229RETAINER, STARTER IDLE GEAR
main28229-26040i198810-199302
28235PLUNGER, MAGNET SWITCH
main28235-35080i198810-199302
28252GEAR, STARTER IDLE
main28254-45020i198810-199302
9009900902
9009900907
9009904473
9009904562
9009905129
9009912009
9017908146
9017910125
9411040800
9451100800

30 parts on this diagram · 4 diagrams in section

STARTER — Toyota Parts Diagram with OEM Numbers & Prices | EPC Data