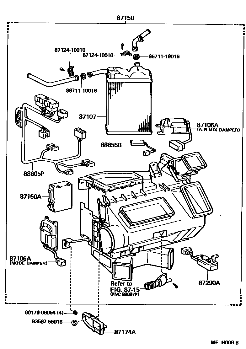
HEATING & AIR CONDITIONING - HEATER UNIT & BLOWER

87106ASERVO SUB-ASSY, DAMPER
AIR INLET DAMPER
MODE DAMPER
AIR MIX DAMPER
87107UNIT SUB-ASSY, HEATER RADIATOR
8715HEATING & AIR CONDITIONING - CONTROL & AIR DUCT
87150RADIATOR ASSY, HEATER
87150ARELAY, HEATER RADIATOR
87174AGUIDE, AIR HEATER
87290ASWITCH ASSY, HEATER
88605PHARNESS SUB-ASSY, AIR CONDITIONER WIRING
88655BSWITCH, WATER TEMPERATURE
8712410010CLAMP, HEATER
main87124-10010
9017906054
main90179-06054
9356755016
main93567-55016
9671119016
main96711-19016
13 parts on this diagram · 2 diagrams in section