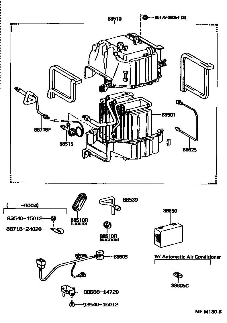
HEATING & AIR CONDITIONING - COOLER UNIT

88501EVAPORATOR SUB-ASSY, COOLER, NO.1
DEALER OPTION
HONG KONG SPEC
MAKER OPTION
88510UNIT ASSY, COOLER
MAKER OPTION
DEALER OPTION
DEALER OPTION OR HONG KONG SPEC
DEALER OPTION
88510RGROMMET (FOR COOLER UNIT)
LIQUID PIPE
LIQIID PIPE
SUCTION PIPE
88515VALVE, COOLER EXPANSION
HONG KONG SPEC
MAKER OPTION
DEALER OPTION
88539HOSE, COOLER UNIT DRAIN, NO.1
MAKER OPTION
DEALER OPTION
88605HARNESS SUB-ASSY, COOLER WIRING, NO.1
DEALER OPTION
MAKER OPTION
88605CHARNESS SUB-ASSY, COOLER WIRING, NO.2
88625THERMISTOR, COOLER, NO.1
88650AMPLIFIER ASSY, COOLER STABILIZER
88716FPIPE, COOLER REFRIGERANT LIQUID, F
MAKER OPTION
DEALER OPTION
DEALER OPTION,HONG KONG SPEC
HONG KONG SPEC
8868814720BRACKET, COOLER DIAPHRAGM
main88688-14720
8871824020PIPE, COOLER REFRIGERANT SUCTION, NO.2
main88718-24020
9017906054
main90179-06054
9354015012
main93540-15012
14 parts on this diagram · 3 diagrams in section