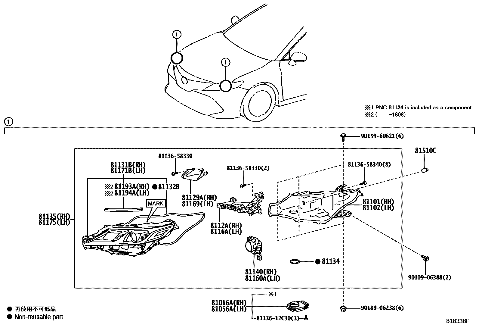
HEADLAMP

81016ACOMPUTER SUB-ASSY, HEADLAMP, RH
REFER TO PNC 81135
REFER TO PNC 81135
"BLACK EDITION"*(A),REFER TO PNC 81135; REFER TO PNC 81135; UKR SALE SPECIFICATIONS 5,REFER TO PNC 81135
REFER TO PNC 81135
81056ACOMPUTER SUB-ASSY, HEADLAMP, LH
REFER TO PNC 81175
"BLACK EDITION"*(A),REFER TO PNC 81175; REFER TO PNC 81175; UKR SALE SPECIFICATIONS 5,REFER TO PNC 81175
main81056-33E11supersedes 81056-33E80iASV70..LHD..EUR; ASV70..RHD;AXVA70,AXVH7#,GSV70..(G,N,S)..EUR; AXVH71..D; AXVH71..LHD..D201910-202101
"BLACK EDITION"*(A),REFER TO PNC 81175; EU SALE SPECIFICATIONS 4,REFER TO PNC 81175; EU SALE SPECIFICATIONS 6,REFER TO PNC 81175; REFER TO PNC 81175; UKR SALE SPECIFICATIONS 5,REFER TO PNC 81175
LE PACKAGE(KOREA SPEC),REFER TO PNC 81175; REFER TO PNC 81175
81101HOUSING SUB-ASSY, HEADLAMP, RH
main81101-33070supersedes 81101-33090iASV70..LHD..EUR; ASV70..RHD;AXVA70,AXVH7#,GSV70..(G,N,S)..EUR201709-202101
"BLACK EDITION"*(A); UKR SALE SPECIFICATIONS 5
81102HOUSING SUB-ASSY, HEADLAMP, LH
main81102-33060supersedes 81102-33100iASV70..LHD..EUR; ASV70..RHD;AXVA70,AXVH7#,GSV70..(G,N,S)..EUR201709-202101
"BLACK EDITION"*(A); UKR SALE SPECIFICATIONS 5
LE PACKAGE(KOREA SPEC)
81129AREFLECTOR, HEADLAMP, RH
8112AUNIT, HEADLAMP CLEARANCE LED, NO.1 RH
81131BHEAD LAMP LENS, RH
LE PACKAGE(KOREA SPEC),REFER TO PNC 81135; REFER TO PNC 81135
REFER TO PNC 81135
REFER TO PNC 81135
REFER TO PNC 81135
EU SALE SPECIFICATIONS 4,REFER TO PNC 81135; REFER TO PNC 81135
"BLACK EDITION"*(A),REFER TO PNC 81135; REFER TO PNC 81135; UKR SALE SPECIFICATIONS 5,REFER TO PNC 81135
main81131-33E11supersedes 81131-33A30iASV70..LHD..EUR; AXVA70,AXVH7#,GSV70..LHD..(G,N,S)..EUR; AXVH71..LHD..D201910-202101
"BLACK EDITION"*(A),REFER TO PNC 81135; EU SALE SPECIFICATIONS 4,REFER TO PNC 81135; EU SALE SPECIFICATIONS 6,REFER TO PNC 81135; REFER TO PNC 81135; UKR SALE SPECIFICATIONS 5,REFER TO PNC 81135
81132BGASKET, HEADLAMP LENS
main81132-48C30×2supersedes 81132-58330iASV70..LHD..EUR; ASV70..RHD;AXVA70,AXVH7#,GSV70..(G,N,S)..EUR201709-202101
"BLACK EDITION"*(A); UKR SALE SPECIFICATIONS 5
81134GASKET, HEADLAMP
81135UNIT ASSY, HEADLAMP, RH
MARK=K
MARK=K
MARK=K
MARK=P
MARK=P
EU SALE SPECIFICATIONS 4,MARK=M; MARK=M
"BLACK EDITION"*(A),MARK=W; MARK=W; UKR SALE SPECIFICATIONS 5,MARK=W
"BLACK EDITION"*(A),MARK=W; MARK=W; UKR SALE SPECIFICATIONS 5,MARK=W
main81145-33E12supersedes 81145-33G00iASV70..LHD..EUR; AXVA70,AXVH7#,GSV70..LHD..(G,N,S)..EUR; AXVH71..LHD..D201910-202101
"BLACK EDITION"*(A),MARK=X; EU SALE SPECIFICATIONS 4,MARK=X; EU SALE SPECIFICATIONS 6,MARK=X; MARK=X; UKR SALE SPECIFICATIONS 5,MARK=X
LE PACKAGE(KOREA SPEC),MARK=U OR Z; MARK=U OR Z
REAR COMBINATION LAMP-LOW-G(T&S LED) W/LTGD BLK
81140UNIT ASSY, HEADLAMP LED, RH
REFER TO PNC 81135
REFER TO PNC 81135
LE PACKAGE(KOREA SPEC),REFER TO PNC 81135; REFER TO PNC 81135
81160AUNIT ASSY, HEADLAMP LED, LH
REFER TO PNC 81175
REFER TO PNC 81175
REFER TO PNC 81175
LE PACKAGE(KOREA SPEC),REFER TO PNC 81175; REFER TO PNC 81175
81169REFLECTOR, HEADLAMP, LH
8116AUNIT, HEADLAMP CLEARANCE LED, NO.1 LH
81171BHEAD LAMP LENS, LH
REFER TO PNC 81175
REFER TO PNC 81175
REFER TO PNC 81175
REFER TO PNC 81175
main81171-33D71supersedes 81171-33E80iASV70..LHD..EUR; AXVA70,AXVH7#,GSV70..LHD..(G,N,S)..EUR; AXVH71..LHD..D201910-202101
"BLACK EDITION"*(A),REFER TO PNC 81175; EU SALE SPECIFICATIONS 4,REFER TO PNC 81175; EU SALE SPECIFICATIONS 6,REFER TO PNC 81175; REFER TO PNC 81175; UKR SALE SPECIFICATIONS 5,REFER TO PNC 81175
LE PACKAGE(KOREA SPEC),REFER TO PNC 81175; REFER TO PNC 81175
81175UNIT ASSY, HEADLAMP, LH
MARK=K
MARK=K
MARK=K
MARK=P
MARK=P
EU SALE SPECIFICATIONS 4,MARK=M; MARK=M
"BLACK EDITION"*(A),MARK=W; MARK=W; UKR SALE SPECIFICATIONS 5,MARK=W
MARK=W
main81185-33D72supersedes 81185-33G00iASV70..LHD..EUR; AXVA70,AXVH7#,GSV70..LHD..(G,N,S)..EUR; AXVH71..LHD..D201910-202101
"BLACK EDITION"*(A),MARK=X; EU SALE SPECIFICATIONS 4,MARK=X; EU SALE SPECIFICATIONS 6,MARK=X; MARK=X; UKR SALE SPECIFICATIONS 5,MARK=X
LE PACKAGE(KOREA SPEC),MARK=U OR Z; MARK=U OR Z
REAR COMBINATION LAMP-LOW-G(T&S LED) W/LTGD BLK
81193APROTECTOR, HEADLAMP, RH
REFER TO PNC 81135
"BLACK EDITION"*(A),REFER TO PNC 81135; REFER TO PNC 81135; UKR SALE SPECIFICATIONS 5,REFER TO PNC 81135
81194APROTECTOR, HEADLAMP, LH
REFER TO PNC 81175
"BLACK EDITION"*(A),REFER TO PNC 81175; REFER TO PNC 81175; UKR SALE SPECIFICATIONS 5,REFER TO PNC 81175
81510CBULB (FOR FRONT TURN SIGNAL LAMP)
12V 21W,AMBER
8113612C30PROTECTOR, HEADLAMP, NO.1 RH
main81136-12C30
8113658330PROTECTOR, HEADLAMP, NO.1 RH
main81136-58330
8113658340PROTECTOR, HEADLAMP, NO.1 RH
main81136-58340
9010906388
main90109-06388
9015960621
main90159-60621
9018906238
main90189-06238
25 parts on this diagram · 2 diagrams in section