E
EPC Data

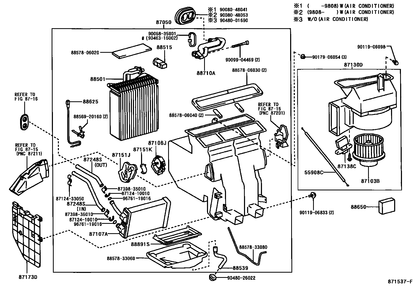
HEATING & AIR CONDITIONING - COOLER UNIT

Parts diagram
55908CCABLE SUB-ASSY, AIR INLET DAMPER CONTROL
main55908-06030i199608-199908
87050RADIATOR ASSY, AIR CONDITIONER
main87050-06170i199805-199808
W(AIR CONDITIONER)
main87050-06190i200101-200107
W(AUTO AIR CONDITIONER)
main87050-06200i199808-199908
W(AIR CONDITIONER)
main87050-06210i199805-199908
main87050-06230i199908-200107
W(AIR CONDITIONER)
main87050-06240i199908-200107
87103BMOTOR SUB-ASSY, BLOWER W/FAN
main87103-06020i199608-199806
main87103-06021i199806
87106JSERVO SUB-ASSY, DAMPER(FOR MODE)
main87106-06060i200101
W(AUTO AIR CONDITIONER)
main87106-06100i199908
87107AUNIT SUB-ASSY, HEATER RADIATOR
main87107-06020i199608-199808
main87107-07010i199805-199808
87130DBLOWER ASSY
main87130-06050i199608-199908
main87130-06061i199908
main87130-06070i199908
87138CRESISTOR, BLOWER
main87138-33030i199608-199807
main87138-33050i199908
main87138-33060i199807-199908
8715HEATING & AIR CONDITIONING - CONTROL & AIR DUCT
87151JPLATE, DAMPER NO.1
main87151-06010i199711
87151KPLATE, DAMPER NO.2
main87151-06020i199711
8716HEATING & AIR CONDITIONING - WATER PIPING
87173DPROTECTOR HEATER
main87173-06020i199608
87248SPIPE, FRONT HEATER RADIATOR WATER
main87156-06010i199608-199808
INLET
main87156-06020i199608-199808
OUTLET
main87156-06030i199808
INLET
main87156-06040i199805-199808
OUTLET
88501EVAPORATOR SUB-ASSY, COOLER, NO.1
main88501-06030i199608
88515VALVE, COOLER EXPANSION
main88515-06020i199608
88539HOSE, COOLER UNIT DRAIN, NO.1
main88539-06020i199608
88625THERMISTOR, COOLER, NO.1
main88625-33140i199608
88650AMPLIFIER ASSY, COOLER STABILIZER
main88650-33200i199608-199908
88710ATUBE ASSY, AIR CONDITIONER
main88710-06050i199608-199808
main88710-06080i199808
88891SCOVER, COOLER, NO.1
main88891-06040i199608
8712410010CLAMP, HEATER
8712433050CLAMP, HEATER
8739835010BAND ASSY (FOR COMBUSTION HEATER)
8856920160CLAMP (FOR COOLER RELAY)
8857806020PAKING, COOLER AIR DUCT
8857806030PAKING, COOLER AIR DUCT
8857806040PAKING, COOLER AIR DUCT
8857833060PAKING, COOLER AIR DUCT
8857833080PAKING, COOLER AIR DUCT
9006835001
9008048041
9008048053
9009904469
9011906098
9011906833
9017906054
9046315002
9048001690
9048026022
9676119016

40 parts on this diagram · 4 diagrams in section

HEATING & AIR CONDITIONING - COOLER UNIT — Toyota Parts Diagram with OEM Numbers & Prices | EPC Data