E
EPC Data

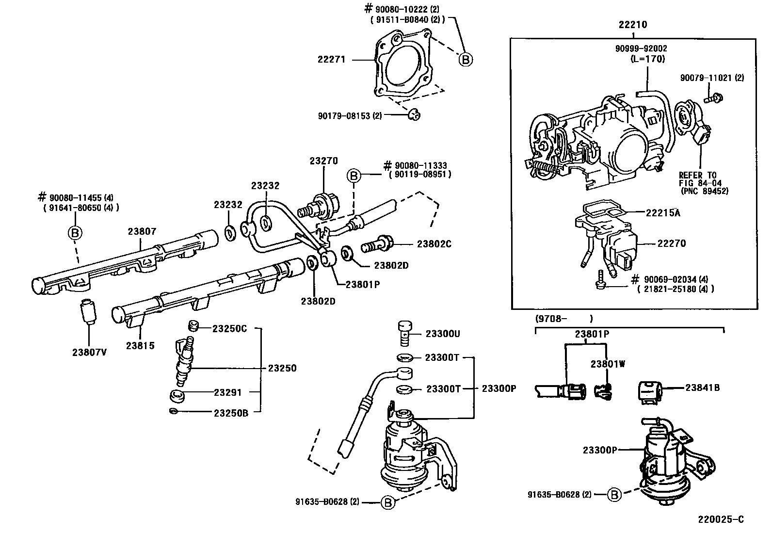
FUEL INJECTION SYSTEM

Parts diagram
22210BODY ASSY, THROTTLE
main22210-0A090i200008
(L)
main22210-20050i199608-199703
main22210-20120i199703
(J)
main22210-7A360i199608-200008
main22210-7A380i199608-199908
CALIFORNIA SPEC
main22210-7A790i199908-200008
CALIFORNIA SPEC
22215GASKET, THROTTLE BODY COVER
main22215-20010i199908-200008
CALIFORNIA SPEC
main22215-74400i199608-200008
22215AGASKET, IDLE SPEED CONTROL VALVE
main22215-0A010i200008
(L)
main22215-20010i199608
(J)
22270VALVE ASSY, IDLE SPEED CONTROL(FOR THLOTTLE BODY)
main22270-0A040i200009
(L)
main22270-20020i199608-199703
main22270-20040i199703
(J)
main22270-74290i199608-199908
CALIFORNIA SPEC
main22270-74340i199608-200008
main22270-74400i199908-200008
CALIFORNIA SPEC
22271GASKET, THROTTLE BODY
main22271-0A010i200008
(L)
main22271-20010i199608
(J)
main22271-74070i199608-199908
23232GASKET(FOR FUEL PUMP HOSE)
main23232-41081×2i199608
main23279-74010i199608
23250INJECTOR ASSY, FUEL
main23209-03010×4i199908-200008
CALIFORNIA SPEC,(L)
main23209-0A010×6i200008
(L)
main23209-20010×6i199608-200008
main23209-20020×6i200008
(J)
main23209-74100×4i199608-200008
main23209-74140×4i199608-199908
CALIFORNIA SPEC
main23209-74210×4i199908
main23209-74250×4i199908-200008
CALIFORNIA SPEC,(J)
23250BRING, O(FOR FUEL INJECTOR)
main90301-07001×4i199608-199812
CALIFORNIA SPEC
main90301-07024×4i199812-200008
main90301-07029×4i199908
23250CGROMMET(FOR FUEL INJECTOR)
main90480-13005×4i199608-200008
23270DAMPER ASSY, FUEL PRESSURE PULSATION
main23207-46010i199608
main23270-62010i199608
23291INSULATOR, INJECTOR VIBRATION
main23291-20010×6i199708-200008
CALIFORNIA SPEC
main23291-41010×4i199608-200008
main23291-62010×6i199608-200008
main23291-73010×4i199908
23300PFILTER, FUEL(FOR EFI)
main23300-03010i199908
main23300-20040i199708
main23300-29055i199708-199808
TYPE B:REFER TO ILLUSTRATION
main23300-79545i199608
TYPE A:REFER TO ILLUSTRATION
23300TGASKET(FOR FUEL FILTER)
main90430-12026×2i199608-199708
23300UBOLT, UNION(FOR FUEL FILTER)
main90401-12097i199608
23801PPIPE SUB-ASSY, FUEL, NO.1
main23801-20030i199608-199708
main23801-20041i199708
23801WCLIP, FUEL TUBE CONNECTOR
main90923-07010i199708
23802CBOLT, UNION(FOR FUEL PIPE NO.2)
main90401-12015i199608
23802DGASKET(FOR FUEL PIPE NO.2)
main90430-12026×2i199608
23807PIPE SUB-ASSY, FUEL DELIVERY
main23814-20020i199608
main23814-74110i199608
main23814-74141i199908
23807VSPACER, NO.1(FOR DELIVERY PIPE)
main90561-08020×4i199608
main90561-08053×2i199608
23815PIPE, FUEL DELIVERY, NO.2
main23815-20020i199608
23841BCLAMP, FUEL PIPE, NO.1(FOR EFI)
main23841-20020i199708
8404ELECTRONIC FUEL INJECTION SYSTEM
2182125180SCREW, 2ND THROTTLE VALVE SET
9006902034
9007911021
9008010222
9008011333
9008011455
9011908951
9017908153
9099992002
91511B0840
91635B0628
9164180650

35 parts on this diagram · 8 diagrams in section

FUEL INJECTION SYSTEM — Toyota Parts Diagram with OEM Numbers & Prices | EPC Data