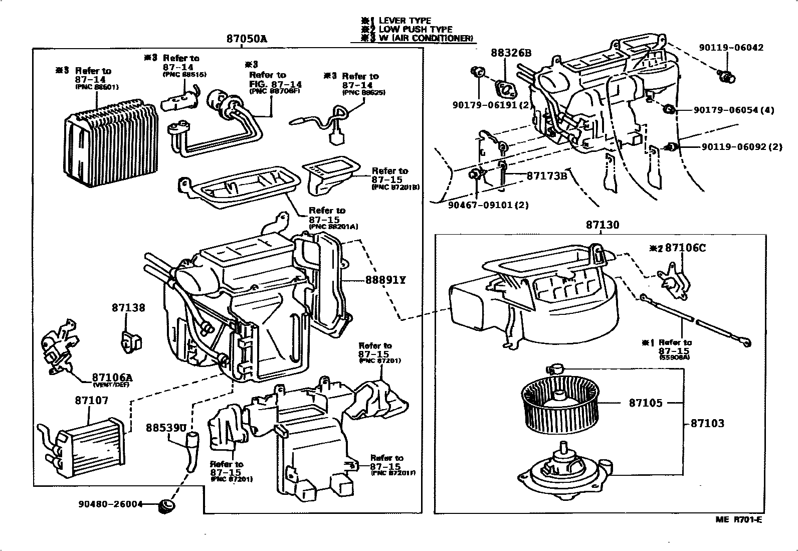
HEATING & AIR CONDITIONING - HEATER UNIT & BLOWER

87050ARADIATOR ASSY, AIR CONDITIONER
(L)
W(AIR CONDITIONER),(L)
(L)
W(AIR CONDITIONER)
W(AIR CONDITIONER)
W(AIR CONDITIONER)
87103MOTOR SUB-ASSY, HEATER BLOWER, W/FAN
*ND USA
*ND USA
(J)
*ND
87105FAN SUB-ASSY, HEATER BLOWER
(J)
87106ASERVO SUB-ASSY, DAMPER
*ND
87106CSERVO SUB-ASSY, DAMPER(FOR BLOWER)
NIPPONDENSO USA
(J)
87107UNIT SUB-ASSY, HEATER RADIATOR
NIPPONDENSO USA
NIPPONDENSO
87130BLOWER ASSY, HEATER, FRONT
NIPPONDENSO USA
main87130-33030iSXV10..JPP..DX;SXV10..JPP..LE..USA;VCV10..JPP..DX..CND;VCV10..JPP..(DX,LE,SE)..USA199106-199308
NIPPONDENSO
NIPPONDENSO
87138RESISTOR, HEATER BLOWER
NIPPONDENSO
NIPPONDENSO
main87138-33010iVCV10..JPP..DX..CND;MCV10,SXV10..JPP..DX;VCV10..JPP..(DX,LE,SE)..USA;MCV10,SXV10..JPP..(LE,SE)..USA199106-199408
NIPPONDENSO USA
NIPPONDENSO USA
8714HEATING & AIR CONDITIONING - COOLER UNIT
8715HEATING & AIR CONDITIONING - CONTROL & AIR DUCT
87173BPROTECTOR, HEATER
88326BPLATE, COVER
main88326-33010iSXV10,VCV10..JPP..(LE,SE,XLE)..USA; SXV10,VCV10..JPP..CND;SXV10,VCV10..JPP..DX..USA199106-199308
W(AIR CONDITIONER)
88539UHOSE, COOLER DRAIN
*ND USA
88891YCOVER, COOLER,NO.1
*ND USA; *ND USA,NO.1; MAKER OPT,*ND USA,NO.1
*ND; *ND,NO.1; MAKER OPT,*ND,NO.1
*ND; *ND,NO.1; MAKER OPT,*ND,NO.1
DEALER OPTION
9011906042
main90119-06042
9011906092
main90119-06092
9017906054
main90179-06054
9017906191
main90179-06191
9046709101
main90467-09101
9048026004
main90480-26004
20 parts on this diagram · 1 diagram in section