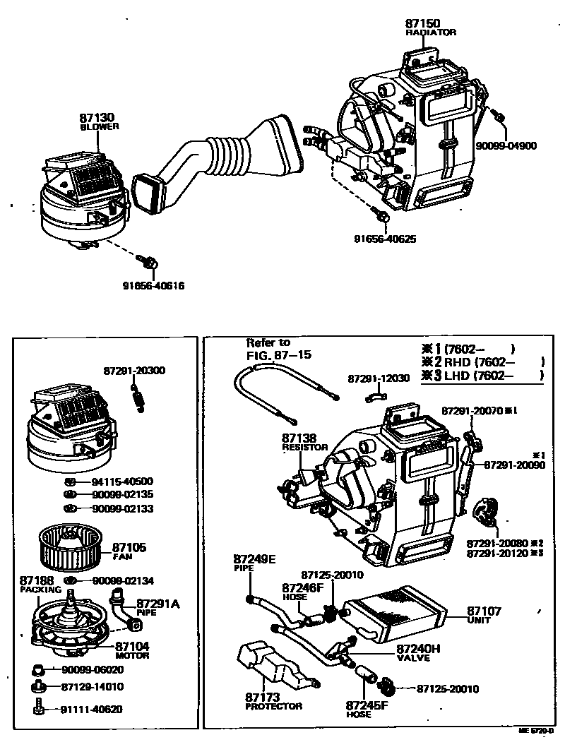
HEATING & AIR CONDITIONING - HEATER UNIT & BLOWER

87104MOTOR SUB-ASSY, HEATER BLOWER
BOOST VENTILATOR
HEAVY DUTY HEATER
87105FAN SUB-ASSY, HEATER BLOWER
BOOST VENTILATOR
HEAVY DUTY HEATER
87107UNIT SUB-ASSY, HEATER RADIATOR
HEAVY DUTY HEATER
87130BLOWER ASSY, HEATER, FRONT
BOOST VENTILATOR
HEAVY DUTY HEATER
HEAVY DUTY HEATER
HEAVY DUTY HEATER
87138RESISTOR, HEATER BLOWER
8715HEATING & AIR CONDITIONING - CONTROL & AIR DUCT
87150RADIATOR ASSY, HEATER
HEAVY DUTY HEATER
HEAVY DUTY HEATER
87173PROTECTOR, WATER VALVE, HEATER
87188PACKING, HEATER BLOWER MOTOR
HEAVY DUTY HEATER
87240HVALVE ASSY, WATER UNIT
HEAVY DUTY HEATER
HEAVY DUTY HEATER
87245FHOSE, HEATER WATER, INLET F
87246FHOSE, HEATER WATER, OUTLET F
87249EPIPE, HEATER WATER OUTLET, E (FOR HEATER UNIT)
87291APIPE, AIR
8712520010LOUVER, VENTILATION
main87125-20010
8712914010
main87129-14010
8729112030STAY, HEATER
main87291-12030
8729120070STAY, HEATER
main87291-20070
8729120080STAY, HEATER
main87291-20080
8729120090STAY, HEATER
main87291-20090
8729120120STAY, HEATER
main87291-20120
8729120300STAY, HEATER
main87291-20300
9009902133
main90099-02133
9009902134
main90099-02134
9009902135
main90099-02135
9009904900
main90099-04900
9009906020
main90099-06020
9111140620
main91111-40620
9165640616
main91656-40616
9165640625
main91656-40625
9411540500
main94115-40500
31 parts on this diagram · 2 diagrams in section