HEATING & AIR CONDITIONING - HEATER UNIT & BLOWER

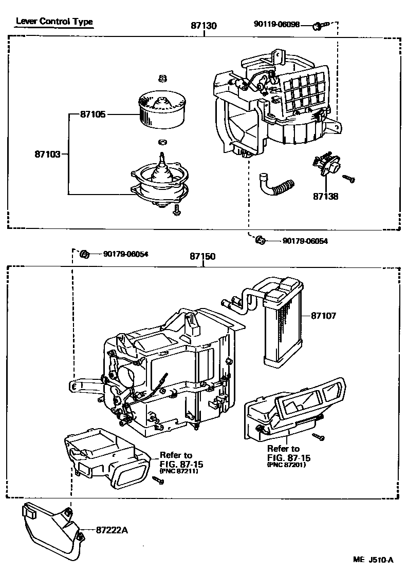
87103MOTOR SUB-ASSY, HEATER BLOWER, W/FAN
87105FAN SUB-ASSY, HEATER BLOWER
87107UNIT SUB-ASSY, HEATER RADIATOR
87130BLOWER ASSY, HEATER, FRONT
W(AUTOMATIC AIR CONDITIONER)
87138RESISTOR, HEATER BLOWER
W(AUTOMATIC AIR CONDITIONER)
8715HEATING & AIR CONDITIONING - CONTROL & AIR DUCT
87150RADIATOR ASSY, HEATER
W(AUTOMATIC AIR CONDITIONER)
87222APROTECTOR, AIR DUCT
9011906098
main90119-06098
9017906054
main90179-06054
10 parts on this diagram · 2 diagrams in section