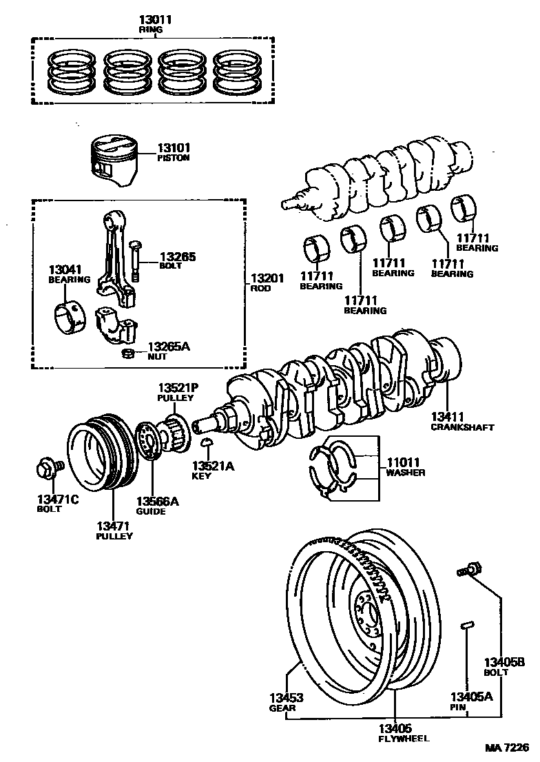
CRANKSHAFT & PISTON

11011WASHER SET, CRANKSHAFT THRUST
STD
STD,STD
STD,STD
STD,STD
STD,STD
STD,STD
STD,STD
O/S 0.125
O/S 0.125,O/S 0.125
O/S 0.125,O/S 0.125
O/S 0.125,O/S 0.125
O/S 0.125,O/S 0.125
O/S 0.125,O/S 0.125
O/S 0.250
O/S 0.250,O/S 0.250
O/S 0.250,O/S 0.250
O/S 0.250,O/S 0.250
O/S 0.250,O/S 0.250
O/S 0.250,O/S 0.250
11711BEARING, CRANKSHAFT
NO.1,MARK"1",MARK 1
NO.1,MARK"2",MARK 2
NO.1,MARK"3",MARK 3
NO.1,MARK"4",MARK 4
NO.1,MARK"5",MARK 5
MARK"1",MARK 1
MARK"2",MARK 2
MARK"3",MARK 3
MARK"1",MARK 1
MARK"2",MARK 2
MARK"3",MARK 3
MARK"3",MARK 3
MARK"4",MARK 4
MARK"5",MARK 5
NO.2,MARK"1",MARK 1
NO.2,MARK"2",MARK 2
NO.2,MARK"3",MARK 3
NO.2,MARK"4",MARK 4
NO.2,MARK"5",MARK 5
NO.3 MARK"1",MARK 1
NO.3 MARK"2",MARK 2
NO.3 MARK"3",MARK 3
NO.1,2,4,5 MARK"1",MARK 1
NO.1,2,4,5 MARK"2",MARK 2
NO.1,2,4,5 MARK"3",MARK 3
13011RING SET, PISTON
STD
STD
STD
STD,STD
STD
STD
STD
STD,STD
STD
STD,STD
STD
STD
O/S 0.50
O/S 0.50
O/S 0.50,O/S 0.50
O/S 0.50
O/S 0.50
O/S 0.50
O/S 0.50,O/S 0.50
O/S 0.50
O/S 0.50,O/S 0.50
O/S 0.50
O/S 0.50
O/S 0.75
O/S 0.75
O/S 0.75,O/S 0.75
O/S 0.75
O/S 0.75,O/S 0.75
O/S 0.75
O/S 1.00
O/S 1.00
O/S 1.00,O/S 1.00
O/S 1.00
O/S 1.00
O/S 1.00
O/S 1.00,O/S 1.00
O/S 1.00
O/S 1.00,O/S 1.00
O/S 1.00
O/S 1.00
13041BEARING, CONNECTING ROD
MARK"1",MARK 1
MARK"2",MARK 2
MARK"3",MARK 3
MARK"3",MARK 3
MARK"4",MARK 4
MARK"5",MARK 5
MARK"6",MARK 6
MARK"7",MARK 7
MARK"3",MARK 3
MARK"4",MARK 4
MARK"5",MARK 5
MARK"6",MARK 6
MARK"7",MARK 7
MARK"A",MARK A
MARK"B",MARK B
MARK"C",MARK C
MARK"1",MARK 1
MARK"2",MARK 2
MARK"3",MARK 3
MARK"4",MARK 4
MARK"5",MARK 5
MARK"1",MARK 1
MARK"2",MARK 2
MARK"3",MARK 3
MARK"3",MARK 3
MARK"4",MARK 4
MARK"5",MARK 5
MARK"6",MARK 6
MARK"7",MARK 7
13101PISTON SUB-ASSY, W/PIN
STD
STD
STD
STD,STD
STD
STD
STD
STD
STD,STD
STD,STD
STD
STD,STD
STD
STD,STD
STD
STD
STD
O/S 0.50
O/S 0.50,O/S 0.50
O/S 0.50
O/S 0.50
O/S 0.50
O/S 0.50
O/S 0.50,O/S 0.50
O/S 0.50,O/S 0.50
O/S 0.50
O/S 0.50,O/S 0.50
O/S 0.50
O/S 0.50,O/S 0.50
O/S 0.50
O/S 0.50
O/S 0.50
O/S 0.75
O/S 0.75,O/S 0.75
O/S 0.75,O/S 0.75
O/S 0.75
O/S 0.75,O/S 0.75
O/S 0.75
O/S 0.75,O/S 0.75
O/S 0.75
O/S 1.00
O/S 1.00,O/S 1.00
O/S 1.00
O/S 1.00
O/S 1.00
O/S 1.00
O/S 1.00,O/S 1.00
O/S 1.00,O/S 1.00
O/S 1.00
O/S 1.00,O/S 1.00
O/S 1.00
O/S 1.00,O/S 1.00
O/S 1.00
O/S 1.00
O/S 1.00
13201ROD SUB-ASSY, CONNECTING
13265BOLT, CONNECTING ROD
13265ANUT, HEXAGON(FOR CONNECTING ROD BOLT)
13405FLYWHEEL SUB-ASSY
N=115
13405APIN, STRAIGHT(FOR FLYWHEEL)
L=23,OD=8,L=23,OD=8
L=18,OD=8
13405BBOLT, FLYWHEEL SETTING
*11-1.25PX26-18
13411CRANKSHAFT
13453GEAR, FLYWHEEL RING
13471PULLEY, CRANKSHAFT
13471CBOLT(FOR CRANKSHAFT PULLEY SET)
13521GEAR OR SPROCKET, CRANKSHAFT TIMING
N=20
13521AKEY(FOR CRANKSHAFT TIMING GEAR)
13521PPULLEY, CRANKSHAFT TIMING
13566AGUIDE, TIMING BELT
19 parts on this diagram · 8 diagrams in section