E
EPC Data

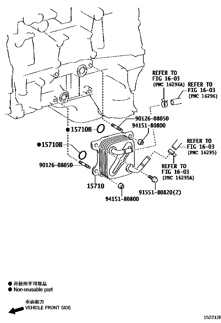
ENGINE OIL COOLER

Parts diagram
15710COOLER ASSY, OIL
main15710-36020i201510-201810
main15710-36050i201510-201804
15710BRING, O(FOR OIL COOLER)
main90301-23017×2i201510-201804
main96723-35024×2i201510-201810
1603RADIATOR & WATER OUTLET
9012608050
9155180820
9415180800

6 parts on this diagram · 3 diagrams in section

ENGINE OIL COOLER — Toyota Parts Diagram with OEM Numbers & Prices | EPC Data