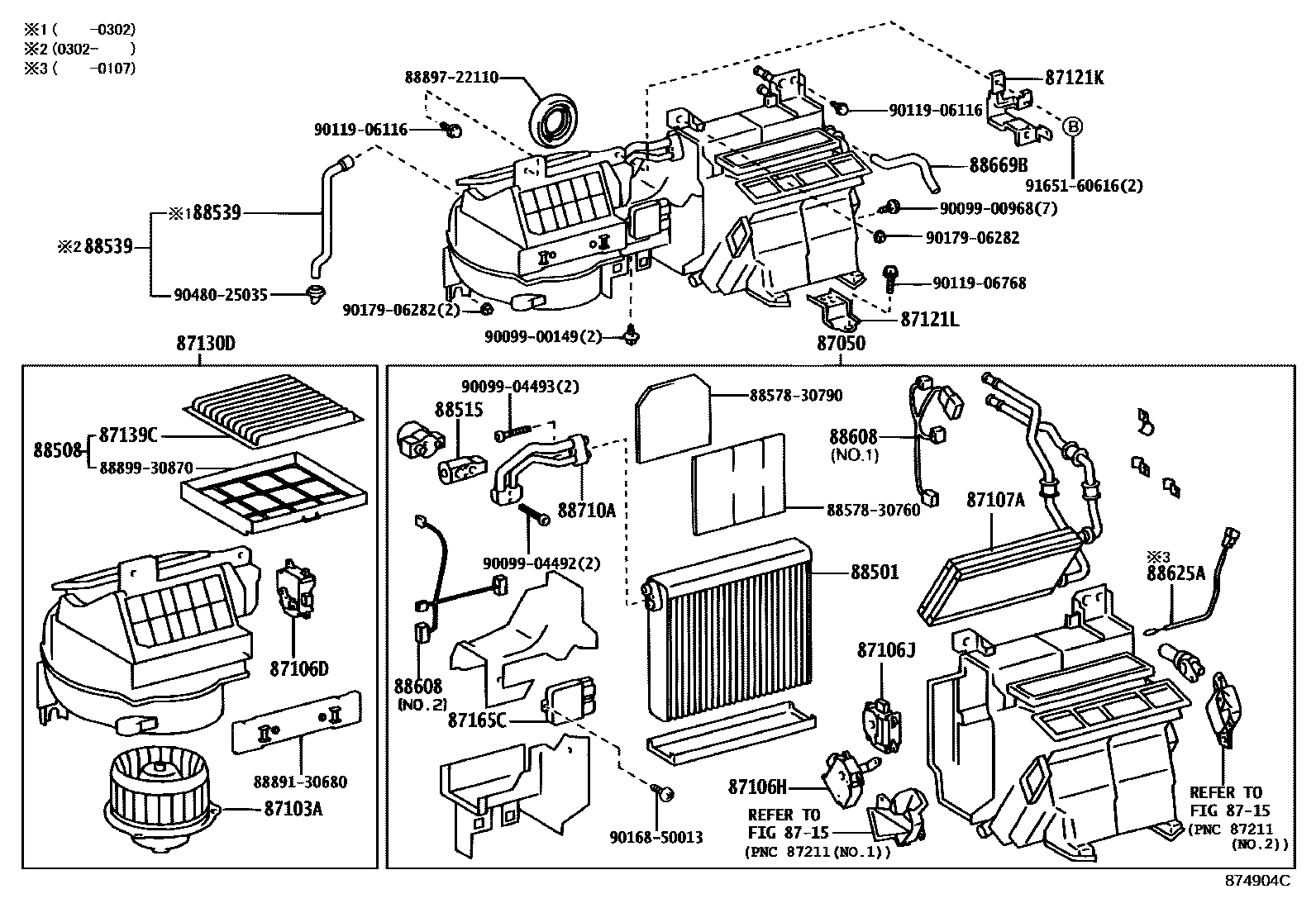
HEATING & AIR CONDITIONING - COOLER UNIT

87050RADIATOR ASSY, AIR CONDITIONER
87103AMOTOR SUB-ASSY, COOLING UNIT, W/FAN
87106DSERVO SUB-ASSY, DAMPER, NO.1
87106HSERVO SUB-ASSY, DAMPER(FOR AIRMIX)
87106JSERVO SUB-ASSY, DAMPER(FOR MODE)
87107AUNIT SUB-ASSY, HEATER RADIATOR
87121LBRACKET, HEATER
87130DBLOWER ASSY
87139CFILTER, CLEAN AIR
8715HEATING & AIR CONDITIONING - CONTROL & AIR DUCT
87165CCONTROL, BLOWER MOTOR
88501EVAPORATOR SUB-ASSY, COOLER, NO.1
88508FILTER SUB-ASSY, CLEAN AIR
88515VALVE, COOLER EXPANSION
88539HOSE, COOLER UNIT DRAIN, NO.1
NO.1
NO.2
88608HARNESS SUB-ASSY, WIRING AIR CONDITIONER
NO.1
NO.2
NO.1
NO.1
88625ATHERMISTOR, COOLER NO.2
88669BHOSE, COOLER AIR
88710ATUBE ASSY, AIR CONDITIONER
8857830760PAKING, COOLER AIR DUCT
main88578-30760
8857830790PAKING, COOLER AIR DUCT
main88578-30790
8889130680PACKING (FOR COOLER)
main88891-30680
8889722110VALVE, COOLER MAGNET
main88897-22110
8889930870COVER, EVAPORATOR
main88899-30870
9009900149
main90099-00149
9009900968
main90099-00968
9009904492
main90099-04492
9009904493
main90099-04493
9011906116
main90119-06116
9011906768
main90119-06768
9016850013
main90168-50013
9017906282
main90179-06282
9048025035
main90480-25035
9165160616
main91651-60616
35 parts on this diagram · 3 diagrams in section