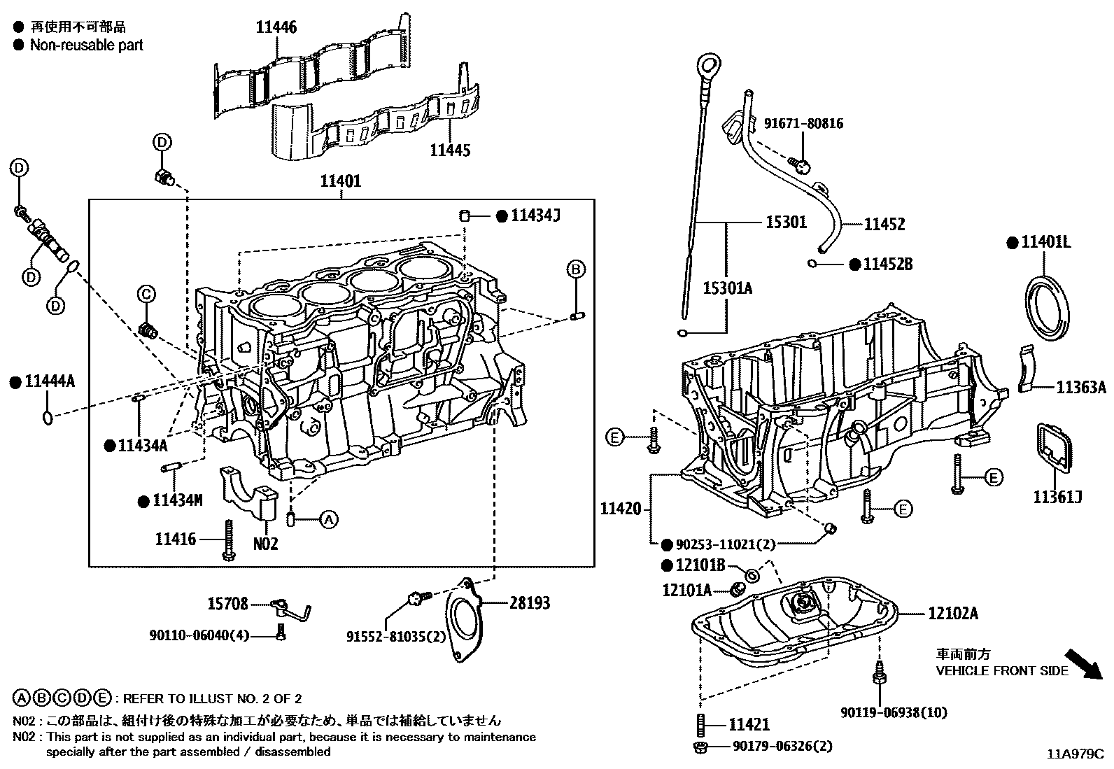
CYLINDER BLOCK

11361JCOVER, FLYWHEEL HOUSING UNDER
11363ACOVER, FLYWHEEL HOUSING SIDE
11401BLOCK SUB-ASSY, CYLINDER
11401LSEAL, ENGINE REAR OIL
11416BOLT(FOR CRANKSHAFT BEARING CAP SET)
11420CRANKCASE ASSY, STIFFENING
11421BOLT, STUD(FOR OIL PAN)
11434APIN, STRAIGHT(FOR TIMING GEAR COVER SET)
L=12,OD=4.0
11434JPIN, RING (FOR CYLINDER HEAD SET)
11434MPIN, STRAIGHT(FOR CHAIN TENSIONER)
11444ARING, O
11445SPACER, CYLINDER BLOCK WATER JACKET
11446SPACER, CYLINDER BLOCK WATER JACKET, LH
11452GUIDE, OIL LEVEL GAGE
11452BRING, O(FOR OIL LEVEL GAGE GUIDE)
12101APLUG(FOR OIL PAN DRAIN)
12101BGASKET(FOR OIL PAN DRAIN PLUG)
12102APAN SUB-ASSY, OIL, NO.2
15301GAGE SUB-ASSY, OIL LEVEL
15301ARING, O(FOR OIL LEVEL GAGE)
15708NOZZLE SUB-ASSY, OIL, NO.1
28193INSULATOR, STARTER HOLE
9011006040
main90110-06040
9011906938
main90119-06938
9017906326
main90179-06326
9025311021
main90253-11021
9155281035
main91552-81035
9167180816
main91671-80816
28 parts on this diagram · 2 diagrams in section