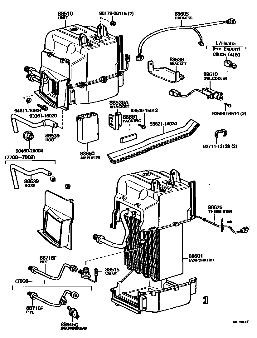
HEATING & AIR CONDITIONING - COOLER UNIT

88501EVAPORATOR SUB-ASSY, COOLER, NO.1
88510UNIT ASSY, COOLER
88515VALVE, COOLER EXPANSION
88536BRACKET, COOLING UNIT, NO.1
88536ABRACKET, COOLING UNIT, NO.2
88539HOSE, COOLER UNIT DRAIN, NO.1
88605HARNESS SUB-ASSY, COOLER WIRING, NO.1
W/HEATER
W/BOOST VENTILATOR
W/BOOST VENTILATOR
88610SWITCH ASSY, COOLER CONTROL
W/HEATER
88625THERMISTOR, COOLER, NO.1
88645GSWITCH, PRESSURE
88650AMPLIFIER ASSY, COOLER STABILIZER
88716FPIPE, COOLER REFRIGERANT LIQUID, F
88891PACKING (FOR COOLER)
5562114020BRACKET, THROTTLE ROD SUPPORT
main55621-14020
8271112120WIRE, FUSE TO FUSE(FOR COMBUSTION HEATER)
main82711-12120
8860514180HARNESS SUB-ASSY, COOLER WIRING, NO.1
main88605-14180
9017906115
main90179-06115
9048026004
main90480-26004
9338116020
main93381-16020
9354015012
main93540-15012
9356654514
main93566-54514
9461110601
main94611-10601
22 parts on this diagram · 2 diagrams in section