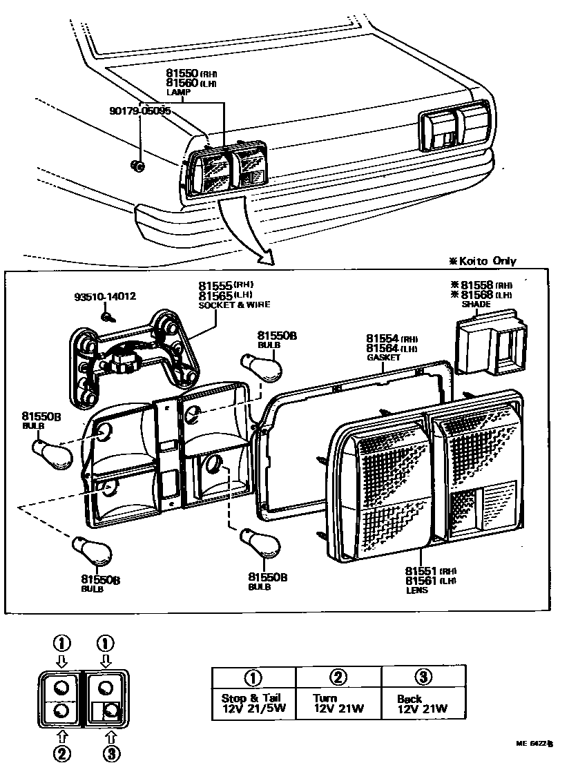
REAR COMBINATION LAMP

81550LAMP ASSY, REAR COMBINATION, RH
IKI
IKI
KOITO
KOITO
81550BBULB(FOR REAR COMBINATION LAMP)
12V 21W,12V 21W
12V 21/5W,12V 21/5W
81551LENS, REAR COMBINATION LAMP, RH
IKI
KOITO
IKI
KOITO
81554GASKET, REAR COMBINATION LAMP BODY, RH
IKI
IKI
KOITO
KOITO
81555SOCKET & WIRE SUB-ASSY, REAR COMBINATION LAMP, RH
IKI
IKI
KOITO
KOITO
81558SHADE, REAR COMBINATION LAMP, NO.1 RH
KOITO
81560LAMP ASSY, REAR COMBINATION, LH
IKI
IKI
KOITO
KOITO
81561LENS, REAR COMBINATION LAMP, LH
IKI
KOITO
IKI
KOITO
81564GASKET, REAR COMBINATION LAMP BODY, LH
KOITO
IKI
KOITO
IKI
81565SOCKET & WIRE SUB-ASSY, REAR COMBINATION LAMP, LH
IKI
IKI
KOITO
KOITO
81568SHADE, REAR COMBINATION LAMP, NO.1 LH
KOITO
9017905095
main90179-05095
9351014012
main93510-14012
13 parts on this diagram · 3 diagrams in section