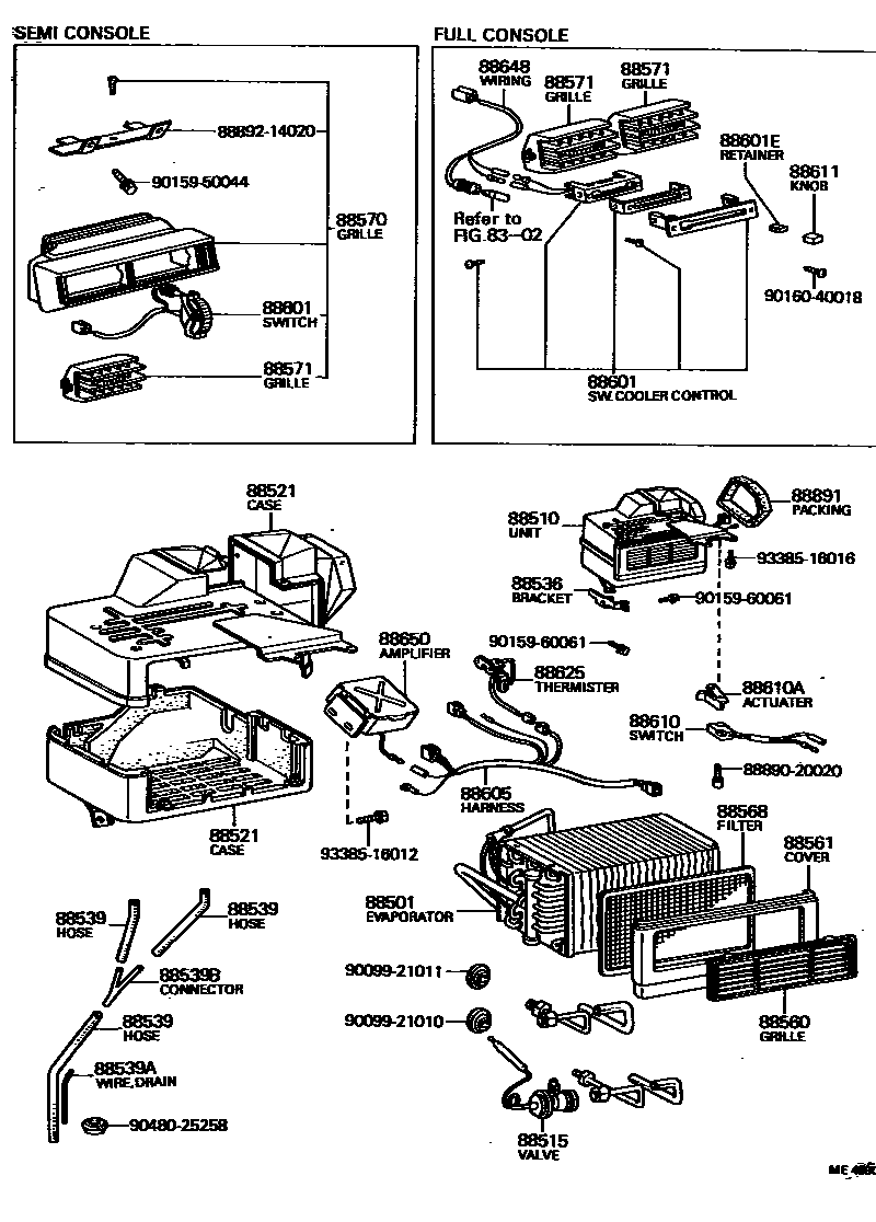
HEATING & AIR CONDITIONING - COOLER UNIT

8302INDICATOR
88501EVAPORATOR SUB-ASSY, COOLER, NO.1
88510UNIT ASSY, COOLER
88521CASE, COOLER UNIT
UPPER
LOWER
UPPER
LOWER
88536BRACKET, COOLING UNIT, NO.1
88539HOSE, COOLER UNIT DRAIN, NO.1
L=200
L=80
L=150
88539AWIRE, DRAIN HOSE(FOR COOLER)
88539BCONNECTOR, COOLER DRAIN HOSE
88560GRILLE ASSY, COOLER AIR INLET
88561COVER, COOLER UNIT
88568FILTER, COOLER UNIT COVER
88570GRILLE SUB-ASSY, COOLER AIR OUTLET
88601SWITCH SUB-ASSY, COOLER CONTROL
L/BOOST VENTILATOR
L/BOOST VENTILATOR
88601ERETAINER, COOLER CONTROL SWITCH LEVER
88605HARNESS SUB-ASSY, COOLER WIRING, NO.1
W/BOOST VENTILATOR
88610AACTUATER (FOR COOLER CONTROL SWITCH)
88611KNOB, COOLER CONTROL SWITCH
FAN CONTROL
FAN CONTROL
COOL CONTROL
COOL CONTROL
88648WIRING, COOLER, NO.1
88650AMPLIFIER ASSY, COOLER STABILIZER
W/BOOST VENTILATOR
W/BOOST VENTILATOR
88891PACKING (FOR COOLER)
8889020020PUMP ASSY, BRINE W/BRACKET
main88890-20020
8889214020BRACKET, COOLER EVAPORATOR MOUNTING
main88892-14020
9009921010
main90099-21010
9009921011
main90099-21011
9015950044
main90159-50044
9015960061
main90159-60061
9016040018
main90160-40018
9048025258
main90480-25258
9338516012
main93385-16012
9338516016
main93385-16016
34 parts on this diagram · 2 diagrams in section