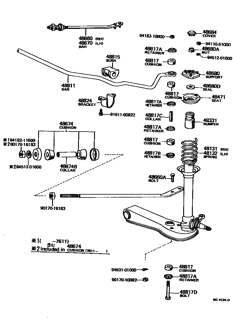
FRONT SPRING & SHOCK ABSORBER

48131SPRING, FRONT COIL, RH
48132SPRING, FRONT COIL, LH
48331BUMPER, FRONT SPRING, NO.1
48660BAR ASSY, STRUT, RH
48660ABOLT(FOR STRUT BAR SETTING)
48674CUSHION, STRUT BAR
48674BCOLLAR(FOR STRUT BAR CUSHION)
48680SUPPORT ASSY, FRONT SUSPENSION
48680ANUT(FOR FRONT SUPPORT TO FRONT SHOCK ABSORBER)
48680DSEAL, DUST(FOR FRONT SUSPENSION SUPPORT)
48811BAR, STABILIZER, FRONT
48815BUSH, FRONT STABILIZER BAR, NO.1
48817ARETAINER, CUSHION, NO.1(FOR FRONT STABILIZER BAR)
T=1.2
T=1.6
48817BRETAINER, CUSHION, NO.2(FOR FRONT STABILIZER BAR)
T=1.0
T=1.2
48817DBOLT(FOR FRONT STABILIZER)
48824BRACKET, STABILIZER, FRONT
9017010082
main90170-10082
9017016183
main90170-16183
9161160822
main91611-60822
9411051000
main94110-51000
9418210800
main94182-10800
9418211600
main94182-11600
9451201000
main94512-01000
9451201600
main94512-01600
9453101000
main94531-01000
30 parts on this diagram · 2 diagrams in section