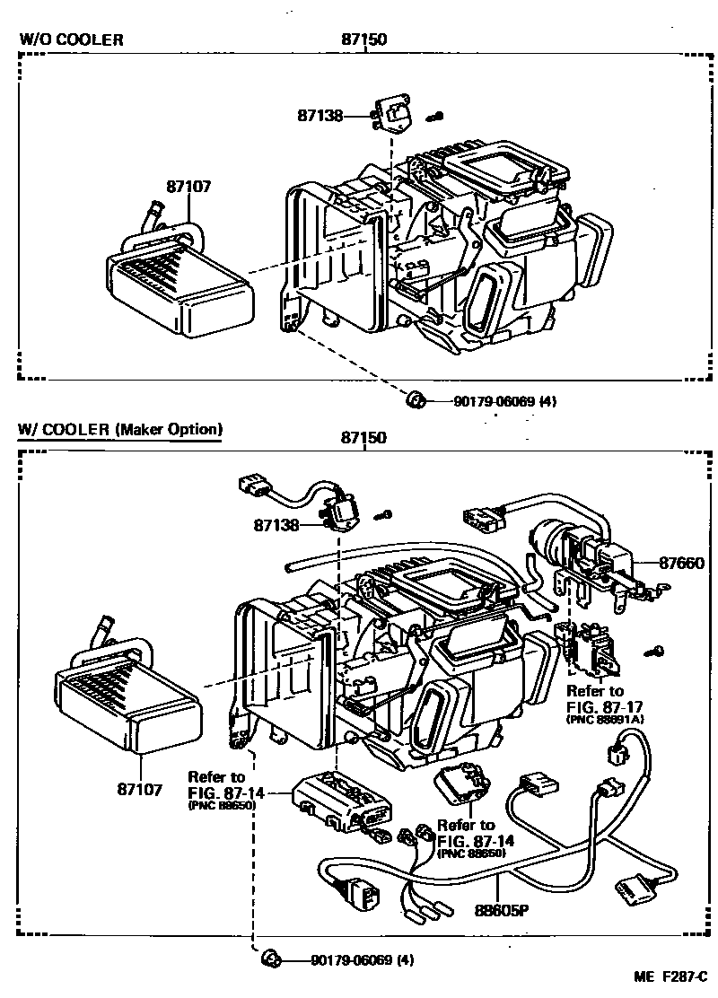
HEATING & AIR CONDITIONING - HEATER UNIT & BLOWER

87107UNIT SUB-ASSY, HEATER RADIATOR
COLD SPEC
87138RESISTOR, HEATER BLOWER
W/COOLER
W/COOLER
W/COOLER
W/COOLER
W/*AAC
W/*AAC
8714HEATING & AIR CONDITIONING - COOLER UNIT
87150RADIATOR ASSY, HEATER
COLD SPEC
W/COOLER,MAKER OPTION
W/COOLER,MAKER OPTION
W/COOLER
W/*AAC
W/*AAC
COLD SPEC
8717HEATING & AIR CONDITIONING - VACUUM PIPING
87660SERVO ASSY, AIR CONDITIONER
AIR INLET
MODE
MODE
W/*AAC,MODE
W/*AAC,AIR MIX
W/*AAC,AIR MIX
W/COOLER
W/COOLER
88605PHARNESS SUB-ASSY, AIR CONDITIONER WIRING
W/COOLER
W/*AAC
9017906069
main90179-06069
8 parts on this diagram · 5 diagrams in section