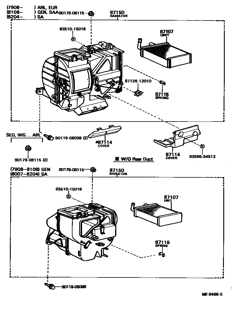
HEATING & AIR CONDITIONING - HEATER UNIT & BLOWER

87107UNIT SUB-ASSY, HEATER RADIATOR
HEAVY DUTY
87114COVER, HEATER
RADIATOR
BLOWER
RADIATOR
W/O RR DUCT
87116SPRING, HEATER CASE FASTENING
87150RADIATOR ASSY, HEATER
HEAVY DUTY
8712612010CLAMP, HEATER CONTROL
main87126-12010
9011906098
main90119-06098
9017906115
main90179-06115
9351015016
main93510-15016
9356654512
main93566-54512
9 parts on this diagram · 3 diagrams in section