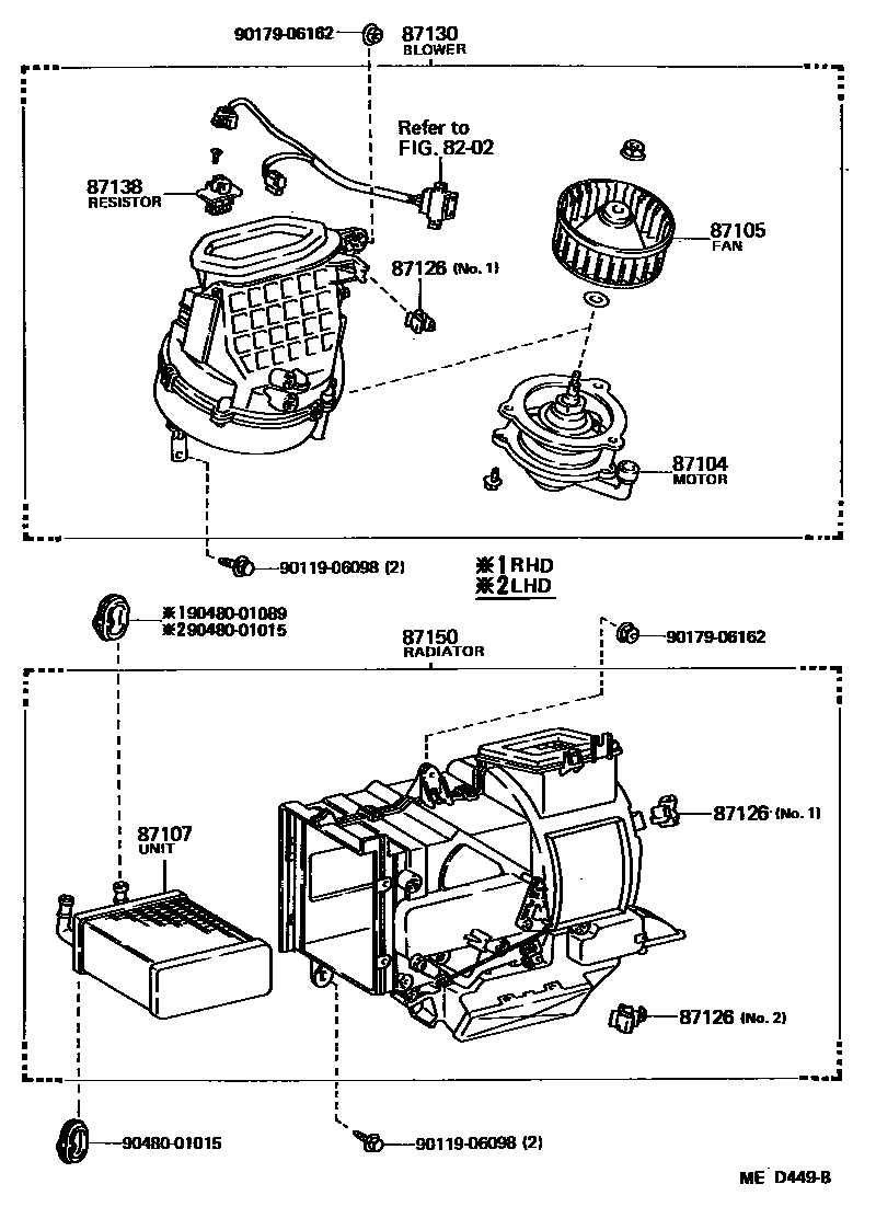
HEATING & AIR CONDITIONING - HEATER UNIT & BLOWER

8202WIRING & CLAMP
87104MOTOR SUB-ASSY, HEATER BLOWER
87105FAN SUB-ASSY, HEATER BLOWER
87107UNIT SUB-ASSY, HEATER RADIATOR
COLD SPEC
87126CLAMP, HEATER CONTROL
NO.1
NO.2
87130BLOWER ASSY, HEATER, FRONT
87138RESISTOR, HEATER BLOWER
87150RADIATOR ASSY, HEATER
COLD SPEC
9011906098
main90119-06098
9017906162
main90179-06162
9048001015
main90480-01015
9048001089
main90480-01089
12 parts on this diagram · 2 diagrams in section