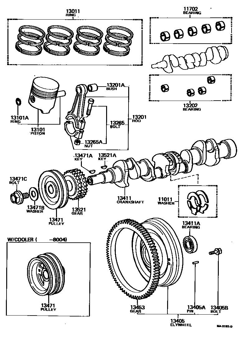
CRANKSHAFT & PISTON

11011WASHER SET, CRANKSHAFT THRUST
STD
STD,STD
STD,STD
O/S 0.125
O/S 0.125,O/S 0.125
O/S 0.125
O/S 0.250
O/S 0.250,O/S 0.250
O/S 0.250
11702BEARING SET, CRANKSHAFT
STD
STD
STD
STD
U/S 0.05
U/S 0.05
U/S 0.05
U/S 0.05
U/S 0.25,U/S 0.25
U/S 0.25
U/S 0.25,U/S 0.25
U/S 0.25
U/S 0.50
U/S 0.50
U/S 0.50
U/S 0.50
U/S 0.75
U/S 0.75
13011RING SET, PISTON
STD
STD
STD,STD
STD
STD
STD
STD
STD
O/S 0.25
O/S 0.25
O/S 0.25
O/S 0.50
O/S 0.50
O/S 0.50
O/S 0.50
O/S 0.50
O/S 0.50
O/S 0.50
O/S 0.50
O/S 0.75
O/S 0.75
O/S 0.75
O/S 0.75
O/S 0.75
O/S 0.75
O/S 0.75
O/S 0.75
O/S 1.00
O/S 1.00
O/S 1.00
O/S 1.00
O/S 1.00
O/S 1.00
O/S 1.00
O/S 1.00
13101PISTON SUB-ASSY, W/PIN
STD
STD,STD
STD
STD
STD
STD
STD
STD
O/S 0.25
O/S 0.25
O/S 0.25
O/S 0.25
O/S 0.50,O/S 0.50
O/S 0.50
O/S 0.50
O/S 0.50
O/S 0.50
O/S 0.50
O/S 0.50
O/S 0.75,O/S 0.75
O/S 0.75
O/S 0.75
O/S 0.75
O/S 0.75
O/S 0.75
O/S 0.75
O/S 1.00,O/S 1.00
O/S 1.00
O/S 1.00
O/S 1.00
O/S 1.00
O/S 1.00
O/S 1.00
13101ARING, HOLE SNAP(FOR PISTON PIN)
13201ROD SUB-ASSY, CONNECTING
13201ABUSH(FOR CONNECTING ROD SMALL END)
13202BEARING SET, CONNECTING ROD
STD,STD
STD
STD
U/S 0.05,U/S 0.05
U/S 0.05
U/S 0.05
U/S 0.25,U/S 0.25
U/S 0.25
U/S 0.25
U/S 0.50,U/S 0.50
U/S 0.50
U/S 0.50
U/S 0.75,U/S 0.75
U/S 0.75
U/S 0.75
13265BOLT, CONNECTING ROD
13265ANUT, HEXAGON(FOR CONNECTING ROD BOLT)
13405FLYWHEEL SUB-ASSY
N=106
N=106
N=115
N=115
N=106
13405APIN, STRAIGHT(FOR FLYWHEEL)
L=23,OD=8,L=23,OD=8
L=18,OD=8,L=18,OD=8
13405BBOLT, FLYWHEEL SETTING
13411CRANKSHAFT
13411ABEARING(FOR INPUT SHAFT FRONT)
6001 ZZ C3
6001 ZZ C3
13453GEAR, FLYWHEEL RING
N=106
N=115
13471PULLEY, CRANKSHAFT
W/COOLER
W/COOLER
13471AKEY, CRANKSHAFT(FOR CRANKSHAFT PULLEY SET)
13471BWASHER, PLATE(FOR CRANKSHAFT PULLEY SET)
13471CBOLT(FOR CRANKSHAFT PULLEY SET)
W/COOLER
13521GEAR OR SPROCKET, CRANKSHAFT TIMING
N=18
N=18
13521AKEY(FOR CRANKSHAFT TIMING GEAR)
22 parts on this diagram · 3 diagrams in section