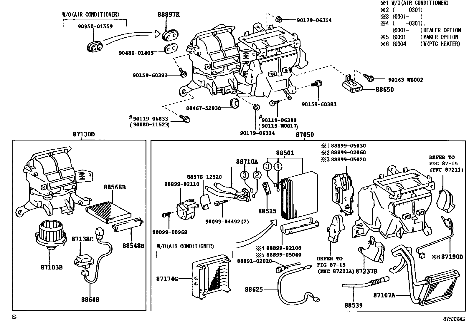
HEATING & AIR CONDITIONING - COOLER UNIT

87050RADIATOR ASSY, AIR CONDITIONER
MANUAL AIR CONDITIONER
MANUAL AIR CONDITIONER
W/O(AIR CONDITIONER)
W/O(AIR CONDITIONER)
AUTO AIR CONDITIONER
MANUAL AIR CONDITIONER
MANUAL AIR CONDITIONER
W/O(AIR CONDITIONER)
W/O(AIR CONDITIONER)
AUTO AIR CONDITIONER
AUTO AIR CONDITIONER
COLD SPEC & MANUAL AIR CONDITIONER
COLD SPEC
COLD SPEC & AUTOMATIC AIR CONDITIONER
MANUAL AIR CONDITIONER
MANUAL AIR CONDITIONER
W/O(AIR CONDITIONER)
W/O(AIR CONDITIONER)
AUTO AIR CONDITIONER
MANUAL AIR CONDITIONER
MANUAL AIR CONDITIONER
main87050-02290iZZE120..UKP..LHD;ZZE121..UKP..LHD..SOL;ZZE121..UKP..LHD..SED..TERRA;ZZE121..UKP..LHD..WG..5F..TERRA; ZZE121..UKP..WG..4FC..TERRA200311-200406
FRAME NO.=EXXXXXX & W/O(AIR CONDITIONER)
FRAME NO.=EXXXXXX & W/O(AIR CONDITIONER);W(PTC HEATER)
FRAME NO.=EXXXXXX & AUTO AIR CONDITIONER
AUTO AIR CONDITIONER;W(PTC HEATER)
COLD SPEC & MANUAL AIR CONDITIONER
main87050-02340iCDE120..UKP..LHD;ZZE121..UKP..WG..4FC..TERRA; ZZE120..UKP..LHD;ZZE121..UKP..LHD..SOL;ZZE121..UKP..LHD..SED..TERRA;ZZE121..UKP..LHD..WG..5F..TERRA200311-200406
FRAME NO.=EXXXXXX & COLD SPEC
FRAME NO.=EXXXXXX & COLD SPEC & AUTO AIR CONDITIONER
MANUAL AIR CONDITIONER
W/O(AIR CONDITIONER)
AUTO AIR CONDITIONER
COLD SPEC & MANUAL AIR CONDITIONER
COLD SPEC & W/O(AIR CONDITIONER)
COLD SPEC & AUTOMATIC AIR CONDITIONER
MANUAL AIR CONDITIONER
MANUAL AIR CONDITIONER
W/O(AIR CONDITIONER)
main87050-02690iZZE120..UKP..LHD..TERRA;ZZE121..UKP..LHD..SED..TERRA;ZZE121..UKP..LHD..WG..5F..TERRA; ZZE121..UKP..WG..4FC..TERRA200311-200406
FRAME NO.=RXXXXXX & MANUAL AIR CONDITIONER
FRAME NO.=RXXXXXX & MANUAL AIR CONDITIONER
main87050-02710iZZE120..UKP..LHD;ZZE121..UKP..LHD..SOL;ZZE121..UKP..LHD..SED..TERRA;ZZE121..UKP..LHD..WG..5F..TERRA; ZZE121..UKP..WG..4FC..TERRA200311-200406
FRAME NO.=RXXXXXX & W/O(AIR CONDITIONER)
W(PTC HEATER);FRAME NO.=RXXXXXX & W/O(AIR CONDITIONER)
FRAME NO.=RXXXXXX & AUTO AIR CONDITIONER
W(PTC HEATER);FRAME NO.=RXXXXXX & AUTO AIR CONDITIONER
main87050-02750iCDE120..UKP..LHD..TERRA;ZZE121..UKP..WG..4FC..TERRA; ZZE120..UKP..LHD..TERRA;ZZE121..UKP..LHD..SED..TERRA;ZZE121..UKP..LHD..WG..5F..TERRA200311-200406
FRAME NO.=RXXXXXX & COLD SPEC & MANUAL AIR CONDITIONER
main87050-02760iCDE120..UKP..LHD;ZZE121..UKP..WG..4FC..TERRA; ZZE120..UKP..LHD;ZZE121..UKP..LHD..SOL;ZZE121..UKP..LHD..SED..TERRA;ZZE121..UKP..LHD..WG..5F..TERRA200311-200406
FRAME NO.=RXXXXXX & COLD SPEC
FRAME NO.=RXXXXXX & COLD SPEC & AUTO AIR CONDITIONER
COLD SPEC & MANUAL AIR CONDITIONER
COLD SPEC & W/O(AIR CONDITIONER)
87103BMOTOR SUB-ASSY, BLOWER W/FAN
87107AUNIT SUB-ASSY, HEATER RADIATOR
COLD SPEC
FRAME NO.=EXXXXXX & COLD SPEC
FRAME NO.=RXXXXXX & COLD SPEC
W(PTC HEATER),FRAME NO.=RXXXXXX
87130DBLOWER ASSY
AUTO AIR CONDITIONER
FRAME NO.=EXXXXXX & AUTO AIR CONDITIONER
FRAME NO.=RXXXXXX
FRAME NO.=RXXXXXX & AUTO AIR CONDITIONER
87138CRESISTOR, BLOWER
8715HEATING & AIR CONDITIONING - CONTROL & AIR DUCT
87174GGUIDE, AIR HEATER
FRAME NO.=EXXXXXX
FRAME NO.=RXXXXXX
87190DSWITCH ASSY, TEMPERATURE CONTROL
FRAME NO.=EXXXXXX
FRAME NO.=RXXXXXX
87237BCOVER, HEATER PIPING
W(AIR CONDITIONER)
FRAME NO.=RXXXXXX
88501EVAPORATOR SUB-ASSY, COOLER, NO.1
MAKER OPTION
FRAME NO.=EXXXXXX
88515VALVE, COOLER EXPANSION
main88515-02070iCDE120..UKP;ZZE121..UKP..RHD..SOL;ZZE121..UKP..WG..4FC..TERRA; ZZE120..UKP;ZZE121..UKP..LHD..SOL;ZZE121..UKP..5F..TERRA;ZZE121..UKP..SED..4FC..TERRA200304-200406
DEALER OPTION
MAKER OPTION
main88515-02091iCDE120..UKP;ZZE121..UKP..RHD..SOL;ZZE121..UKP..WG..4FC..TERRA; ZZE120..UKP;ZZE121..UKP..LHD..SOL;ZZE121..UKP..5F..TERRA;ZZE121..UKP..SED..4FC..TERRA200308-200406
MAKER OPTION
88539HOSE, COOLER UNIT DRAIN, NO.1
88548BCASE, AIR FILTER
FRAME NO.=EXXXXXX
88568BFILTER, AIR
88625THERMISTOR, COOLER, NO.1
main88625-02060iCDE120..UKP;ZZE121..UKP..RHD..SOL;ZZE121..UKP..WG..4FC..TERRA; ZZE120..UKP;ZZE121..UKP..LHD..SOL;ZZE121..UKP..5F..TERRA;ZZE121..UKP..SED..4FC..TERRA200304-200406
MAKER OPTION
main88625-52020iCDE120..UKP;ZZE121..UKP..RHD..SOL;ZZE121..UKP..WG..4FC..TERRA; ZZE120..UKP;ZZE121..UKP..LHD..SOL;ZZE121..UKP..5F..TERRA;ZZE121..UKP..SED..4FC..TERRA200201-200406
DEALER OPTION
DEALER OPTION
MAKER OPTION
88648WIRING, COOLER, NO.1
AUTO AIR CONDITIONER
88650AMPLIFIER ASSY, COOLER STABILIZER
MAKER OPTION
88710ATUBE ASSY, AIR CONDITIONER
FRAME NO.=EXXXXXX
88897KGROMMET, (FOR COOLER PIPE)
main90480-01434iCDE120..UKP;ZZE121..UKP..RHD..SOL;ZZE121..UKP..WG..4FC..TERRA; ZZE120..UKP;ZZE121..UKP..LHD..SOL;ZZE121..UKP..5F..TERRA;ZZE121..UKP..SED..4FC..TERRA200201-200406
8846752030CUSHION, COOLER CONDENSER, NO.1
main88467-52030
8857812520PAKING, COOLER AIR DUCT
main88578-12520
8889102020PACKING (FOR COOLER)
main88891-02020
8889902060COVER, EVAPORATOR
main88899-02060
8889902100COVER, EVAPORATOR
main88899-02100
8889902110COVER, EVAPORATOR
main88899-02110
8889905020COVER, EVAPORATOR
main88899-05020
8889905030COVER, EVAPORATOR
main88899-05030
8889905060COVER, EVAPORATOR
main88899-05060
9008011523
main90080-11523
9009900968
main90099-00968
9009904492
main90099-04492
9011906390
main90119-06390
9011906833
main90119-06833
90119W0017
main90119-W0017
9015960383
main90159-60383
90163W0002
main90163-W0002
9017906314
main90179-06314
9048001405
main90480-01405
9095001559
main90950-01559
39 parts on this diagram · 8 diagrams in section