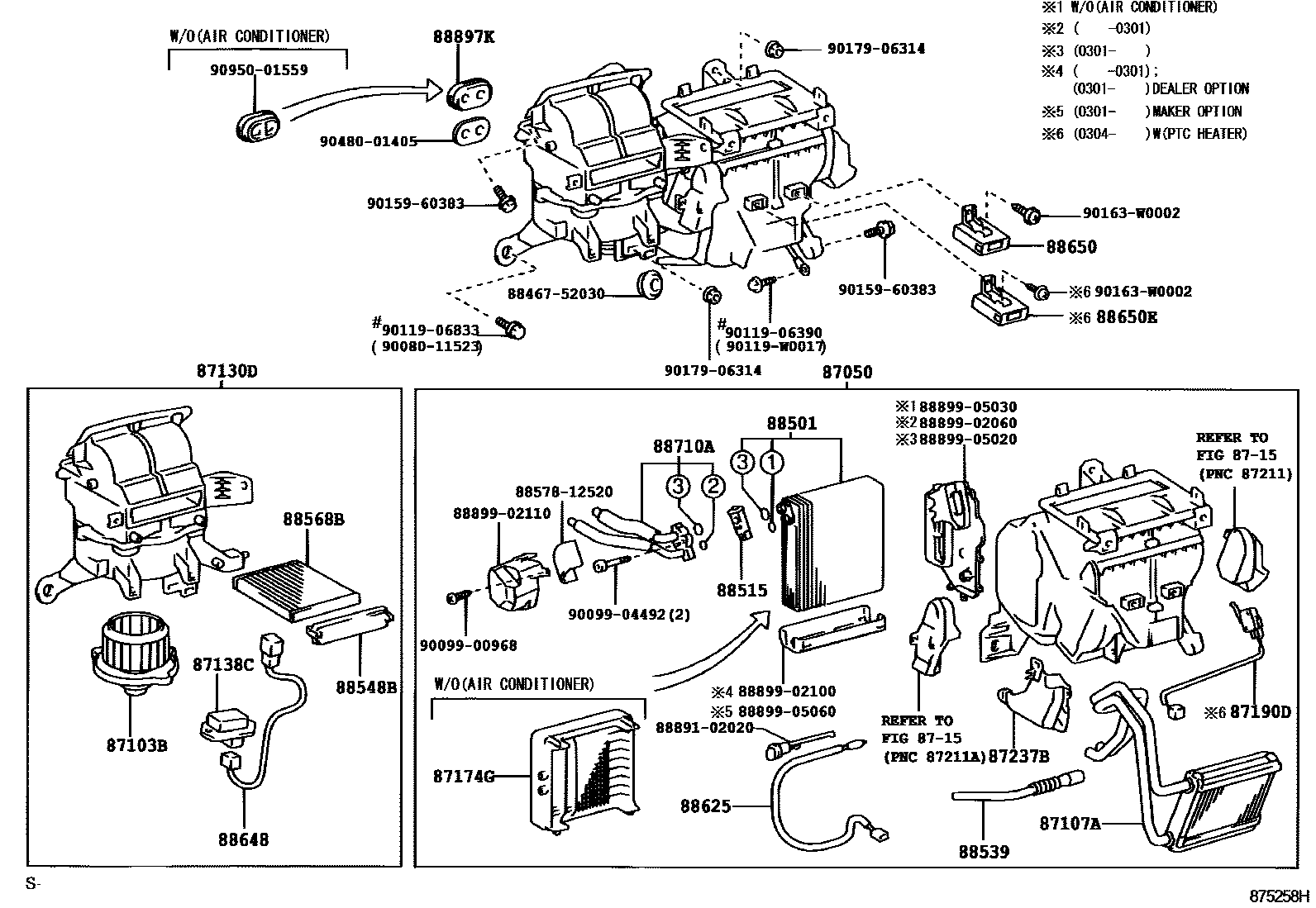
HEATING & AIR CONDITIONING - COOLER UNIT

87050RADIATOR ASSY, AIR CONDITIONER
MANUAL AIR CONDITIONER
MANUAL AIR CONDITIONER
W/O(AIR CONDITIONER)
W/O(AIR CONDITIONER)
AUTOMATIC AIR CONDITIONER
AUTOMATIC AIR CONDITIONER
MANUAL AIR CONDITIONER
MANUAL AIR CONDITIONER
W/O(AIR CONDITIONER)
W/O(AIR CONDITIONER)
AUTOMATIC AIR CONDITIONER
AUTOMATIC AIR CONDITIONER
COLD SPEC & MANUAL AIR CONDITIONER
COLD SPEC
COLD SPEC & AUTOMATIC AIR CONDITIONER
MANUAL AIR CONDITIONER
main87050-02220iCDE120..RHD..5D..DCR;CDE120..RHD..3D..TERRA; CDE120..RHD..5D..TERRA..DCRL200301-200405
MANUAL AIR CONDITIONER
main87050-02230iZZE120..RHD;ZZE121..RHD..TERRA;ZZE121..RHD..5D..SOL; ZZE121..RHD..3D..SOL200301-200405
W/O(AIR CONDITIONER)
W/O(AIR CONDITIONER)
main87050-02250iZZE123..RHD..3D;ZZE120,121..RHD..5D..SOL; ZZE123..RHD..5D;ZZE121..RHD..3D..SOL200301-200405
AUTOMATIC AIR CONDITIONER
main87050-02260iCDE120..RHD..3D..SOL;CDE120..RHD..5D..HDCR; CDE120..UKP..RHD..5D..SOL..DCRL200301-200405
AUTOMATIC AIR CONDITIONER
main87050-02270iZZE120,121..LHD..5F..TERRA;ZZE121..LHD..5D..4FC..TERRA; ZZE121..LHD..3D..4FC..TERRA200311-200405
FRAME NO.=EXXXXXX & MANUAL AIR CONDITIONER
FRAME NO.=EXXXXXX & MANUAL AIR CONDITIONER
main87050-02290iZZE120..LHD;ZZE121..LHD..SOL;ZZE121..LHD..5F..TERRA;ZZE121..LHD..5D..4FC..TERRA; ZZE121..LHD..3D..4FC..TERRA200311-200405
FRAME NO.=EXXXXXX & W/O(AIR CONDITIONER)
FRAME NO.=EXXXXXX & W/O(AIR CONDITIONER)
AUTOMATIC AIR CONDITIONER
FRAME NO.=EXXXXXX & AUTO AIR CONDITIONER
main87050-02330iCDE120..LHD..TERRA..DCR;ZZE121..LHD..3D..4FC..TERRA; ZZE121..LHD..5D..4FC..TERRA;CDE120,ZZE120,121..LHD..5F..TERRA..(DCRL,HTWC)200311-200405
FRAME NO.=EXXXXXX & COLD SPEC & MANUAL AIR CONDITIONER
main87050-02340iCDE120..LHD..DCR;ZZE121..LHD..3D..4FC..TERRA; ZZE121..LHD..SOL;ZZE121..LHD..5F..TERRA;ZZE121..LHD..5D..4FC..TERRA;CDE120,ZZE120..LHD..(DCRL,HTWC)200311-200405
FRAME NO.=EXXXXXX & COLD SPEC
COLD SPEC & AUTOMATIC AIR CONDITIONER
COLD SPEC & MANUAL AIR CONDITIONER
COLD SPEC & W/O(AIR CONDITIONER)
MANUAL AIR CONDITIONER
MANUAL AIR CONDITIONER
W/O(AIR CONDITIONER)
W/O(AIR CONDITIONER)
AUTOMATIC AIR CONDITIONER
AUTOMATIC AIR CONDITIONER
MANUAL AIR CONDITIONER
MANUAL AIR CONDITIONER
W/O(AIR CONDITIONER)
W/O(AIR CONDITIONER)
AUTOMATIC AIR CONDITIONER
AUTOMATIC AIR CONDITIONER
COLD SPEC & MANUAL AIR CONDITIONER
COLD SPEC & W/O(AIR CONDITIONER)
COLD SPEC & AUTOMATIC AIR CONDITIONER
main87050-02690iZZE120,121..LHD..5F..TERRA;ZZE121..LHD..5D..4FC..TERRA; ZZE121..LHD..3D..4FC..TERRA200311-200405
FRAME NO.=RXXXXXX & MANUAL AIR CONDITIONER
FRAME NO.=RXXXXXX & MANUAL AIR CONDITIONER
main87050-02710iZZE120..LHD;ZZE121..LHD..SOL;ZZE121..LHD..5F..TERRA;ZZE121..LHD..5D..4FC..TERRA; ZZE121..LHD..3D..4FC..TERRA200311-200405
FRAME NO.=RXXXXXX & W/O(AIR CONDITIONER)
FRAME NO.=RXXXXXX & W/O(AIR CONDITIONER)
FRAME NO.=RXXXXXX & AUTO AIR CONDITIONER
FRAME NO.=RXXXXXX & AUTO AIR CONDITIONER
main87050-02750iCDE120..LHD..TERRA..DCR;ZZE121..LHD..3D..4FC..TERRA; ZZE121..LHD..5D..4FC..TERRA;CDE120,ZZE120,121..LHD..5F..TERRA..(DCRL,HTWC)200311-200405
FRAME NO.=RXXXXXX & COLD SPEC & MANUAL AIR CONDITIONER
main87050-02760iCDE120..LHD..DCR;ZZE121..LHD..3D..4FC..TERRA; ZZE121..LHD..SOL;ZZE121..LHD..5F..TERRA;ZZE121..LHD..5D..4FC..TERRA;CDE120,ZZE120..LHD..(DCRL,HTWC)200311-200405
FRAME NO.=RXXXXXX & COLD SPEC
FRAME NO.=RXXXXXX & COLD SPEC & AUTO AIR CONDITIONER
COLD SPEC & AUTOMATIC AIR CONDITIONER
87103BMOTOR SUB-ASSY, BLOWER W/FAN
87107AUNIT SUB-ASSY, HEATER RADIATOR
W(PTC HEATER)
COLD SPEC
W(PTC HEATER),FRAME NO.=EXXXXXX
FRAME NO.=EXXXXXX & COLD SPEC
FRAME NO.=RXXXXXX & COLD SPEC
W(PTC HEATER),FRAME NO.=RXXXXXX
87130DBLOWER ASSY
main87130-02100iCDE120,NDE120,ZZE120,121..UKP..LHD..(4FC,5F)..(SOL,TSP); ZZE123..UKP..LHD200405-200702
AUTO AIR CONDITIONER
FRAME NO.=RXXXXXX
FRAME NO.=RXXXXXX & AUTO AIR CONDITIONER
MANUAL AIR CONDITIONER & W(PTC HEATER) OR W/O(AIR CONDITIONER) & W(PTC HEATER)
AUTO AIR CONDITIONER & W(PTC HEATER) OR W/O(AIR CONDITIONER) & W(PTC HEATER)
87138CRESISTOR, BLOWER
8715HEATING & AIR CONDITIONING - CONTROL & AIR DUCT
87174GGUIDE, AIR HEATER
FRAME NO.=RXXXXXX
87190DSWITCH ASSY, TEMPERATURE CONTROL
FRAME NO.=EXXXXXX
FRAME NO.=RXXXXXX
87237BCOVER, HEATER PIPING
FRAME NO.=RXXXXXX
88501EVAPORATOR SUB-ASSY, COOLER, NO.1
88515VALVE, COOLER EXPANSION
MAKER OPTION
main88515-02091iCDE120..UKP..DCR;ZZE123..UKP..RHD..5D;ZZE121..UKP..RHD..3D..SOL;CDE120..UKP..RHD..3D..DCRL;ZZE121..UKP..LHD..3D..4FC..TERRA; ZZE120..UKP;ZZE123..UKP..3D;ZZE121..UKP..5D..SOL;CDE120..UKP..5D..DCRL;ZZE121..UKP..RHD..TERRA;ZZE121..UKP..LHD..3D..SOL;CDE120..UKP..LHD..3D..DCRL;ZZE121..UKP..LHD..5F..TERRA;ZZE121,123..UKP..LHD..5D..(4FC,6F)..(TERRA,TSP)200308-200405
MAKER OPTION
88539HOSE, COOLER UNIT DRAIN, NO.1
88548BCASE, AIR FILTER
88568BFILTER, AIR
88625THERMISTOR, COOLER, NO.1
main88625-02060iCDE120..UKP..DCR;ZZE123..UKP..RHD..5D;ZZE121..UKP..RHD..3D..SOL;CDE120..UKP..RHD..3D..DCRL;ZZE121..UKP..LHD..3D..4FC..TERRA; ZZE120..UKP;ZZE123..UKP..3D;ZZE121..UKP..5D..SOL;CDE120..UKP..5D..DCRL;ZZE121..UKP..RHD..TERRA;ZZE121..UKP..LHD..3D..SOL;CDE120..UKP..LHD..3D..DCRL;ZZE121..UKP..LHD..5F..TERRA;ZZE121,123..UKP..LHD..5D..(4FC,6F)..(TERRA,TSP)200304-200405
MAKER OPTION
main88625-52020iCDE120..DCR,HDCR;ZZE121..RHD..3D..SOL;ZZE121..LHD..3D..4FC..TERRA; ZZE120;ZZE121..5D..SOL;CDE120..LHD..DCRL;ZZE121..RHD..TERRA;ZZE121..LHD..3D..SOL;ZZE121..LHD..5F..TERRA;ZZE121..LHD..5D..4FC..TERRA200111-200405
DEALER OPTION
DEALER OPTION
MAKER OPTION
88648WIRING, COOLER, NO.1
AUTO AIR CONDITIONER
88650AMPLIFIER ASSY, COOLER STABILIZER
DEALER OPTION
MAKER OPTION
W/O(AIR CONDITIONER)
88650EAMPLIFIER ASSY, AIR CONDITIONER, NO.1
88710ATUBE ASSY, AIR CONDITIONER
MAKER OPTION
88897KGROMMET, (FOR COOLER PIPE)
main90480-01434iZZE120..UKP;ZZE123..UKP..3D;ZZE121..UKP..5D..SOL;CDE120..UKP..5D..DCRL;ZZE121..UKP..RHD..TERRA;ZZE121..UKP..LHD..3D..SOL;CDE120..UKP..LHD..3D..DCRL;ZZE121..UKP..LHD..5F..TERRA;ZZE121,123..UKP..LHD..5D..(4FC,6F)..(TERRA,TSP); ZZE123..RHD..5D;CDE120..DCR,HDCR;ZZE121..RHD..3D..SOL;CDE120..RHD..3D..DCRL;ZZE121..LHD..3D..4FC..TERRA200111-200405
8846752030CUSHION, COOLER CONDENSER, NO.1
main88467-52030
8857812520PAKING, COOLER AIR DUCT
main88578-12520
8889102020PACKING (FOR COOLER)
main88891-02020
8889902060COVER, EVAPORATOR
main88899-02060
8889902100COVER, EVAPORATOR
main88899-02100
8889902110COVER, EVAPORATOR
main88899-02110
8889905020COVER, EVAPORATOR
main88899-05020
8889905030COVER, EVAPORATOR
main88899-05030
8889905060COVER, EVAPORATOR
main88899-05060
9008011523
main90080-11523
9009900968
main90099-00968
9009904492
main90099-04492
9011906390
main90119-06390
9011906833
main90119-06833
90119W0017
main90119-W0017
9015960383
main90159-60383
90163W0002
main90163-W0002
9017906314
main90179-06314
9048001405
main90480-01405
9095001559
main90950-01559
40 parts on this diagram · 9 diagrams in section