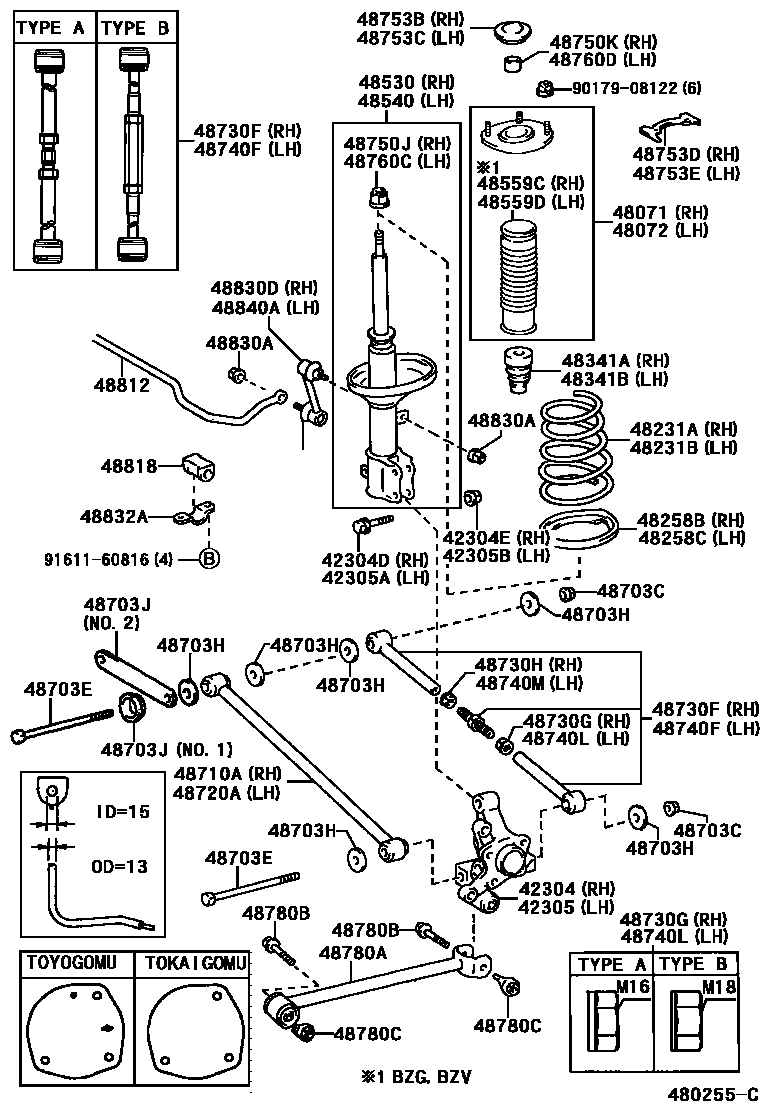
REAR SPRING & SHOCK ABSORBER

42304CARRIER SUB-ASSY, REAR AXLE, RH
W(ABS)
W(ABS)
42304DBOLT (FOR REAR AXLE CARRIER RH)
42304ENUT (FOR REAR AXLE CARRIER RH)
42305CARRIER SUB-ASSY, REAR AXLE, LH
W(ABS)
W(ABS & REAR DISC BRAKE)
W(ABS)
42305ABOLT (FOR REAR AXLE CARRIER LH)
42305BNUT (FOR REAR AXLE CARRIER LH)
48071SUPPORT SUB-ASSY, REAR SUSPENSION, RH
ROUGH ROAD PACKAGE
48072SUPPORT SUB-ASSY, REAR SUSPENSION, LH
48231ASPRING, COIL, REAR RH
ROUGH ROAD PACKAGE
ROUGH ROAD PACKAGE
ROUGH ROAD PACKAGE
DENMARK FINLAND ITALY NORWAY SWEDEN SPEC
48231BSPRING, COIL, REAR LH
ROUGH ROAD PACKAGE
ROUGH ROAD PACKAGE
ROUGH ROAD PACKAGE
DENMARK FINLAND ITALY NORWAY SWEDEN SPEC
48258BINSULATOR, REAR COIL SPRING, LOWER RH
48258CINSULATOR, REAR COIL SPRING, LOWER LH
48341ABUMPER, REAR SPRING, NO.1 RH
ROUGH ROAD PACKAGE
48341BBUMPER, REAR SPRING, NO.1 LH
ROUGH ROAD PACKAGE
48530ABSORBER ASSY, SHOCK, REAR RH
MARK 48530-12610,ROUGH ROAD PACKAGE
MARK 48530-1A310,DENMARK FINLAND ITALY NORWAY SWEDEN SPEC
MARK 48530-1A360
48540ABSORBER ASSY, SHOCK, REAR LH
MARK 48540-12550,ROUGH ROAD PACKAGE
MARK 48540-1A250
MARK 48540-1A300
48559CCOVER, REAR SHOCK ABSORBER DUST, RH NO.1
TOYO GOMU
TOKAIGOMU
48559DCOVER, REAR SHOCK ABSORBER DUST, LH NO.1
TOYO GOMU
48703CNUT(FOR REAR SUSPENSION ARM)
48703EBOLT(FOR REAR SUSPENSION ARM)
*14-1.5PX222-29
*12-1.25PX71-34
*12-1.25PX86-26
48703HWASHER, NO.1(FOR REAR SUSPENSION ARM)
48703JWASHER, NO.2(FOR REAR SUSPENSION ARM)
NO.2
NO.1
48710AARM ASSY, REAR SUSPENSION, NO.1 RH
48720AARM ASSY, REAR SUSPENSION, NO.1 LH
48730FARM ASSY, REAR SUSPENSION, NO.2 RH
TYPE A:REFER TO ILLUSTRATION
TYPE B:REFER TO ILLUSTRATION,GREEN PAINTED
TYPE B:REFER TO ILLUSTRATION
48730GNUT, NO.1(FOR REAR SUSPENSION ARM NO.2 RH)
TYPE A:REFER TO ILLUSTRATION
TYPE B:REFER TO ILLUSTRATION
48730HNUT, NO.2(FOR ARM ASSY, REAR SUSPENSION, NO.2 RH)
TYPE A:REFER TO ILLUSTRATION
TYPE B:REFER TO ILLUSTRATION
48740FARM ASSY, REAR SUSPENSION, NO.2 LH
TYPE A:REFER TO ILLUSTRATION
TYPE B:REFER TO ILLUSTRATION,W(ABS),GREEN PAINTED
TYPE B:REFER TO ILLUSTRATION
ROUGH ROAD PACKAGE
48740LNUT, NO.1(FOR REAR SUSPENSION ARM NO.2 LH)
TYPE A:REFER TO ILLUSTRATION
ROUGH ROAD PACKAGE
48740MNUT, NO.2(FOR ARM ASSY, REAR SUSPENSION, NO.2 LH)
TYPE A:REFER TO ILLUSTRATION
TYPE B:REFER TO ILLUSTRATION
48750JNUT(FOR REAR SUPPORT TO REAR SHOCK ABSORBER RH)
48750KCOLLAR(FOR REAR SUPPORT TO REAR SHOCK ABSORBER RH)
48753BCOVER, REAR SUSPENSION SUPOPORT, NO.1 RH
48753CCOVER, REAR SUSPENSION SUPOPORT, NO.1 LH
48753DCOVER, REAR SUSPENSION SUPOPORT, NO.2 RH
48753ECOVER, REAR SUSPENSION SUPOPORT, NO.2 LH
48760CNUT(FOR REAR SUPPORT TO REAR SHOCK ABSORBER LH)
48760DCOLLAR(FOR REAR SUPPORT TO REAR SHOCK ABSORBER LH)
48780AROD ASSY, STRUT, REAR
48780BBOLT(FOR STRUT ROD)
48780CNUT(FOR STRUT ROD)
48812BAR, STABILIZER, REAR
(L),OD=14
OD=13
(J),OD=14
OD=15
48818BUSH, STABILIZER, REAR
ID=14
OD=15
ID=13
48830ANUT(FOR REAR STABILIZER LINK)
48830DLINK ASSY, REAR STABILIZER, RH
48832ABRACKET, REAR STABILIZER BAR, NO.1
48840ALINK ASSY, REAR STABILIZER, LH
9017908122
main90179-08122
9161160816
main91611-60816
49 parts on this diagram · 2 diagrams in section