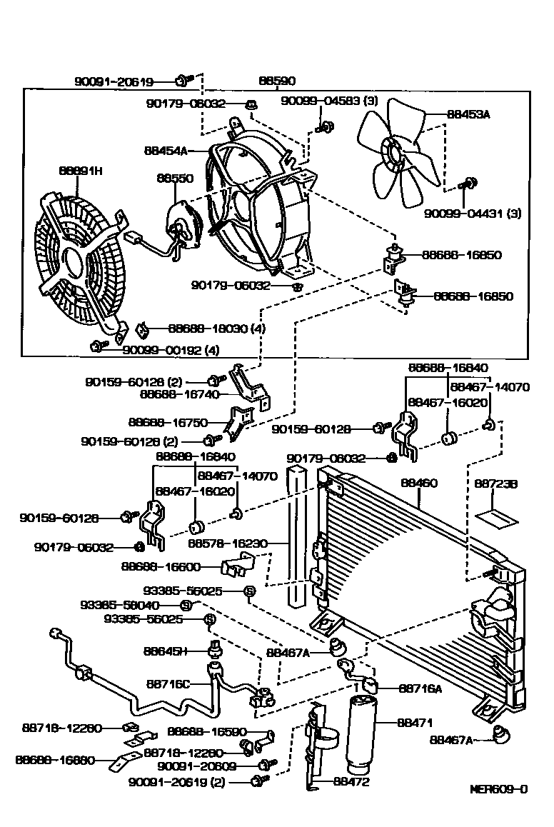
HEATING & AIR CONDITIONING - COOLER PIPING

88453AFAN, COOLING
88460CONDENSER ASSY, COOLER
88467ACUSHION, COOLER CONDENSER, NO.2
88471TANK, RECEIVER AIR CONDITIONER
88472BRACKET, RECEIVER TANK, NO.1
88550MOTOR ASSY, BLOWER (FOR CONDENSER)
88590BLOWER ASSY, W/SHROUD
88716APIPE, COOLER REFRIGERANT LIQUID, A
88716CPIPE, COOLER REFRIGERANT LIQUID, C
W(ABS) OR W(CRUISE CONTROL)
W(CRUISE CONTROL)
88723BLABEL, COOLER SERVICE CAUTION
CHILE SPEC; ENGLISH
FRENCH
88891HCOVER, COOLER, NO.1
8846714070CUSHION, COOLER CONDENSER, NO.1
main88467-14070
8846716020CUSHION, COOLER CONDENSER, NO.1
main88467-16020
8857816230PAKING, COOLER AIR DUCT
main88578-16230
8868816590BRACKET, COOLER DIAPHRAGM
main88688-16590
8868816600BRACKET, COOLER DIAPHRAGM
main88688-16600
8868816740BRACKET, COOLER DIAPHRAGM
main88688-16740
8868816750BRACKET, COOLER DIAPHRAGM
main88688-16750
8868816840BRACKET, COOLER DIAPHRAGM
main88688-16840
8868816850BRACKET, COOLER DIAPHRAGM
main88688-16850
8868816880BRACKET, COOLER DIAPHRAGM
main88688-16880
8868818030BRACKET, COOLER DIAPHRAGM
main88688-18030
8871812280PIPE, COOLER REFRIGERANT SUCTION, NO.2
main88718-12280
9009120609
main90091-20609
9009120619
main90091-20619
9009900192
main90099-00192
9009904431
main90099-04431
9009904583
main90099-04583
9015960128
main90159-60128
9017906032
main90179-06032
9338556025
main93385-56025
9338558040
main93385-58040
34 parts on this diagram · 9 diagrams in section