E
EPC Data

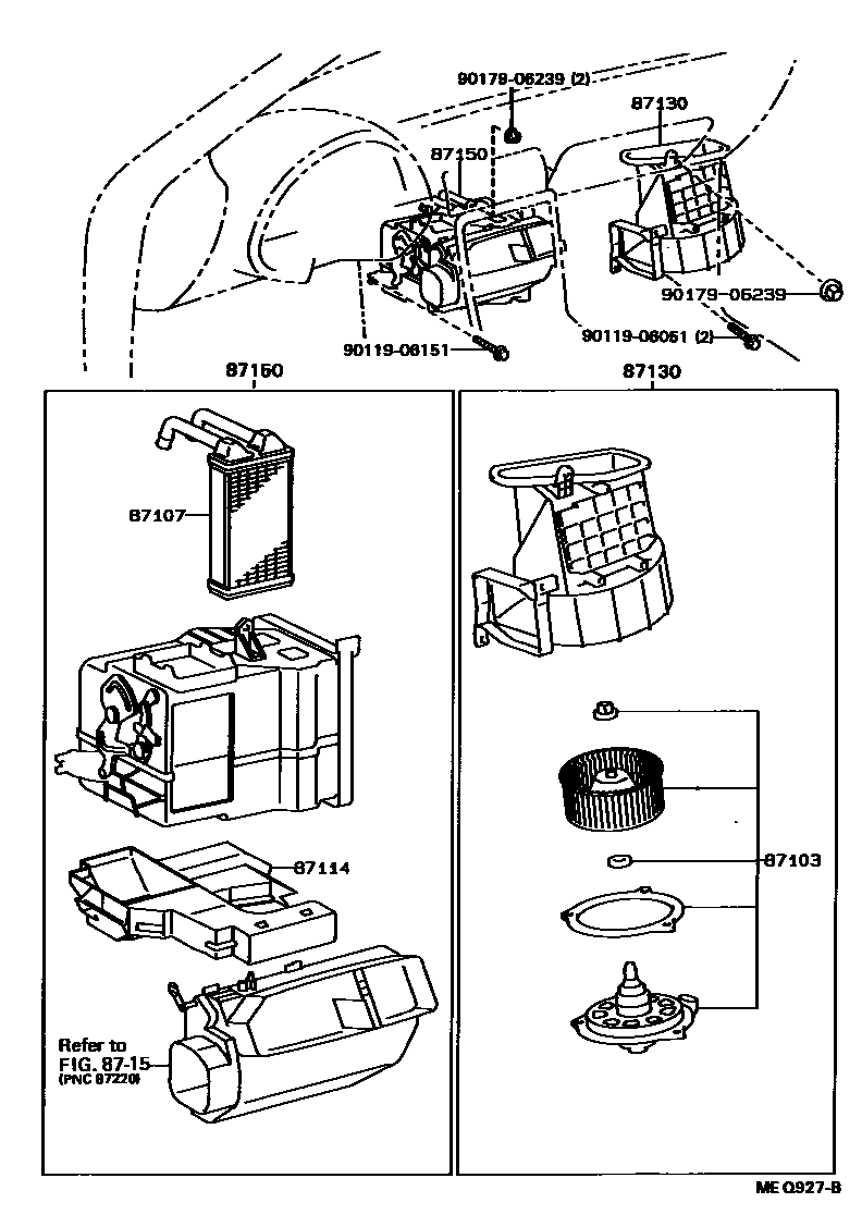
HEATING & AIR CONDITIONING - HEATER UNIT & BLOWER

Parts diagram
87103MOTOR SUB-ASSY, HEATER BLOWER, W/FAN
main87103-17020i199009-199409
87107UNIT SUB-ASSY, HEATER RADIATOR
main87107-16170i199009-199409
main87107-16180i199009-199409
COLD SPEC
87114COVER, HEATER
main87114-16070i199208-199409
CHILE SPEC
main87114-16080i199009-199409
COLD SPEC
87130BLOWER ASSY, HEATER, FRONT
main87130-16160i199009-199409
8715HEATING & AIR CONDITIONING - CONTROL & AIR DUCT
87150RADIATOR ASSY, HEATER
main87150-16250i199009-199208
main87150-16260i199009-199208
COLD SPEC
main87150-16440i199208-199409
CHILE SPEC
main87150-16450i199208-199409
COLD SPEC
9011906051
9011906151
9017906239

9 parts on this diagram · 1 diagram in section

HEATING & AIR CONDITIONING - HEATER UNIT & BLOWER — Toyota Parts Diagram with OEM Numbers & Prices | EPC Data