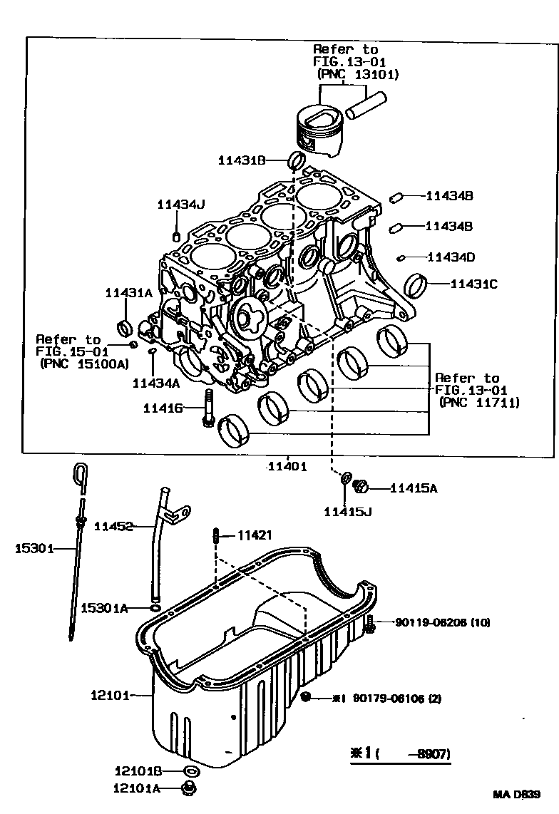
CYLINDER BLOCK

11401BLOCK SUB-ASSY, CYLINDER
11415APLUG, WATER DRAIN COCK(FOR CYLINDER BLOCK)
11415JGASKET(FOR DRAIN COCK)
11416BOLT(FOR CRANKSHAFT BEARING CAP SET)
11421BOLT, STUD(FOR OIL PAN)
11431APLUG, TIGHT, NO.1(FOR CYLINDER BLOCK)
11431BPLUG, TIGHT, NO.2(FOR CYLINDER BLOCK)
11431CPLUG, TIGHT, NO.3(FOR CYLINDER BLOCK)
11434APIN, STRAIGHT(FOR TIMING GEAR COVER SET)
L=11,OD=6
11434BPIN, STRAIGHT(FOR CLUTCH HOUSING SET)
L=20,OD=10
L=17,OD=15
11434DPIN, STRAIGHT(FOR ENGINE REAR OIL SEAL)
L=11,OD=6
11434JPIN, RING (FOR CYLINDER HEAD SET)
11452GUIDE, OIL LEVEL GAGE
12101PAN SUB-ASSY, OIL
12101APLUG(FOR OIL PAN DRAIN)
12101BGASKET(FOR OIL PAN DRAIN PLUG)
1301CRANKSHAFT & PISTON
1501ENGINE OIL PUMP
15301GAGE SUB-ASSY, OIL LEVEL
15301ARING, O(FOR OIL LEVEL GAGE)
9011906206
main90119-06206
9017906106
main90179-06106
22 parts on this diagram · 1 diagram in section