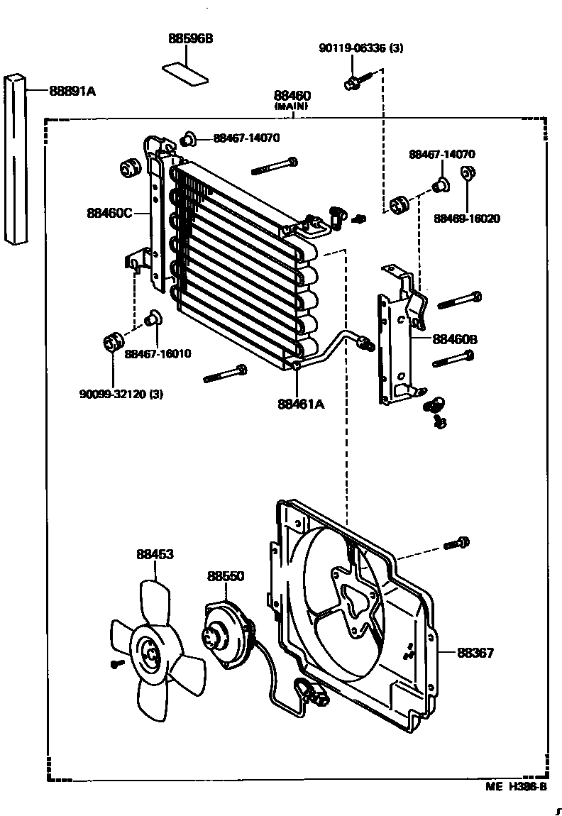
HEATING & AIR CONDITIONING - COOLER PIPING

88367SHROUD, COOLER BLOWER FAN
88453FAN, COOLING (FOR CONDENSER)
88460CONDENSER ASSY, COOLER
MAIN
MAIN
SUB
88460BBRACKET, COOLER CONDENSER, NO.1
88460CBRACKET, COOLER CONDENSER, NO.2
88461ACORE, COOLER CONDENSER
88550MOTOR ASSY, BLOWER (FOR CONDENSER)
88596BPLATE, CAUTION, NO.1
88891APACKING A (FOR COOLER)
LH
RH
8846714070CUSHION, COOLER CONDENSER, NO.1
main88467-14070
8846716010CUSHION, COOLER CONDENSER, NO.1
main88467-16010
8846916020SWITCH, PRESSURE CONTROL
main88469-16020
9009932120
main90099-32120
9011906336
main90119-06336
14 parts on this diagram · 9 diagrams in section