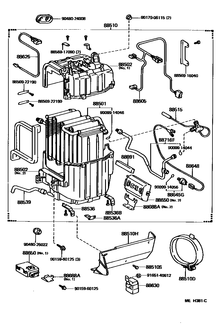
HEATING & AIR CONDITIONING - COOLER UNIT

88501EVAPORATOR SUB-ASSY, COOLER, NO.1
88502CASE SUB-ASSY, COOLING UNIT
NO.1
NO.1
NO.2
NO.2
88510UNIT ASSY, COOLER
W/PS
W/PS
W/PS
W/PS
88510DCLAMP, COOLER UNIT
88510HPLATE, COOLER UNIT, NO.1
BLACK,NEW BLACK,TRIM2#
BLUE,BLUE,TRIM8#
BEIGE,DARK BEIGE,TRIM4#
BLACK,NEW BLACK,TRIM2#
BLUE,BLUE,TRIM8#
BEIGE,DARK BEIGE,TRIM4#
88510SCLIP (FOR COOLER UNIT COVER)
BLACK,BLACK,TRIM2#
BLUE,BLUE,TRIM8#
BEIGE,DARK BEIGE,TRIM4#
88515VALVE, COOLER EXPANSION
88536BRACKET, COOLING UNIT, NO.1
88536ABRACKET, COOLING UNIT, NO.2
88536BBRACKET, COOLING UNIT, NO.3
88539HOSE, COOLER UNIT DRAIN, NO.1
88605HARNESS SUB-ASSY, COOLER WIRING, NO.1
W/PS
W/PS
W/PS
88625THERMISTOR, COOLER, NO.1
88630RELAY ASSY, COOLER
88645GSWITCH, PRESSURE
88648WIRING, COOLER, NO.1
88650AMPLIFIER ASSY, COOLER STABILIZER
W/PS,NO.2
W/O PS,NO.2
NO.1
NO.1
W/PS,NO.2
W/O PS,NO.2
W/PS,NO.2
W/O PS,NO.2
NO.1
88688ABRACKET, COOLER STABILIZER AMPLIFIER
NO.2
NO.1
W/PS & SUB CONDENSER,NO.2; W/PS,NO.2
88716FPIPE, COOLER REFRIGERANT LIQUID, F
88891PACKING (FOR COOLER)
8856916040CLAMP (FOR COOLER RELAY)
main88569-16040
8856917090CLAMP (FOR COOLER RELAY)
main88569-17090
8856922190CLAMP (FOR COOLER RELAY)
main88569-22190
9009914044
main90099-14044
9009914046
main90099-14046
9009914056
main90099-14056
9015960125
main90159-60125
9017906115
main90179-06115
9048024008
main90480-24008
9048026022
main90480-26022
9165140612
main91651-40612
31 parts on this diagram · 2 diagrams in section