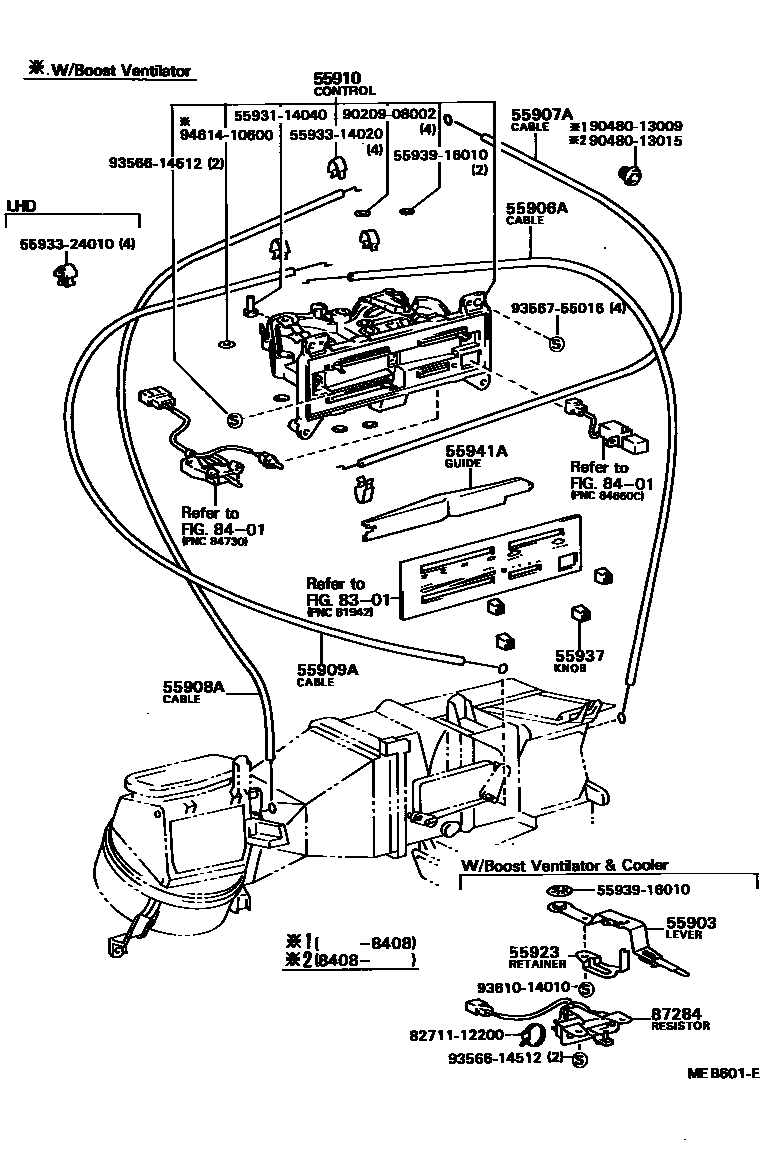
HEATING & AIR CONDITIONING - CONTROL & AIR DUCT

55903LEVER SUB-ASSY, HEATER CONTROL
W/BOOST VENTILATOR ONLY
W/BOOST VENTILATOR ONLY
55906ACABLE SUB-ASSY, DEFROSTER DAMPER CONTROL
55907ACABLE SUB-ASSY, WATER VALVE CONTROL
W/HEATER
55908ACABLE SUB-ASSY, AIR INLET DAMPER CONTROL
55909ACABLE SUB-ASSY, AIRMIX DAMPER CONTROL
W/HEATER
55910CONTROL ASSY, HEATER OR BOOST VENTILATOR
W/HEATER
W/HEATER
W/HEATER & COOLER
W/*BV
W/*BV
W/COOLER
W/*BV & COOLER
55923RETAINER, HEATER CONTROL, UPPER
W/*BV ONLY
55937KNOB, HEATER CONTROL LEVER
main55905-12080×4iAL20..RHD..EUG;AL20..5DS..LHD..3FC..GL;AL20,25..(3FC,6F)..DLX..EUR;AL20..LHD..MTM..(DLX,GL)..EUG198205-198408
*IPM
55941AGUIDE, HEATER CONTROL
8301METER
8401SWITCH & RELAY & COMPUTER
87284RESISTOR SUB-ASSY, VARIABLE
W/*BV ONLY
5593114040CLAMP, HEATER CONTROL WIRE
main55931-14040
5593314020GUIDE, LEVER, NO.2
main55933-14020
5593324010GUIDE, LEVER, NO.2
main55933-24010
5593916010ORNAMENT, HEATER CONTROL
main55939-16010
8271112200WIRE, FUSE TO FUSE(FOR COMBUSTION HEATER)
main82711-12200
9020908002
main90209-08002
9048013009
main90480-13009
9048013015
main90480-13015
9356614512
main93566-14512
9356755016
main93567-55016
9361014010
main93610-14010
9461410600
main94614-10600
24 parts on this diagram · 2 diagrams in section