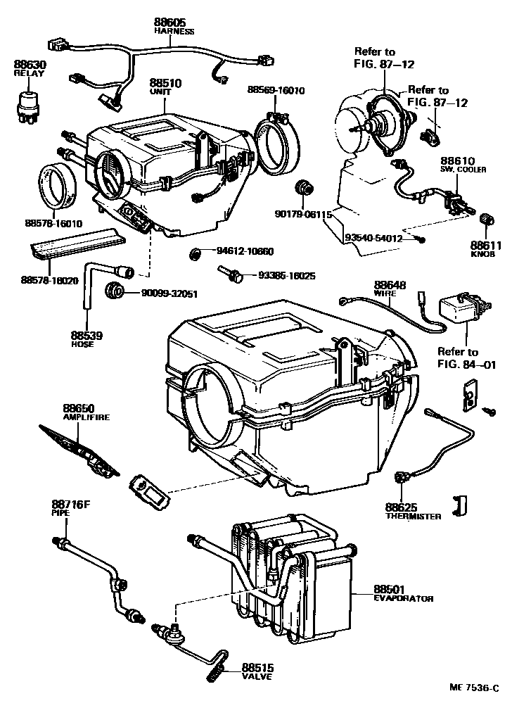
HEATING & AIR CONDITIONING - COOLER UNIT

8401SWITCH & RELAY & COMPUTER
8712HEATING & AIR CONDITIONING - HEATER UNIT & BLOWER
88501EVAPORATOR SUB-ASSY, COOLER, NO.1
88510UNIT ASSY, COOLER
88515VALVE, COOLER EXPANSION
88539HOSE, COOLER UNIT DRAIN, NO.1
88605HARNESS SUB-ASSY, COOLER WIRING, NO.1
W/BOOST VENTILATOR
88610SWITCH ASSY, COOLER CONTROL
W/HEATER
88611KNOB, COOLER CONTROL SWITCH
88625THERMISTOR, COOLER, NO.1
88630RELAY ASSY, COOLER
88648WIRING, COOLER, NO.1
88650AMPLIFIER ASSY, COOLER STABILIZER
88716FPIPE, COOLER REFRIGERANT LIQUID, F
8856916010CLAMP (FOR COOLER RELAY)
main88569-16010
8857816010PAKING, COOLER AIR DUCT
main88578-16010
8857816020PAKING, COOLER AIR DUCT
main88578-16020
9009932051
main90099-32051
9017906115
main90179-06115
9338516025
main93385-16025
9354054012
main93540-54012
9461210660
main94612-10660
22 parts on this diagram · 2 diagrams in section